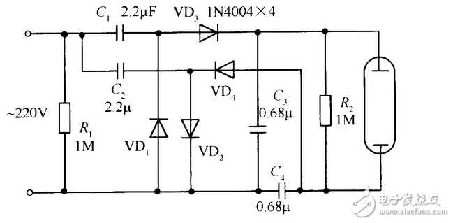
| 什么叫做倍压整流电路? 在一些需用高电压、小电流的地方,常常使用倍压整流电路。倍压整流,可以把较低的交流电压,用耐压较高的整流二极管和电容器,“整”出一个较高的直流电压。倍压整流电路一般按输出电压是输入电压的多少倍,分为二倍压、三倍压与多倍压整流电路。 倍压整流电路的工作原理: 1.倍压整流电路原理 1)负半周时,即A为负、B为正时,D1导通、D2截止,电源经D1向电容器C1充电,在理想情况下,此半周内,D1可看成短路,同时电容器C1充电到Vm,其电流路径及电容器C1的极性如上图(a)所示。 RJy838电子-技术资料-电子元件-电路图-技术应用网站-基本知识-原理-维修-作用-参数-电子元器件符号 (2)正半周时,即A为正、B为负时,D1截止、D2导通,电源经C1、D1向C2充电,由于C1的Vm再加上双压器二次侧的Vm使c2充电至值2Vm,其电流路径及电容器C2的极性如上图(b)所示。其实C2的电压并无法在一个半周内即充至2Vm,它必须在几周后才可渐渐趋近于2Vm,为了方便说明,底下电路说明亦做如此假设。如果半波倍压器被用于没有变压器的电源供应器时,我们必须将C1串联一电流限制电阻,以保护二极管不受电源刚开始充电涌流的损害。如果有一个负载并联在倍压器的输出出的话,如一般所预期地,在(输入处)负的半周内电容器C2上的电压会降低,然后在正的半周内再被充电到2Vm如下图所示。  图1 直流半波整流电压电路 所以电容器c2上的电压波形是由电容滤波器过滤后的半波讯号,故此倍压电路称为半波电压电路。 正半周时,二极管D1所承受之的逆向电压为2Vm,负半波时,二极管D2所承受逆向电压值亦为2Vm,所以电路中应选择PIV 》2Vm的二极管。 2、全波倍压电路   正半周时,D1导通,D2截止,电容器C1充电到Vm,其电流路径及电容C1的极性如上图(a)所示。 负半周时,D1截止,D2导通,电容器C2充电到Vm,其电流路径及电容C2的极性如上图(b)所示。 由于C1与C2串联,故输出直流电压,V0=Vm。如果没有自电路抽取负载电流的话,电容器C1及C2上的电压是2Vm。如果自电路抽取负载电流的话,电容器C1及C2上的电压是与由全波整流电路馈送的一个电容器上的电压同样的。不同之处是,实效电容为C1及C2的串联电容,这比C1及C2单独的都要小。这种较低的电容值将会使它的滤波作用不及单电容滤波电路的好。 正半周时,二极管D2所受的逆向电压为2Vm,负半周时,二极管D1所承受的逆向电压为2Vm,所以电路中应选择PVI 》2Vm的二极管。   负半周时,D1、D3导通,D2截止,电容器C1及C3都充电到Vm,其电流路径及电容器的极性如上图(a)所示。 正半周时,D1、D3截止,D2导通,电容器C2充电到2Vm,其电流路径及电容器的极性如上图(b)所示。 由于C2与C3串联。故输出直流电压V0=3m。 正半周时,D1及D3所承受的逆向电压为2Vm,负半周时,二极管D2所承受的逆向电压为2Vm,所以电路中应选择PIV 》2Vm的二极管。 4、N倍电压路 下图中的半波倍压电路的推广形式,它能产生输入峰值的的三倍或四倍的电压。根据线路接法的发式可看出,如果在接上额外的二极管与电容器将使输出电压变成基本峰值(Vm)的五、六、七、甚至更多倍。(即N倍)  负半周时,D1导通,其他二极管皆截止,电容器C1充电到Vm,其电流路径及电容器的极性如图(a)所示。 正半周时,D2导通,其他二极管皆截止,电容器C2充电到2Vm,其电流路径及电容器的极性如上图(b)所示。 负半周时,D3导通,其他二极管皆截止,电容器C3充电到2Vm,其电流路径及电容器的极性如上图(c)所示。 正半周时,D4导通,其他二极管皆截止,电容器C4充电到2Vm,其电流路径及电容器的极性如上图(d)所示。 所以从变压器绕线的顶上量起的话,在输出处就可以得到Vm的奇数倍,如果从变压器的绕线的底部量起的话,输出电压就会是峰值电压的Vm偶数倍。  N倍压整流电路图 倍压整流,此种电路通过并联充电,串联放电来获得比输入电压高N倍的效果。适合需要高电压小电流的场合。    这三个电路都是6倍压整流电路,各有特点。我们通常称每2倍为一阶,用N表示,上述电路都是3阶,即N=3。如果希望输出电压极性不同,只要将所有的二极管反向就可以了。 电路1的优点是每个电容上的电压不会超过变压器次级峰值电压U的两倍,即2U,所以可以选用耐压较低的电容。缺点是电容是串联放电,纹波大。 电路2的优点是纹波小,缺点是对电容的耐压要求高,随着N的增大,电容的电压应力随之增加。图中一个电容的电压达到了6U。 电路3是电路1的改进,优点是纹波比电路1小很多,电容电压应力不超过2U。缺点是电路复杂。 下面以电路1为例简单说明工作原理:  当变压器次级输出为上正下负时,电流流向如图所示。变压器向上臂三个电容充电储能。  当变压器次级输出为上负下正时,电流流向如图所示。上臂电容通过变压器次级向下臂充电。 如果不带负载,稳态时,除了左边的那个电容,其他每个电容上的电压为2U,所以总的输出电压为6U。事实上,由于高阶倍压整流电路带载能力很差,输出很小的功率就会导致输出电压的大幅度跌落。假设输出电流为I,每个电容的容量相同,为C,交流电源频率为f,则电压跌落为:  输出电压纹波为:  通用示波器的主机高压电源包括一路正高压两路负高压,电路采用“高频高压”方式,基本电路如图3。BG1、L1、L2和C1组成高频振荡器、振荡信号在L3、L4上升高压,经C3~C7、BG7~BG11五倍压整流,R1、C10滤波后输出正高压供给加速成阳极。BG6半波整流,C8、C9和R2π型滤波,获得负高压供给阴极。  示波器的高频高压及显示电路是仪器的关键部分。只有示波器内各电极工作电压满足额定条件才能形成比较理想的电子束扫描出所要观察的信号波形。高压值的准确与稳定,直接影响X、Y放大器的灵敏度。高压电路常见的故障表现为:无光点、无高压振荡、聚焦不良光点关不掉、亮度暗、图形失真、调节亮度电位器时屏幕显示波形幅度随亮度而变化等。导致这些故障的原因较多,现仅对高压电路故障进行分析、排除。 (1)检测方法。示波器显示电路高压(1kV以上)的检测方法有两种:用带高压棒的直流电压量程大于一万以上的万用表直接进行测量;凭经验观察估计,方法是:先断开电源,从示波管高压嘴上取下高压帽、手持高压线(尽量离高压帽远点),然后接通电源,慢慢移动高压线使高压帽向高压嘴处靠近,大约距离高压嘴一厘米左右的间隔时,开始拉弧放电,若发出“啪、啪、啪”的响声,说明高压基本正常。 (2)故障现象及修理。(现象:光点闪动)。此故障一般是高压打火现象造成的。首先从外观检查高压嘴处,发现高压帽老化,并局部破裂,换新后故障依旧存在。靠近机身细心听,能听到高压放电的打火声,根据打火声的厉害程度,初步判定打火声是从高压套筒里传出来的。折下高压套筒取出倍压整流电路板,在断电的情况下,用万用表R&TImes;10kΩ档测量电路板上的六只硅堆(2DL5/0.2)均正常。然后接通电源,用万用表量程为2 500V的直流电压档分别测量六只耐高压电容(6 800P/3kV),结果发现电容C3-16两端实测电压指示值随打火声的出现而摆动。从外观看又发现此电容的绝缘外壳因高压打火而脱落一小块。换此电容后,高压不打火、荧光屏光点很稳定。 只有低电压的交流电源和耐压低的整流元件,而需要高于整流输入电压若干倍的直流电压时,可以采用倍压整流电路,但它的负载能力较差,只适用于直流高压小电流的中功率整流。整流电路选定,一定要注意流过二极管的平均电流ID和负载电流的关系,二极管承受的反向峰值电压和变压器次级电压的关系及电容器的耐压值。 倍压整流电子镇流器电路  |