倍压整流电路是利用二极管的导向作用,使电容器进行充放电,几个电容器的电压相互叠加起来,就能获得较高的电压输出了,所以,倍压整流电路在电路中常用来升高电压。
我们下面来学习一下倍压整流电路的工作原理,先来看一个二倍压整流电路。

需要注意的是,倍压整流电路输入的是交流电,输出的是直流电,一般是使用升压变压器将电压升高,升压后再输入到倍压整流电路。
相信大家对交流电峰值电压与有效值之间的关系应该是懂的,这里就不详细讲述了。
为方便分析,把变压器输出的电压分成正半周和负半周进行分析,这里把变压器输出电压的峰值电压记为Um,不考虑二极管导通压降的情况下,在交流电正半周到来时,C1充满电后两端电压为Um。如下图所示:

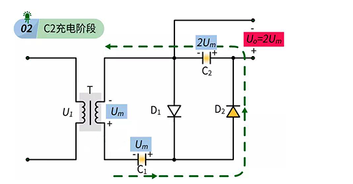
而在负半周时,变压器电压与电容C1电压叠加起来给C2进行充电,C2充满电后两端电压为2Um。如下图所示:

这就实现了两倍电压的输出了,需要注意的是,如果考虑到二极管的管压降,或者在交流电输入频率太低时通过电容会有一定阻抗情况下,电路输出电压会比理想中的电压要小。
如果在上图的二倍压整流电流的基础上再增加二极管和电容器,就可以实现输出电压的增加,比如增加多一个二极管和电容器,就变成了三倍压整流电路。

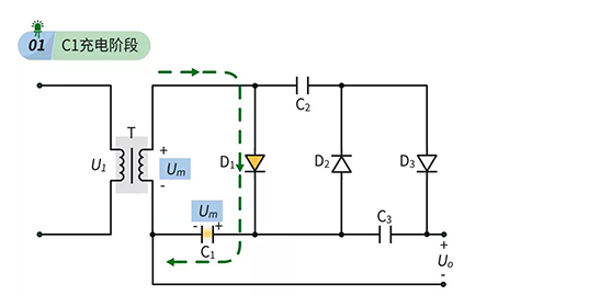
下面一起来分析一下这个电路的工作过程吧。在第一个交流电正半周到来时,电容C1充满电,两端电压为Um,如下图所示:

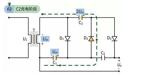
在第一个负半周到来时,变压器和电容C1的电压进行相互叠加,使电容C2充满电,两端电压为2Um,如下图所示:

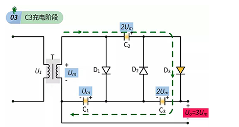
在第二个正半周到来时,变压器电压、电容C2电压、电容C1的电压进行相互叠加(因为电容C1的电压方向是反的,所以最后会抵消掉一个Um),使电容C3充满电,其两端电压为2Um,如下图所示,

现在明白了文章开篇问题的答案为什么是图片了吧。
这样一来,负载上得到的电压就是电容C1与电容C3叠加起来的电压了,电压为3Um,实现了三倍升压。
如果在后面继续增加二极管和电容器,理论上还能获得更高电压的输出。
当然了,倍压整流电路除了有以上电路形式,还有其它电路形式,比如在电路菌之前拆的一个电蚊拍电路里用的是这样的一个倍压整流电路:

我们下面就来分析一下这是个几倍压的整流电路及其工作原理。
首先,在第一个交流电正半周到来时,电容C4进行充电,其两端电压为Um,如下图所示:

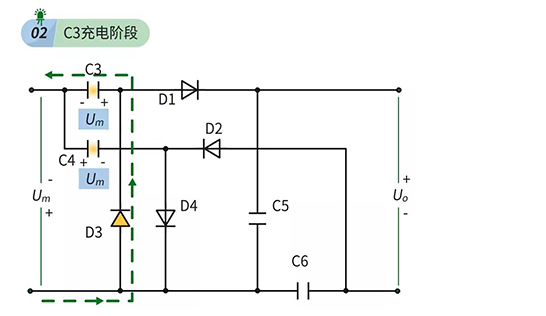
在第一个交流电负半周到来时,电容C3进行充电,其两端电压为Um,如下图所示:

在第二个交流电正半周到来时,电源与电容C3相互叠加,对电容C5进行充电,其两端电压为2Um,如下图所示:

在第二个交流电负半周到来时,电源与电容C4相互叠加,对电容C6进行充电,其两端电压为2Um,如下图所示:

这样一来,输出电压UO实际为电容C5与C6的电压相互叠加的结果,所以输出电压为4Um,这是一个四倍压整流电路。如果把上图的电路捋一捋,摆整齐一点,电路图实际是下图这样的:

需要注意的是,倍压整流电路只适用于需要小电流高电压的环境,否则输出电压会降低,倍压越高的电路,这种因负载电流增大而影响输出电压下降的情况越明显。
另外,在器件参数的选择上,要特别注意电容器的耐压值与二极管最高反向工作电压要足够大,否则会有被高电压击穿的风险。
11万+

被折叠的 条评论
为什么被折叠?



