Simulink IEEE 10机39节点系统电力系统模型
可用于小干扰、功角稳定、频率稳定等研究验证
YID:1310708213357865
Charyou1


随着电力系统规模的不断扩大和复杂化,如何进行系统的稳定性研究和验证成为了一个重要的课题。Simulink IEEE 10机39节点系统电力系统模型为我们提供了一个理想的研究平台。该模型不仅能够模拟电力系统中的各种故障和干扰,还能够进行小干扰、功角稳定和频率稳定等方面的验证。本文将围绕这个主题展开,详细介绍Simulink IEEE 10机39节点系统电力系统模型的特点和应用。
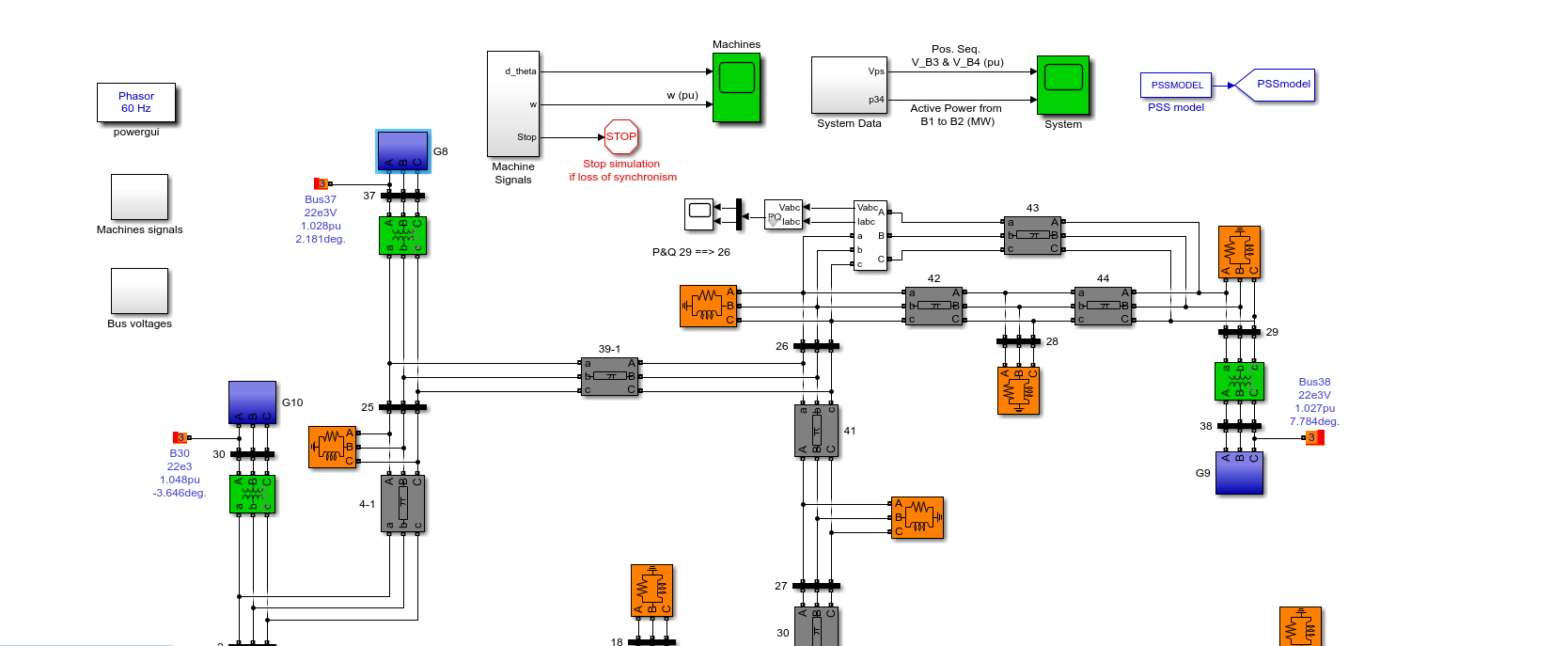
首先,Simulink IEEE 10机39节点系统电力系统模型的建立基于Simulink环境。Simulink是一个强大的仿真工具,具有直观的图形界面和丰富的模块库。通过Simulink,我们可以方便地建立电力系统的模型,并进行各种仿真和分析。在Simulink IEEE 10机39节点系统电力系统模型中,包含了10台发电机和39个节点。各个节点之间通过线路连接,形成一个复杂的电力系统。通过对该模型的研究和验证,我们可以获取电力系统在不同工况下的稳定性分析结果。
Simulink IEEE 10机39节点系统电力系统模型的应用主要集中在小干扰、功角稳定和频率稳定等方面。首先,对于小干扰的研究,我们可以通过对模型进行各种信号注入,模拟电力系统中的各种干扰,从而观察系统的响应。通过分析系统的频率特性和振荡行为,我们可以评估系统的稳定性,并设计相应的控制策略。其次,对于功角稳定的研究,我们可以模拟电力系统中的各种故障情况,如短路故障和电压失稳等。通过分析系统的动态响应,我们可以评估系统的功角稳定性,并设计相应的保护措施。最后,对于频率稳定的研究,我们可以模拟电力系统中的负荷变化和发电机停机等情况。通过分析系统的频率变化和稳定性指标,我们可以评估系统的频率稳定性,并设计相应的调频控制策略。
Simulink IEEE 10机39节点系统电力系统模型的特点在于其模块化和可扩展性。在模型的建立过程中,我们可以通过添加和删除模块来调整系统的规模和复杂程度。同时,模型中的各个模块之间存在着丰富的参数和接口,可以满足不同研究和验证的需求。在使用Simulink IEEE 10机39节点系统电力系统模型进行研究时,我们可以根据具体的问题进行系统的调整和优化,从而得到更准确和可靠的结果。
总之,Simulink IEEE 10机39节点系统电力系统模型是一个非常有用的工具,可以用于小干扰、功角稳定和频率稳定等方面的研究验证。通过对模型的建立和分析,我们可以获取电力系统在不同工况下的稳定性分析结果,并设计相应的控制策略。同时,该模型具有模块化和可扩展性的特点,可以满足不同研究和验证的需求。希望通过本文的介绍,读者对Simulink IEEE 10机39节点系统电力系统模型有一个更全面和深入的了解,并能够在实际应用中发挥其优势和作用。
以上相关代码,程序地址:http://wekup.cn/708213357865.html
616

被折叠的 条评论
为什么被折叠?



