电流
电流的单位安培(A),1A = 1000毫安(ma)
电流越大,相同时间内通过的电子就越多
常见电流
- 单片机待机电流:10ma
- 鼠标键盘:50ma
- 强将手电筒:1A
- 笔记本电脑:3A
- 微波炉,烤箱,空调:10A
- 闪电:10000A
电路
电路就是电流导通的道路,电池是一种特殊通过化学反应产生的能量装置,电池正极,吸收电子,电池负极发送电子。
一个电磁灯泡组成
电池负极会发出电子,推着电子经过电灯泡回到电池的正极
大量电子在经过某些特殊的材料的时候,会发热和发光,这就是电灯泡的原理

电流的方向
注意一个小细节,两百年前发现电的科学家是无法直接观察到电子的,他们通过实验现象猜测,以为电流都是从正极流向负极的,所有的物理点学公式都是基于这个假设设定的,其实真正的电子流向方向是和电流的方向其实是相反的,不过这个方向不影响计算的结果

直流电
直流电(DC)
- 直流电是指电流方向不变的电流
- 电荷始终都是在同一个方向流动的
- 直流电源通常是由电池或者其他直流电源供应
- 直流电常用于需要稳定电压和恒定方向的小型设备中
- 如手机,电动车等
交流电
交流电(AC)
- 交流电的电流方向随时间变化
- 电荷会在正负两个方向上流动,周期性的交替反向
- 交流电通常是通过电网供应的电力
- 用于各种大型的较大功耗的电器设备和机械设备中
- 如电视,冰箱,微波炉
左边直流电,右边交流电

直流电 VS 交流电
| 直流电 | VS | 交流电 |
|---|---|---|
| 电流方向不变 | 方向 | 电流的方向随时间周期性变化 |
| 电压稳定不变 | 电压变化 | 电压随随机周期性的变化 |
| 化学电池,太阳能电池 | 发电方式 | 发电厂 |
| 传输损失小 | 传输损失 | 电流传输损耗较大 |
| 不太方便 | 方便改变电压 | 方便的很 |
| 电池供电的设备,手机,电动车,笔记本电脑等 | 应用 | 家用电器,工业机器 |
开路和闭路
开路Open
当电路中的开关处于断开状态
闭路close
当电路中的开关处于闭合状态
电压
电压就是电势能,单位伏特(V)
什么是势能?是能就是物理学描述的能量类型,说明物体具备的能量
电压又称为电势能,我们初中都学过弹性势能,看这是我的橡皮筋,我们把他拉开,他就具备了弹性势能,具备了一种能量。如果我释放橡皮筋,刚才的弹性势能就转换成了纸团的移动的动能。
电压,电势能是之电子在电路中的动能,单位通常为伏特(V)。电压是电力系统中的一种重要概念,他决定电流流动的强度,电压越高,电子移动的越快,电流就会越大,而电压月底,电流就会越少。
实验结论
升高电压LED会更亮,电机会转的更快
升高电压后,就会产生更大的电流,通过的电流变大了,LED就会更亮一些,电机也会转得更快一些,但是电压不能无限增大,过大的电压会产生过多的电流,导致LED和电机烧毁
电阻
电压产生电势差,推动电流的流动
- 串联电阻,阻值大,电流小
- 并联电阻,阻值小,电流大
阻碍电流的流动就是电阻
电阻是电子学中的基本概念,它是指电流经过导体时阻碍电流流动的程度,电阻的单位是欧姆。

欧姆定律
欧姆定律是电学中基础定律之一
他描述了电流和电压之间的关系,欧姆定律的公式为 I=U/R,其中I是电流,U是电压,R是电阻,这个公式表明,在电阻不变的情况下,电压和电流成正比

| 欧姆定律的重要参数 | |
|---|---|
| 电流 | I = 电压/电阻 |
| 电压 | U = 电流*电阻 |
| 电阻 | R = 电压/电流 |
测试题
- 一条电路中有一个电阻为2欧姆,电流为3A,电压为多少?
答:U = 3*2
- 一条电路中有两个电阻分别为4欧姆和6欧姆,电流为2A,电压为多少?
答:U = 2*10
- 一个电路中有两个电阻,分别为3R,4R,5R,总电压为12V,求电路中的总电流
答:12/(3+4+5)
- 一个电路中有两个电阻,分别为3R,6R,总电压为15V,求总电流
答:I = 15/9
- 一个电路中有三个电阻,分别为2R,3R,5R,总电流为5A,求总电压
答:U = 5*10
欧姆定律计算
串联电路

电流关系:I = I1 = I2
电压关系:U = U1+U2
电阻关系:R1+R2
电压分配关系:U1/R1 = U2/R2
并联电路

电流关系:I = I1+I2
电压关系:U = U1 = U2
电阻关系:1/R = 1/R1+R2/1
电压分配关系:I1 * R1 = I2 * R2
电阻阻值计算
LED通过的最大电流是20ma,如果我们用9V的电池接LED等,应该选用多大的电阻?

- 确定LED的电压和电流,I:20ma,U:2.6V
- 计算电阻需要承受多大的电压,总电压9V-LED的2.6V = 6.4V
- 根据欧姆定律已知电流20ma,电压6.4,电阻=电压/电流 = 6.4/0.02 = 320R
电压还是电流杀死人

元器件
电阻器
特点:可以限制电流大小,当电阻阻挡了电流,那么电子和能量就会以热的方式呈现出来,所有电阻会发热

-
普通电阻,成本低,通常是有一根或多跟金属丝缠绕而成,只能提供固定的阻值。
-
薄膜电阻,是由一种金属薄膜制作而成,可以提供高精度电阻值,通常用于精密仪器
-
光敏电阻:根据光照来觉得电阻大小,比如楼道灯,晚上亮白天灭
-
电位器:有一根旋钮或者滑动器组成,可以调节电阻值,比如可手动调节光照台灯
-
热敏电阻,是一种电阻值随温度而变化,通常用于测量温度场景
-
压敏电阻:是一种随着压力变化变化的电阻器,通常用于压力传感器场景
-
高精度电阻,高精度电阻是一种精度较高的电阻器,具有稳定的电阻值和温度系数。
如果一根导线长度很长,那么也可也实现电阻,并且发热,加热台就是这样的原理

电阻封装
封装:看电阻是什么样的,是直插还是贴片,大小是多大。

电阻标称
看电阻的阻值是多少,精度是多少,误差有多少,误差1%的,5%的,10%,精度越高越贵
电阻额定功率
额定功率是P = I * I * R = I * U ,额定功率其实绝对了耐压值,电阻能通过的最大电流是固定的,额定功率越高,耐压值就越高,超过了电阻的耐压值就会导致电阻烧毁。
电容器
核心要点:
- 防止电压的突变
- 入端不管多大的电压,出端保持不变
介绍
电容就是装电的容器**(如果正负极接反,就会炸掉)**
电容器是一种元件,用于储存电荷和能量,它由两个导体和介质层组成,介质层位于两个导体版之间。
当电容器接入电路时,负电荷被储存在导体板上,并在两板之间产生磁场。
电容器的单位是拉法(F),一个法拉等于粗存一库伦电荷所需的电势一伏特的电容器。常见的电容器有电解电容器,陶瓷电容器,铝电解电容器等。
不同的介质,容纳电荷的能力不一样,电容的充放电是居于静电力的,不涉及化学反应变化,比锂电池更安全。

电容的作用:
阻止电压的突变,储能,滤波(大的容滤低频,小电容容滤高频)
生活中的电容:充电器的电源灯不是立刻断开的,里面就是有电容,电荷慢慢的释放掉
差一点的耳机,滤波不好,噪音大。
电容分类

- 玻璃电容:具有高温稳定性和低频耗损等特点,常用于高频和高温环境下的电路中。
- 钽电容:使用钽电容金属作为电容器,具有小尺寸,大容量的高频等特点。通常用于微电路中
- 薄膜电容:使用金属薄膜或金属箔作为电极的电容器,具有高精度,稳定性好的特点,常用于高性能电子器中
- 铝电解电容:使用铝箔和电解液作为电机的电容器,具有大容量,低成本的特点,常用于低频和直流电中
- 云母电容:使用云母作为介质的电容器,具有高精度,高频等特性,常用于精密仪器和高频电路中
- 空气电容:使用空气作为介质的电容器,具有高精度,稳定性好的特点,但体积大,常用于高频和低压电路中
- 陶瓷电容:使用陶瓷作为介质的电容器,具有小尺寸,高频特性和高温稳定性等特点,常用于电子设备中
- 可调电容:具有可调节电容值的电容器,常用于无线电和调楷电路中
- 金箔纸电容:使用金属化薄膜作为电极的电容器,具有高精度,稳定性好的特点,常用于高性能电子器中
- 超级电容:也成为电化学电容器,具有高能量密度,高功率密度和寿命等特点,常用于储能系统和电动汽车中
电容单位
电容就是装电的容器
不同的材质介质,容纳电荷的能力不同
电容的单位是法拉(F),注意:法拉是一个非常非常大的单位,其他的单位有mf,uf,nf,pf。
- 1F(法拉)= 1000mf(毫法)
- 1mf(毫法)= 1000 uf(微法)
- 1uf(微法) = 1000nf(纳法)
- 1nf(纳法)= 1000pf(皮法)
电容极性
正负极接反了会爆炸

能跑能亮多久?
公式:t=(C * V ) / I
T = 是放电时间(单位秒)
C = 电容的容量(单位法拉)
V = 是电容的电压(单位伏特)
I = 是电容的放电电流(单位安培)
C = 1.5F
V=2.8V
I = 20ma = 0.02A
将这些值代入公式,计算放电时间
t = (1.5 * 2.8) / 0.2 ≈ 210秒

电感
电和磁之间的关系
当我们在水里仍一块石头时,会产生一个涟漪,涟漪会从石头周围向外扩散,电和磁也是如此。当电通过导线时,她就像是在水中人了一块石头一样,会在周围产生一个磁场,这个磁场改变时产生的涟漪又会带动周围的电子运动,这些涟漪会产生磁场,这就是电磁感应的原理。
电和磁可以相互转换
电机中的电流流过线圈,从而产生磁场,这个磁场将旋转部件(列入电动机轴)带动起来,这就是电磁感应的应用。
发电机和点击相反,通过旋转磁场,发电机可以转换机械为电能。
什么是电感器
核心要点:
- 通过磁场存储能量
- 阻止电流的突变
电感器是一种电子元器件,用于在电路中储存和释放能量,他由一个线圈组成,通常由铜线绕城,通常带有一个铁芯,当电流通过电感器时,他在会线圈中产生一个磁场,从而储存能量。当电流停止流动时,磁场会奔溃,导致电感器释放存储的能量。
电感器的主要作用是在电路中调节电流的变化率,它可以用来过滤电路中的高频噪声,电感器中两端的电流不会突变,保护其他电子元器件,不受电磁干扰的影响。

理想中的电感没有能量损耗
电感:电磁感应元器件,电会产生磁场,磁场又会低质电流的变化。理想的电感没有能量损耗
跟电阻不同的是,电阻阻碍电流,发热
电感使用漆包线,纱包线等外部绝缘导线缠绕到铁芯上电感的单位是亨利(H)
电感的基本单位是H(哼),他和电容一样,是一个非常大的单位,另外还有毫哼(MH),微哼(uh),纳哼(nh)
电感的作用:
- 电感可以作为电路中稳定器的一部分,通过抵抗电路中电流的变化,保持电路的稳定性和可靠性。

电感电容组成LRC振荡电路
振荡电路原理
LRC振荡电路是一种基本的振荡电路,是由电感:L,电阻R,电容C组成,可以产生稳定的交流电信号,在LRC振荡电路中,电感和电容通过共振的方式相互作用,导致电荷周期性的从电容到电感器之间反向流动,从而产生周期性的电流和电压信号。
LRC震荡电路的工作原理是当电容器放电时,电感器中的电流开始增加,而电容器的电荷开始减少,当电容器的电荷达到0时,电感器中的电流达到最大值,并开始流回电容器中,导致电容器的电荷开始增加。当电容器的电荷重新达到最大值时,电感器达到0时,并开始再次往复运动,这个过程不断往复,从而形成一个周期性的成为一个交流电信号
LRC振荡电路的频率是由电感L和电容C的值决定的,可以通过调整电感和电容的值改变输出信号频率。

保险丝/熔断器
保险丝和熔断器都是用于保护电路免受过载或者短路等电气故障的设备
保险丝是一种电器元件,通常由金属丝或铜箔制成,其作用是在电流过载时断开电流,以保护电路中其他元器件不受顺坏,当电流达到或超过保险丝的额定电流时,保险丝中的金属丝的额定电流时,保险丝中的金属就会被加热,最终烧毁熔断,达到中断电路的效果,以避免电器设备发生火灾危险等情况。
熔断器与保险丝类似,与保险丝不同的是,熔断器可以自恢复,重复使用,熔断器的另外一个优点是通常比保险丝更快的响应电气故障。因此可以很好的保护电路。

重要参数
购买元器件最重要的是看参数
熔断速度,慢速,中速,快速,特快速。
快速熔断速度:熔断时间小于0.001秒
电压的额定值:所能承受的最高电压
电流的额定值,所能承受最高的电流
熔断特性:快速熔断适用于对电路的保护要求较高的场合,能够在短时间内切断过载电流或者短路电流,而慢速熔断则适用于对电路保护要求不高的场景,能够在一定时间内承受额度电流的2-3倍
蜂鸣器
能发出哔哔哔的声音的小元器件
声音是由物体的震动产生,一切发声的物体都是在震动,振动的频率不同,发出的音调就不同。
蜂鸣器分有源蜂鸣器和无源蜂鸣器,有源蜂鸣器一插电就响,无源蜂鸣器插电不叫,需要你给一个高电压信息他才叫。
蜂鸣器的音频是指蜂鸣器发出声音的声波频率,是指每秒连续循环的次,频率的计算单位是赫兹(HZ),人类听觉的频率范围越20-20khz,20hz以下是次声。超过20Khz的是超声波,蜂鸣器常用产品的振动频率是2-4khz

万用表的使用
毫安和毫瓦时
毫安时(mAh),毫瓦时(mWh)是两个不同的物理量,它们分别表示电量和能量单位

左边:3400mAh是3400毫安的电流连续放电一个小时,
右边:12580mWh是12.580W的功率输出一个小时,
例如一个LED工作电流是20mA,那么左边电池可以连续工作:3400/20=170个小时
功率计算出毫安 = 12580mWh / 3.7v = 3400mAh
五号电池含有几度电呢?
一节5号电池含有800mAh
5号电池的电压是1.5V,1.5V乘以0.8得到1.2Wh,说明一节五号电池可以以1.2Wh的功率输出1一小时,一度电就是1000Wh,1000/1.2 ≈ 833节五号电池 = 一度电
开关电路
开关电路是一种基本的电路,它可以控制电流或电压的流动和输出,简单来讲就是控制负载电流或者电压的输出。
开关电路在现代电子技术中有着广泛的应用是电子电路设计和实现中必不可少的一部分。
用电去控制电,也是计算机工作的核心原理。
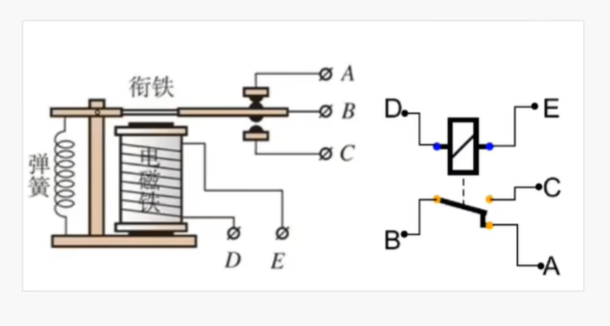
继电器
继电器原理是通过电生磁,会将继电器里面的贴片吸上去跟另外一个电路导通

- 1号引脚和4号引脚是电磁线圈,接入正负极,即可产生磁可以将3号与2号接通,如果没有给1号和4号接入正负极,那么是3号和5号接通
- 2号和5号是常开开关
- 3号和5号是常闭开关

模拟电路
- 开

- 关

二极管
二极管是一种电子元器件,它是由两种不同的半导体材料组成,这些材料被安排在一起,形成了一个名为P-N的结构,这种结构使得电流只能沿一个方向通过二极管,而另外一个方向则无法通过。
因为二极管只允许电流在一个方向上通过,所以它在电子学中有很多用途,例如,我们可以使用二极管制作电池充电器,电源适配器和许多其他电子设备

三极管(晶体管)
三极管工作原理
我们可以将水龙头比作三极管的电路,水流就相当于电流,水龙头的开关就相当于控制三极管的输入信号。
当我们打开水龙头时,水就从水管中流过来,当水龙头的开关处于开启状态时,水就会顺畅地从水龙头中流出来,当开关处于关闭状态时水流就会停止。
同样的,当我们将电路中的电源连接到三极管时,电流就会流过来,当三极管的输入信号(比如控制信号)被送到三极基级时,三极管就会开启,电流就会从三极管的集电极中流出来,当控制信号消失时,三极管就会关闭,电流就会停止流动。

三极管用法
三极管有三个区域,所以又被称作为三极管,这三个区域分别被称为发射极,基极,集电极。
当在三极管的基极输入电流信号时,这个信号可以控制三极管的集电极和发射极之间的电流流动,这样的话,我们就可以通过改变输入信号的电流来控制输出电流的大小。
三极管常常用于放大信号,比如在无线电和音频放大器中,他们也可以用来控制电路中的电流,例如在电子开关和电源电路中。
- B是基极,C是集电极(入口端),E是发射端(出口端)
- 假如C有5V的电压
- 给B接一个大于0.6V的高电压,那么C的电流就会在E口输出,
- 当给B一个小于0.6V的低电压,那么C的电流就会中断。

NPN和PNP三极管
两种切换不同材质制作的方法:
-
NPN是给基极一个高电压,集电极电流就会在发射极流出,给低电压,集电极和发射极断开
-
PNP是给基极一个低电压,集电极电流就会在发射极流出,给高电压,集电极和发射极断开


MOS管
mos管与三极管的区别:
- mos管的耐压值跟高,电压接受到达几百V
- mos管比三极管更省电,mos管是通过电压控制的,三极管是需要电流。

电路之神NE555
NE555起源于上个世纪70年代,由美国国家半导体公式发明,到现在还是非常流行。
ME555是一种集成电路,也成为555计时器,它广泛应用与模拟电路中,NE555集成电路具有多种应用,包括方波发生器,多谐振荡器,脉冲宽度调制器,定时器等,他是一种通用,可靠,经济实惠的电路元件,可用于各种模拟电路设计。
NE555集成电路是模拟电路中非常重要的元件之一,他的多种应用使得他在各种电子设备中广泛使用。

逻辑输入和输出
L:低电压

H:高电压

输出和输入的效果都一样
比较器(运放)
运放是一种电路元件,可以处理两路电信号
运放一般是通过比较输入信号的电压大小产生输出信号的,在运放的差分输入端口,通常会接入两个电压信号,一个是(+IN)的电压,一个是(-IN)的电压,运放会通过放大,比较这两个电压信号的大小关系,然后产生一个输出电压信号。
需要配置输出的高电压,低电压和运放的抗阻,抗阻越大,运放对电路的影响越小
运放+
输出的电压值是在运放元器件里面修改。
+号的电压比-号电压 低 输出低电压(L = 低电压,H=高电压)

+号的电压比-号高,输出高电压(L = 低电压,H=高电压)

运放 -
-号的电压比+号大,输出低电压

-号电压比+号小,输出高电压

相反器(非门)
高电压变低电压,低电压变高电压
非门,非门是一种只有一个输入端口和一个输出端口的逻辑门,它的输出等于输出的反向,即当输入为高电平时,输出为低电平,反之亦然,因此,非门有时也被称为“相反器”

输入高电压,就会输出低电压

输入低电压,就会输出高电压

或非门
电子电路中一种常见的元器件
只有输入端全部为低的时候,才输出高电压,否者其他任何情况都输出低电压
或非门,是电子电路中常见的一种逻辑门,或非门的输出信号取决于所有输入信号的状态,但是只要有一个输入信号的高电平,那么他的输出信号就会是低电压,只有当所有的输入信号都是低电压时,他的输出信号才会是高电压。
换句话说,或非门就像一个大门,只有所有的输入胡都是关着的(低电压),才会打开大门(输出高电压),否则大门就会保持关闭(输出低电压)
双稳态触发器(锁存)
电子电路中一种常见的元器件
- 有两个稳定状态低电压0态和高电压1态
- 能根据输入信号S将触发重置成0和1态
- 输入信号消失后,被重置成0或1态能保存下来。
- 即具有记忆功能,知道R端(重置端)高电压重置为止。
- 输出的电压根据你第一次输入的电压相关,具有记忆功能,知道R端(重置端)被高电压通过会重置

NE555原理图

应用线路应用

模拟电路,绘制图

258

被折叠的 条评论
为什么被折叠?



