基于stm32人体健康监测系统,包含pcb
(心率,血氧,体温,语音播报,报警)
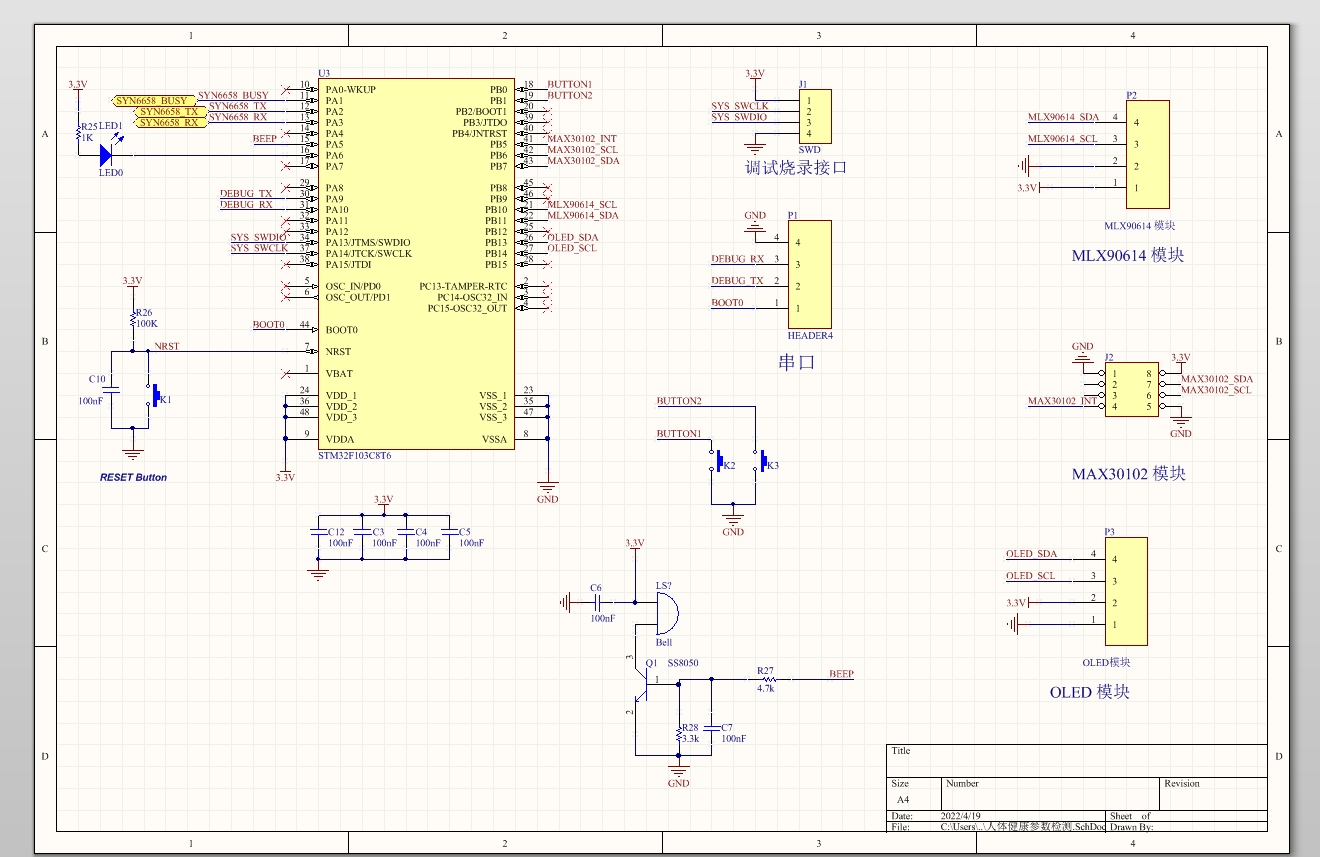
本设计采用STM32F103C8T6作为主控
使用MAX30102采集心率和血氧值
使用MLX90614测量体温
OLED显示当前信息
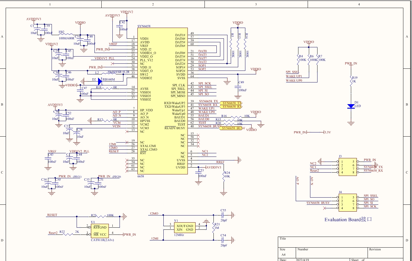
语音播报使用SYN6658芯片,外围自己搭建,播放当前温度、心率、血氧
两个按键一个蜂鸣器警报,当体温、心率、血氧异常发出警报
资料包括源码,原理图,pcb,bom清单,都是原始文件
YID:8750673630563967
howlowlow






基于STM32人体健康监测系统的设计与实现
一、引言
近年来,随着人们对健康关注度的提高,人体健康监测系统逐渐成为人们关注的焦点。本文基于STM32F103C8T6主控芯片,采用MAX30102传感器进行心率和血氧值的采集,MLX90614传感器进行体温的测量,使用OLED显示当前信息,利用SYN6658芯片实现语音播报功能,同时配备按键和蜂鸣器警报,能够及时报警提示体温、心率和血氧异常情况。本文介绍了系统的硬件设计与软件实现,并详细给出了源码、原理图、PCB和BOM清单等资料。
二、系统设计
1.主控选型
本设计采用STM32F103C8T6作为主控芯片,它具有高性能、低功耗和丰富的外设资源,能够满足系统对处理能力和资源的要求。
2.传感器选择与接口设计
心率和血氧值采集部分采用MAX30102传感器,该传感器具有高灵敏度和低功耗特点,通过I2C接口与主控连接。
体温测量部分采用MLX90614传感器,该传感器能够非接触地测量物体的表面温度,通过I2C接口与主控连接。
3.显示模块选择与接口设计
系统采用OLED显示模块,能够实时显示当前的体温、心率和血氧值等信息。
4.语音播报模块选择与接口设计
系统使用SYN6658芯片实现语音播报功能,通过外围电路与主控连接,能够播放当前的温度、心率和血氧值等信息。
5.警报模块设计
系统配备两个按键和一个蜂鸣器,当体温、心率或血氧异常时,警报模块能够及时发出警报,提醒用户注意身体健康状况。
三、系统实现
1.硬件设计
通过软件绘制PCB原理图,根据信号和电源分离的原则进行电路设计,合理布局元件和连接线路,保证系统稳定可靠。
2.软件实现
主控芯片通过编写C语言程序,实现心率和血氧值的采集、体温的测量、数据的处理和显示、语音播报的控制以及警报功能的实现。具体实现过程中,可以参考提供的源码进行开发。
四、系统测试与结果分析
通过连接外部电源,将健康监测系统投入使用,并进行各项指标的测试和分析,包括心率、血氧、体温等参数的准确性和稳定性测试。根据测试结果,对系统进行调试和优化。
五、总结
本文基于STM32F103C8T6主控芯片,设计并实现了一款基于人体健康监测的系统。通过采集MAX30102传感器的心率和血氧值、MLX90614传感器的体温值,结合OLED显示和SYN6658芯片的语音播报功能,实现了对体温、心率和血氧异常情况的及时监测和警报功能。系统具有稳定性高、准确性高的特点,能够为用户提供可靠的健康监测服务。
资料包括源码、原理图、PCB和BOM清单等,可以方便用户进行二次开发和生产。基于该系统,还可以进行更多的功能扩展和优化,如添加更多的传感器、完善报警机制等,以满足不同用户的需求。
六、参考资料
本文所述系统的设计与实现过程参考了相关文献和网络资料。为了保证系统的稳定性和准确性,设计过程中还进行了多次测试和优化。在实际应用中,用户可以根据自身需求进行适当的调整和改进,以达到更好的效果。
相关的代码,程序地址如下:http://wekup.cn/673630563967.html
6482

被折叠的 条评论
为什么被折叠?



