simulink:
stm32cubemx
:
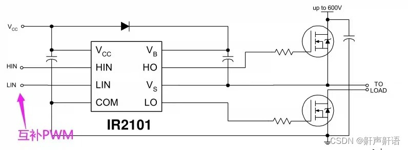
注意在stm32配置了两路的一个互补输出,但实际上在matlab里只需要给定占空比就行了,他会自动输出互补,驱动电机,这是因为有点的电机输出需要6路,有的只需要1路,我们看下图就知道了


simulink:
stm32cubemx
:
注意在stm32配置了两路的一个互补输出,但实际上在matlab里只需要给定占空比就行了,他会自动输出互补,驱动电机,这是因为有点的电机输出需要6路,有的只需要1路,我们看下图就知道了



被折叠的 条评论
为什么被折叠?