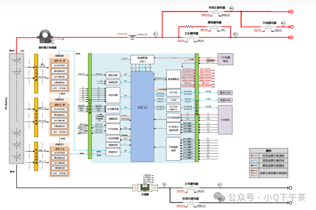
一、行业标准介绍
汽车电池管理系统

储能电池管理系统

二、BMS电流采样
(1)电流采样的作用

电流传感器一般会位于动力电池系统主正或主副回路测量整个电池包的电流,电流信号会送到BMS,给BMS做充放电控制,电池SOC、SOH估算,以及过流和过充的保护。保证安全性、记录滥用情况信息。
电流检测作为动力电池管理过程中的一个关键参数,电流的采集方案影响到系统成本、采集精度,采集精度直接影响到SOC的精度、电池系统的保护,对于汽车间接影响续航里程和用户体验,对于储能用户影响整体使用寿命。
(2)电流采样拓扑方式
高侧电流采样

低侧电流采样

低侧检测:低端检流电路比较简单,主要缺点是采用电源接地端和负载、系统接地端时, 感测电阻两端的压降会有所不同。如果其他电路以电源接地端为基准,可能会出现问题。为最大限度地避免此问题,存在交互的所有电路均应以同一接地端为基准, 降低电流感测电阻值有助于尽量减小接地漂。但有几种故障状态是低端检流电路检测不到的,这会使负载处于危险的情况
高侧检测:消除了低边检测方案中产生的地线干扰,还能检测到电池到系统地的意外短路。高边电流检测的一个重要优势,那就是检测放大器具备处理较大共模电压的能力。
(3)电流采样方式
现在主流的测量方式有三种:分流器(shunt)、霍尔效应(Hall effect)元件、磁通门传感器

分流器方式

功能框图

BMS采用分流器方式,主要特点为:(1)采用供电和测量分离方式,一般为四线制,采用开尔文连接;(2)分流器在零电流无偏移,基本不受温度影响,可以避免库仑计引起的漂移(但有可能由测量电路引入偏移);(3)分流器与电池包不分离;若采用分离方式,需要增加额外电路;(4)分流器的电阻随温度变化而变化,必须进行测温并校准电阻;(5)分流器本身存在能量损失,以热的形式消散;(6)传感器为小信号,需放大后进行采集,线路需要进行EMI保护。
霍尔传感器方式

功能框图

BMS采用Hall effect方式,主要特点为:(1)霍尔效应传感器与电池包电流隔离,因此不需要特殊的隔离电路;(2)为了防止传感器磁滞现象,需要采用反馈电路;(3)霍尔效应传感器在零电流时受到偏移,电流随温度变化而变化。即使在室温下校定为零,当温度变化时,仍会有小电流;使用过程中需要频繁校准。
磁通门传感器

总结
储能常用的测量方式主要是分流器(shunt)和霍尔效应(Hall effect)
分流电阻器:在精度、稳定性、成本、可靠性等方面优于霍尔传感器,
霍尔传感器:在传感器信号响应方面优于分流电阻器,

(4)储能系统中的电流采样

储能系统功能框图

三、采样电阻选择
1、采样电阻分类
(1)按照类型方式
合金采样电阻
带塑封的高精密贴片合金检流电阻,精度高达0.1%,阻值覆盖5mΩ~100mΩ,在-55 ℃〜+125℃范围内的温度系数可达±15ppm/℃以 内。高质量的原材料加工处理和电子束焊工艺使得产品的热电势显著降低,使得该系列具有极好的长期稳定性和可靠性,同时具有高性价比的特点,非常适合仪器仪表类,半导体封测,锂电分容化成, 精密电源类的客户使用。



分流器
锰铜合金分流器,具有低热电势和低电感的特点,额定高达电流为1000A,阻值为50μΩ,额定功率为50W。采用四脚开尔文连接,电子束焊接工艺。电压信号输出点结构丰富。适用于电池管理系统、电力电子设备电流检测、变频器、UPS、电机控制和电子负载设备。

电流传感器


PCB+分流器
分流器采用PCBA(印刷电路板组装)设计,包含一个NTC(负温度系数)电阻和一个安装在PCBA上的连接器。用户可以通过连接器轻松获取压降和NTC电阻值,便于系统集成和调试

(1)按照工艺方式
电子束焊接分流器
金属端子:主要材质为紫铜、黄铜,为了防止铜在空气中氧化,导致接触不良,所以其表面会进行一些特殊处理,例如镀锡、镀镍

低电阻金属合金功率电阻器

(1)按照尺寸分类


(2)按照功率分类


(3)按照材质分类
采样电阻的材质主要有:锰铜合金,康铜合金,镍铜合金,镍铬合金,卡玛合金,铁铬铝合金等等,目前生产最多,稳定性平稳及性价比高的是锰铜合金与铁铬铝合金

在低阻值电阻中,端子的阻值和温度系数的影响往往是不能忽略的,实际设计中应充分考虑这些因素,电子束焊接的铜-锰镍铜电阻实际上具有这样低的端子阻值,整个分流器属于三段式结构,即金属端子-合金-金属端子,三者通过焊接的方式结合在一起;分流器上主要的设计难点就在合金材料与焊接工艺上。金属合金:金属合金就是分流器的电阻本体,目前主要有三种材料,即锰铜合金、铁铬铝合金、镍铬合金。BMS分流器上面的合金一般为锰铜合金,它具有低电阻率以及低温度系数特性,所以在低阻值分流器上面采用。
影响分流器测试精度关键点在于电阻的稳定性。分流器在通过大电流时会产生热量,使分流器的温度升高,要保证分流器的检测精度,生产分流器的材料必须具有较小的温度漂移,电阻值受温度的影响较小。由于锰铜具有温度性能好、温度漂移小等优点,因此常用来作为生产分流器的材料。传统的分流器生产采用钎焊的生产工艺。
高精度测量系统就需要高精度电阻或分流器,要求具备低温度系数、高时间稳定性(年老化率)。铜材料的温度系数约为4‰/℃,低温度系数的锰铜、康铜材料一般可以做到10~50ppm/℃,更好的德国Isabellenhuette公司或美国Vishay公司的电阻材料可以实现ppm/℃量级甚至低于1ppm/℃。用于计量的标准电阻则小于0.1ppm/℃。
(4)按照安装方式
分流器与PCB连接方式:分流器与PCB连接存在两种方式,一是引脚焊接的方式,另外一种是SMT方式;还有一种为螺柱固定式;坦白讲,在现实中SMT形式的分流器产品更多见,可能因为SMT焊接相对更牢固的原因。



2、采样电阻参数
(1)精度

众所周知,电阻随着使用环境和温度变化,其阻值会变化,但如果变化的范围可以控制好,即精度足够高,就可以满足电流监测要求。目前分流器的精度(阻值相对标准阻值的偏差)等级包括±0.1%、±0.2%、±0.5%等,与分流器的电流检测应用环境有关。
(2)温漂

普通电阻的温度系数约100ppm/℃,温度变化10℃,可导致电阻约1‰的变化,这是一个重要的误差来源。另一方面,电阻也会随着时间的推移,不断发生变化,这种变化是随机的,普通电阻的年变化率(老化率)也在1‰/年量级。
温漂体现分流器工作的稳定性,温漂越小,其稳定性越好。表征分流比[(R1-R0)/R0]随温度T变化而变化的性能,其单位可以表示为X%/℃,如分流比为0.2%/℃,表示温度变化1℃,电阻值偏差为标称值的0.2%。
目前测试温度系数的方式,采用高温(100℃以上)恒温箱中保持30分钟以上,进行电阻值测定,依据公式[(R1-R0)/R0]/(T1-T0),其中R0为标称电阻,T0为室温。
(3)温升
热阻是衡量温升的重要参数

电池系统的应用环境中温度要求一般为-40℃~+85℃,为保证分流器发热量不影响周围元器件的使用,应该保证温升控制值,如100℃等。
(4)功率

(5)热电动势
分流器的热电动势;这个值越小,对于分流器应用来讲优势越大。

根据塞贝克效应,两种不同的电导体或半导体之间,当存在温度差异时,在两种物质之间会产生电势差;进一步地,在两种金属A和B组成的回路中,如果使两个结点的温度不同,则在回路中将出现电流,称为热电流;相应的电动势称为热电势,其方向取决于温度梯度的方向。发热最集中的部位为电阻合金,它与铜电极中间存在温度差,那么二者之间就会有热电势;因为分流器的采样电压基本在mV范围,所以这个热电势的影响就不能忽略。
(6)等效电感

等效电感:分流器的电气参数中有一项为电感量,它是指合金处的等效寄生电感,基本上分流器的寄生电感都在几nH的量级。
理论上讲,对于恒定电流,寄生电感不会产生影响;但当电流变化时,根据法拉第电磁感应定律,在电感两端会产生感应电动势,它会叠加到实际采集到的电压V里面,进而导致测量误差。电感量越大,产生的感应电动势就越大,所以要限制感量的大小。另外的话,为了消除电感带来的误差,采样滤波电路的RC选取也比较重要。
3、采样电阻选择

四、采样电路设计
1、电流采样电路可以分为隔离方式和非隔离方式


(1)非隔离方式

(2)隔离方式
这些高电压子系统测量大电流。需要实现隔离和高性能。一种是基于采样电阻:使用隔离式放大器或隔离式调制器,另一种是基于霍尔传感器:使用开环或闭环霍尔传感器。

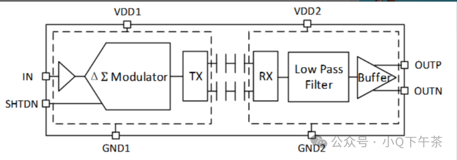
以Pai8300E和Pai8311E为参考

下图为Pai8311E内部功能模块简图,输入信号经过ΔΣ调制器,噪声整型后输出比特流到TX, TX通过隔离电容传递数字信号,RX接收数字信号,低通网络滤波,并通过Buffer差分输出。



五、电流采样精度影响因素
1、PCB走线
有一种专门用于开尔文接法的电阻,叫做四触点分流电阻,电流的“主干道”与测试使用不同的触点。在PCB设计的时候,稍作优化可以做到类似的效果。如下图这种接法,使用普通的二脚采样电阻,也能一定程度上提高精度。

实际电路微带线

四引线设计推荐用于大电流和低阻值应用.通常的做法使用锰镍铜合金带直接冲压成电阻器,但这不是最好的办法.尽管四引线电阻有利于改进温度特性和热电压,但总阻值有时高出实际阻值2到3倍,这会导致难以接受的功率损耗和温升.此外,电阻材料很难通过螺丝或焊接与铜连接,也会增加接触电阻以及造成更大的损耗.
2、焊接方式
由于采样电阻的阻值太小了,焊料的电阻已经不能忽略。然而焊料的电阻值无法确定:可能这个焊盘的焊料多一些,电阻就小一些,且焊料电阻随温度变化较大,会影响测量结果。

焊料对于测量电压带来的影响:U=I(R1+R2+Rs)
3、选择最佳采样电阻参数
选择最佳欧姆值是一个平衡问题。如果太高,则会浪费功率,产生过多的热量,并失去电压调节。如果太低,则感应电压将相应降低,因此噪声和分辨率问题将限制准确测量。
选择正确的额定功率,额定功率有时是 PCB 布局设计以及组件选择的函数。与任何电阻一样,如果环境温度高于额定温度,则必须应用功率降额
4、管理热量
无论你的设计是否需要电阻具有很高的额定值,还是需要比较小的温升,都必须了解热量将如何被移除以及热量将流向何处。分流器的散热至关重要。当使用具有高散热和低感应电压的金属元件分流时,可能需要考虑热电电压。
5、选择合理的采样电路
例如对于电动汽车中的充电电流的典型范围为 0 A 至 100 A,而放电电流可达到 2,000 A 的峰值,对于BMS 电池组电流测量,分流器的范围为 25 µΩ 至 100 µΩ。实现具有宽动态范围的高精度分流电流测量的最成熟方法之一是使用高分辨率 Δ-ΣADC。
例如在使用BQ76952采样的过程中,以1mΩ的采样电阻为例,

系统的ADC采样误差 = 7.6µV/1mΩ = 7.6mA
系统ADC的分辨率 = 2*200mV/65535/1mΩ = 6.1mA/bit

本文聚焦汽车和储能电池管理系统(BMS)的电流采样技术。介绍了BMS电流采样的作用、拓扑方式和主流测量方式,分析了采样电阻的分类、参数及选择要点,阐述了采样电路设计,还探讨了影响电流采样精度的因素,如PCB走线、焊接方式等。

被折叠的 条评论
为什么被折叠?



