一、教程简介
本章主要是对MINI-GD32F103C8T6 凌智基础开发
板的硬件进行介绍,以及一些对应的电路原理进行说明。对应的原理图以及生成的库文件都在资料文件里面有提供,可以直接使用。

图1 设计原理图
二、相关事项
1、核心处理器
本次开发教程所用的单片机型号是GD32F103C8T6,将其所有引脚进行定义引出。

图2 核心处理器
2、复位电路
这是一个比较典型的复位电路,我们在开发过程中,有时候需要复位单片机,如果没有复位电路,那就需要重新上电才可以,复位电路将其产生的信号传递给CPU,使单片机复位,正常状态下,将复位引脚通过10k电路拉高,当复位按键按下后,单片机复位引脚会连接到低电平,使单片机复位。

图3 复位电路
3、晶振电路
如果时间充足的话,建议新手仔细研究一下单片机的时钟树,在这里,简单说一下原理,单片机的时钟树一共提供两个外部时钟接入接口,一个是外部高速时钟,一个是外部低速时钟,一般情况下,外部高速时钟选择使用8Mhz(这个可以更改),外部低速时钟使用32.768khz,低速时钟一般用于RTC,关于这个32.768khz的选择原因,凌智君从网上查到的,仅供参考:在选择计时类晶振时,通常会选择32.768KHz的晶振,原因在于32768=2^15,而嵌入式芯片分频设置寄存器通常是2的次幂的形式,这样经过15次分频后,就很容易的1HZ的频率。

图4 晶振电路
4、滤波电路
单片机一共有四路电源电路,每一路电源电路需要一
个电容进行去耦,去耦电容作用主要是平复芯片上反馈回来的电源波动,芯片内部晶体管动作的时候,会产生一定的功耗变化,所以这个小电容越靠近芯片电源引脚,作用效果越明显,之前查过一次资料,这个去耦电容的有效距离好像是2厘米。

图5 滤波电路
4、下载电路
凌智君为了将整个电路简单化,单片机采用最简单的
下载方式,SWD下载,下载器在淘宝店有提供,并且开源设计资料,只需要四根线或者三根线即可下载,在这个地方提醒下,这个上拉电阻和下拉电阻对下载比较重要,不然会出现下载失败的情况,对STM32来说,这两个电阻可有可无。

图6 下载电路
5、供电电路
MINI-GD32F103C8T6 凌智基础开发板采用迷你USB进
行供电,并且在电路中串联了自恢复保险丝进行保护,目前用的保险丝是500mA,采用这个值的原因是,电脑USB输出的最大电流是500mA,可以有效防止电路短路对系统造成损坏。

图7 供电电路
6、稳压电路
单片机的供电是3.3V,而USB供电是5V,因此需要使
用稳压芯片是AMS1117 3.3v,将电源稳压至3.3V,给系统进行供电。

图8 稳压电路
7、指示电路
为了比较方便的验证电源电路正常,凌智君在基础开
发板上面设计了两个电源指示灯,只要供电正常,电源灯正常工作,比较方便验证。

图9 指示电路
8、唤醒按键
GD32F103 有低功耗模式,这个电路的设计主要为了验
证低功耗功能,后期的实验有专门的讲解,在此不多做介绍。

图10 唤醒按键
9、BOOT电路
在芯片上面有BOOT0和BOOT1设置,这两个引脚主要
作用是:在芯片复位后,这两个引脚的电平决定了芯片里面的程序从哪个区域开始执行。
(1)BOOT1=x BOOT0=0 从用户闪存启动,这是正常的工作模式。
(2)BOOT1=0 BOOT0=1 从系统存储器启动
(3)BOOT1=1 BOOT0=1 从内置SRAM启动。

图11 BOOT电路
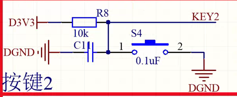
10、按键电路
按键电路和复位电路的设计方案是一致的,默认状态
是高电平,当按键按下时,引脚会输入低电平,此时确认是按键按下,具体配置方法在后期教程中会进行讲解。

图13 按键电路
11、LED指示电路
在基础版中,一共设置了四路LED控制电路,这样的
设置方式主要是配合后期的实战教程,在这个电路中,由于单片机引脚的最大电流大约在20ma,直接控制LED亮灭也可以,但是亮度不够,在此电路设计中,使用一个三极管当开关使用,单片机控制三极管的导通与关断,直接控制给LED 5V电源,提高亮度。

图14 LED电路
12、采样电路
在本教程中,涉及到关于采样电路的相关讲解,因此在硬件设计电路中,设有一个点位器,通过调节电位器的值,控制AD采样接口的电压值,实现AD转换的线性变化,具体请见后期相关教程。

图15 采样电路
13、存储电路
在本次的基础教程中,会涉及到对Flash和EEPROM的
操作,在外设电路中增加存储器电路,通过IIC协议对其进行操作,实现控制,具体操作方法详见源码讲解。

图16 EEPROM电路
14、串口
在基础版电路设计中,主要采用串口通信方式验证源
码的正确与否,在基础教程中,对串口只进行简单的讲解,在提高篇中,会对串口的各种收发方式进行详细讲解,只需要接一个TTL转USB模块,与串口进行通信,即可实现对程序的监控,模块在淘宝店中有链接,并提供原理图及教程。

图17 串口电路
15、蜂鸣器
蜂鸣器的控制原理与LED的控制原理一致,在此不进行多余的讲解了。

图18 蜂鸣器
16、接口
在基础开发板上,除了将一些必要的外设引脚引出,同时也将所有的芯片引脚引出,开发者可以根据自己需求进行控制,同时设有多路电源,方便为外设供电等。

图19 接口
三、本章总结
本章中主要是对基础开发板的硬件电路进行讲解,初学者可以根据方案进行设计,对于一些外设的使用方法,在后期教程中会进行详解。
淘宝链接:
https://item.taobao.com/item.htm?spm=a1z10.5-c.w4002-13627328884.10.19e2550aPRKWUh&id=663637756893
(GD32F103基础学习开发板 核心板 提供例程及指导教程)
凌智君的联系方式如下:
QQ:
2228398717
微信:

微信公众号:

2447

被折叠的 条评论
为什么被折叠?



