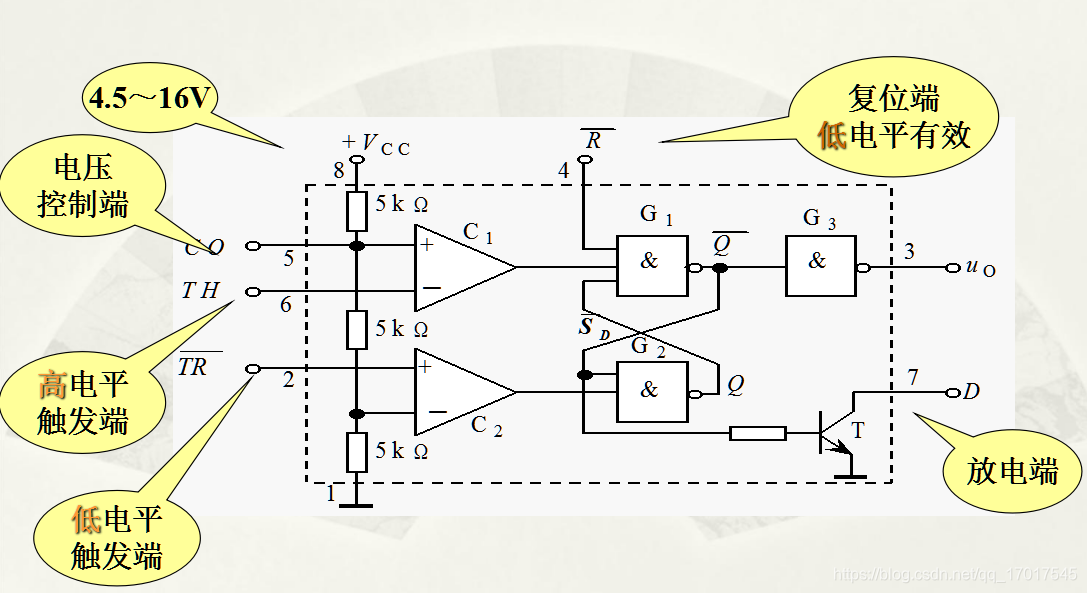
什么是555定时器?
它是一种应用方便的中规模集成电路, 广泛用于信号的产生、变换、控制与检测。 因为它是3个5KΩ电阻分压,所以被叫做555定时器

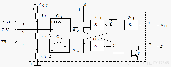
原理分析:R非是复位端,置0时,Q为0,Q非为1,则Uo输出为0,同时Q非为1加在三极管T的基极,三极管处于导通状态
①R=0时,Q=1,uo=0,T饱和导通。
②R=1(此时没有复位功能)、UTH>2VCC/3、UTR>VCC/3时,C1=0、C2=1,Q=1、Q=0,uo=0,T饱和导通。(分析:C1的正输入端为2VCC/3,C1的负输入UTH端大于正输入端,工作在饱和状态, 输出0;C2的负输入端为1VCC/3,C2的负输入端小于正输入端UTH,输出1,RD和SD上面有一横,代表低电平有效,意义是ReSet,C1输出0,RD有效,则Q为0,Q非为1,Uo输出为0,同时Q非作用于三极管基极,三极管导通)
③R=1、UTH<2VCC/3、UTR>VCC/3时,C1=1、C2=1,Q、Q不变,uo不变,T状态不变。(分析同上)
④R=1、UTH<2VCC/3、UTR<VCC/3时,C1=1、C2=0,Q=0、Q=1,uo=1,T截止。(分析同上)
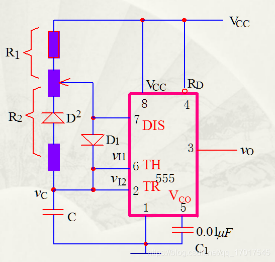
由555定时器构成的多谐振荡器


分析:首先电源VCC通过R1和R2给C电容充电,首先电容的电压肯定比较小,小于 1VCC/3,同样C1正端是2VCC/3,C2负端1VCC/3,TH和TR端是连接在一起的,刚开始是小于 1VCC/3,此时C1输出1,C2输出0,此时置位端有效(带详细确认),Q为1,Q非为0,uo为1,三极管截止,输出高电平。此时,电源仍然给电容充电,当TH和TR端是连接在一起的那点小于2VCC/3大于1VCC/3,C1输出1,C2输出1,三极管导通,uo为1,当电容大于2VCC/3的时候,此时C1输出0,C2输出1,此时Q为0,Q非为1,uo为0,输出低电平,三极管导通状态,电容会 通过7脚进行放电,放电之后,TH和TR连接在一起的点的电压会慢慢减小,小于2VCC/3大于1VCC/3,之后又会小于 1VCC/3,重复,构成多谐振荡器。
第一个暂稳态的脉冲宽度tp1,即
uc从VCC/3充电上升到2VCC/3所需的时间:(通过两个电阻充电)

第二个暂稳态的脉冲宽度tp2,
即uc从2VCC/3放电下降到VCC/3所需的时 间:


占空比:高电平占整个周期的时间。

由此可知它的占空比始终大于50%
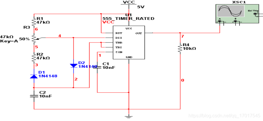
占空比可调的电路(增加一个可调电阻)

可计算得:
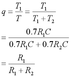
T1=0.7R1C (T1为充电时间)
T2=0.7R2C(T2为放电时间)
总时间 T=T1+T2=0.7(R1+R2)C
所以R1、R2、C确定, 那么周期T,也就确定了
占空比:

占空比可调电路设计
题目、产生1KHz,占空比可调电路

原理分析:T = 0.7(R1+R2)C , f = 1/T ,占空比只需要调整阻值搭配。
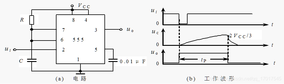
555定时器构成单稳态触发器
工作特性:
① 它有稳态和暂稳态两个不同的工作状态;
② 在外界触发脉冲作用下,能从稳态翻转到暂稳态,在暂稳态维持一段时间以后,电路能自动返回稳态;
③ 暂稳态不能长久保持,其维持时间的长短取决于电路自身参数,与外界触发脉冲无关。

那么单稳态电路原理是怎样的呢?


原理分析: 首先ui即TR端是高电平,肯定大于1VCC/3,此时C2正大于负,C2输出1,电源通过R给电容C充电,首先充电电压小于1VCC/3(TH),CO电压等于2VCC/3,C1输出1,此时为保持状态,假设在给电路上电之前,同过R非复位端复位,则uo输出为0,那么此时仍然保持之前的状态输出为0,同时Q非为1,三极管导通,电容通过7脚放电,uc为零电平。某一时刻,我通过ui一个下降沿触发,ui此时为低电平,C1仍然输出1,C2输出为0,Q为1,Q非为0,uo输出1(高电平),三极管已经处于截止状态,VCC可以给电容充电(uc越来越大) ,当充到小于2VCC/3大于1VCC/3时,假设TR端又回到原来的状态(高电平) ,此时C1输出1,C2输出1,此时uo保持原来状态,仍然为1,三极管处于截止状态 ,当充到大于2VCC/3的时候,C2仍然为1,C1输出为0,Q为0,Q非为1,uo为0, 三极管导通,处于放电状态,uc越来越小。
特点:
1、只要给一个低电平的触发信号,那么暂稳态的停留时间为电压0V~ 2Ucc/3 的充电时间(图中tp所示时间)。
2、充电时间Tp=1.1RC
3、由此可以用它做一个定时电路,时间由RC可确定
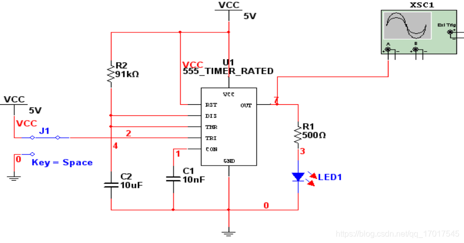
定时电路设计.
题目:设计一个延时1S的电路

1369

被折叠的 条评论
为什么被折叠?



