一、传统像素操作
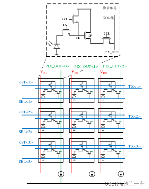
传统CMOS图像传感器的芯片架构中,像素的控制信号从水平方向驱动,像素的源极跟随器输出电压垂直地输出到位于顶部和底部的模拟前端读出电路,其具体实现方式如下图所示,其中RST, TX和SEL是像素水平控制信号,像素输出电压PIX OUT垂直地传输到读出电路。

传统的4T像素的控制时序如下图所示。行时间(line-time)的定义是传感器控制和读出一个像素行的单位时间。在一个行时间内,传感器对4T像素需要进行三种操作:
- 复位FD,读出电路采样像素FD复位后的电压。
- 电荷转移,转移后读出电路采样曝光信号电压。
- 开始下一行的曝光。

对于行时间的第一部分,行译码器指向地址<N>,像素控制操作完成对第N行的FD
本文详细介绍了CMOS图像传感器的传统像素操作和流水线方式的像素操作,包括控制信号流水线和bitline流水线。流水线技术通过优化RST、TX信号的时序,提高了传感器的帧频,解决了传统操作中行控制信号传输延迟和电荷转移时间的问题。通过引入额外的行译码器地址和列总线,进一步提升了像素阵列操作速度和垂直传输信号带宽。
订阅专栏 解锁全文
92

被折叠的 条评论
为什么被折叠?



