叫我胡萝卜就好
码龄10年
关注
提问 私信
  • 博客:28,128
    28,128
    总访问量
  • 8
    原创
  • 2,302,908
    排名
  • 31
    粉丝
  • 0
    铁粉
IP属地以运营商信息为准,境内显示到省(区、市),境外显示到国家(地区)
IP 属地:广东省
  • 加入CSDN时间: 2015-03-18
博客简介:

qq_26681609的博客

查看详细资料
个人成就
  • 获得24次点赞
  • 内容获得9次评论
  • 获得163次收藏
创作历程
  • 8篇
    2022年
成就勋章
创作活动更多

超级创作者激励计划

万元现金补贴,高额收益分成,专属VIP内容创作者流量扶持,等你加入!

去参加
  • 最近
  • 文章
  • 代码仓
  • 资源
  • 问答
  • 帖子
  • 视频
  • 课程
  • 关注/订阅/互动
  • 收藏
搜TA的内容
搜索 取消

永磁电机MTPA控制

MTPA控制
原创
发布博客 2022.07.09 ·
4593 阅读 ·
5 点赞 ·
1 评论 ·
19 收藏

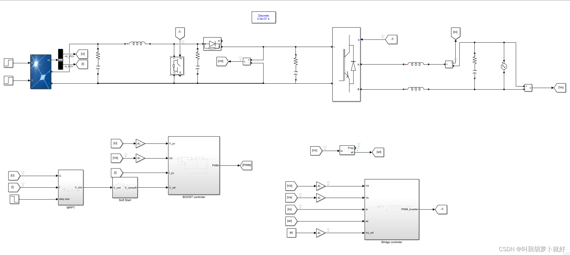
单相PV逆变并网

单相PV并网
原创
发布博客 2022.07.09 ·
1273 阅读 ·
2 点赞 ·
1 评论 ·
9 收藏

PLL锁相环simulink仿真

PLL技术在电力电子的应用
原创
发布博客 2022.06.28 ·
5156 阅读 ·
3 点赞 ·
1 评论 ·
31 收藏

单相PVmppt并网

MPPT实现光伏并网
原创
发布博客 2022.06.27 ·
669 阅读 ·
0 点赞 ·
0 评论 ·
3 收藏

BOOST双闭环控制simlulink仿真

boost电路控制
原创
发布博客 2022.06.24 ·
5090 阅读 ·
3 点赞 ·
2 评论 ·
31 收藏

SPWM中三次谐波注入幅值的计算

SVPWM
原创
发布博客 2022.06.21 ·
4085 阅读 ·
3 点赞 ·
0 评论 ·
21 收藏

永磁同步电机的恒转矩矢量控制

永磁同步电机FOC
原创
发布博客 2022.06.20 ·
2438 阅读 ·
2 点赞 ·
0 评论 ·
7 收藏

simulink可控励磁同步电机模型分析

他励同步电机模型分析
原创
发布博客 2022.06.15 ·
4714 阅读 ·
6 点赞 ·
4 评论 ·
42 收藏