数组的定义
数组是由n(n≥1)个相同类型的数据元素构成的有限序列,每个数据元素称为一个数组元素,每个元素在n个线性关系中的序号称为该元素的示标,下标的取值范围称为数组的维界。数组与线性表的关系:数组是线性表的推广。一维数组可视为一个线性表;二维数组可视为其元素也是定长线性表的线性表。数组只会有存取元素和修改元素的操作。
数组的存储结构
一维数组
- 以一维数组A[0…n-1]为例,其存储结构关系式为
LOC(ai)=LOC(a0)+ixL(0≤i<n)。
二维数组
-
按行优先存储
-
基本思想
- 先行后列,先存储行号较小的元素,行号相等先存储列号较小的元素。
-
存储结构
- 设二维数组的行下标与列下标的范围分别为[0,h1]与[0,h2],则存储结构关系式LOC(ai,j)=LOC(a0,0)+[ix(h2+1)+j]xL。
-
-
按列优先存储
-
基本思想
- 先列后行,先存储列号较小的元素,列号相等先存储行号较小的元素。
-
存储结构
- 设二维数组的行下标与列下标的范围分别为[0,h1]与[0,h2],则存储结构关系式LOC(ai,j)=LOC(a0,0)+[jx(h1+1)+i]xL。
-
特殊矩阵的压缩存储
压缩存储定义
- 指为多个值相同的元素只分配一个存储空间,对零元素不分配存储空间。其目的是节省存储空间。
特殊矩阵定义
- 指具有许多相同矩阵元素或零元素,并且这些相同矩阵元素或零元素的分布有一定规律性的矩阵。常见的特殊矩阵有对称矩阵、上(下)三角矩阵、对角矩阵等。
特殊矩阵的压缩存储方法
- 找出特殊矩阵中值相同的矩阵元素的分布规律,把那些呈现规律性分在的值相同的名个矩阵元麦压缩存储到一个存储空间中。
对称矩阵
-
定义
- 若对一个n阶方阵A[1…n][1…n]中的任意一个元素ai,j都有ai,j=aj,i(1≤i,j≤n),则称其为对称矩阵。对于一个n阶方阵,其中的元素可以划分为3个部分,即上三角区、主对角线和下三角区。
-
表达式

三角矩阵
-
下三角矩阵
-
定义
- 上三角区的所有元素均为同一常量。其存储思想与对称矩阵类似,不同之处在于存储完下三角区和主对角线上的元素之后,紧接着存储对角线上方的常量一次,故可以将下三角矩阵A[1…n]{1…n]压缩存储在B[n(n+1)2+1]中。
-
表达式

-
-
上三角矩阵
-
定义
- 下三角区的所有元素均为同一常量。只需存储主对角线、上三角区上的元素和下三角区的常量一次,可将其压缩存储在B[n(n+1)/2+1]中。
-
表达式

-
三对角矩阵
-
定义
- 对于n阶方阵A中的任一元素aj,当i-jl>1时,有aj=0(1≤i,j≤n),则称为三对角矩阵,如图3.24所示。在三对角矩阵中,所有非零元素都集中在以主对角线为中心的3条对角线的区域,其他区域的元素都为零。
-
存储结构
- 三对角矩阵A也可以采用压缩存储,将3条对角线上的元素按行优先方式存放在一维数组B中。
-
由i,j计算下标k
- k=2i+j-3
-
由k计算i,j
- i=(k +1)/3+1,j=k-2i+3。
稀疏矩阵
-
定义
- 矩阵中非零元素的个数t,相对矩阵元素的个数s来说非常少,即s>>t的矩阵称为稀疏矩阵。
-
举例
-
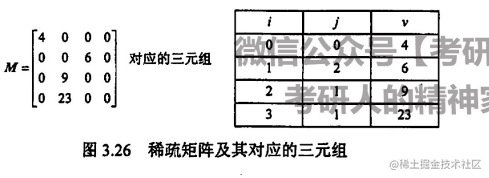
例如,一个矩阵的阶为100x100,该矩阵中只有少于100个非零元素。若采用常规的方法存储稀疏矩阵,则相当浪费存储空间,因此仅存储非零元素。但通常零元素的分布没有规律,所以仅存储非零元素的值是不够的,还要存储它所在的行和列。因此,将非零元素及其相应的行和列构成一个三元组(行标,列标,值),如图3.26所示。然后按照某种规律存储这些三元组。稀疏矩阵压缩存储后便失去了随机存取特性。

-
594

被折叠的 条评论
为什么被折叠?



