影子才是本体
码龄7年
关注
提问 私信
  • 博客:95,315
    95,315
    总访问量
  • 39
    原创
  • 28,779
    排名
  • 136
    粉丝
  • 0
    铁粉

个人简介:最是人间留不住,朱颜辞镜花辞树

IP属地以运营商信息为准,境内显示到省(区、市),境外显示到国家(地区)
IP 属地:广东省
  • 加入CSDN时间: 2017-11-12
博客简介:

qq_41034231的博客

查看详细资料
  • 原力等级
    当前等级
    3
    当前总分
    275
    当月
    1
个人成就
  • 获得172次点赞
  • 内容获得43次评论
  • 获得746次收藏
创作历程
  • 7篇
    2024年
  • 7篇
    2023年
  • 5篇
    2022年
  • 6篇
    2021年
  • 16篇
    2020年
成就勋章
TA的专栏
  • 数字电路设计
    16篇
  • Notes
    5篇
  • Tips
    3篇
兴趣领域 设置
  • 硬件开发
    硬件架构
创作活动更多

2024 博客之星年度评选报名已开启

博主的专属年度盛宴,一年仅有一次!MAC mini、大疆无人机、华为手表等精美奖品等你来拿!

去参加
  • 最近
  • 文章
  • 代码仓
  • 资源
  • 问答
  • 帖子
  • 视频
  • 课程
  • 关注/订阅/互动
  • 收藏
搜TA的内容
搜索 取消

Excel将混乱的多行做成1列

将公式分开写出来,然后用&号去连接,得到公式文本(如=MID(M1,1,3))后,将文本复制到txt,再粘贴回来excel就可以了。Mid(m1,n,3),意思就是对m1单元格,从第n个字符开始,截取3个字符出来。首先用textjoin函数将文本包起来,做成一个超长文本。目标是将数据按从左到右,再从上到下排成一列。可以用脚本,也可以用excel。这个公式如何自动生成,我用的是vim宏操作。
原创
发布博客 2024.12.27 ·
446 阅读 ·
1 点赞 ·
0 评论 ·
0 收藏

[Note] 功耗优化策略(模块级)

如果大型组合逻辑的输入一直在翻转,那么组合逻辑还是会有大量功耗,因此,如果组合逻辑很大,考虑在不使用该组合逻辑的时候,用en信号把组合逻辑输入钳制在固定电平,0或者1都可以,但是,要明确的是,钳制也是要资源的,因此,前提是这个组合逻辑足够大,才性价比比较高。Spyglass,可以在rtl阶段,将功耗分为时序逻辑功耗,组合逻辑功耗,时钟功耗,根据不同的功耗点,制定有针对性的功耗策略,才是对症下药。有时候,reg不翻转,但是时钟网络上也有功耗,所以,时钟网络也gating掉,就可以节省比较多的功耗。
原创
发布博客 2024.12.09 ·
929 阅读 ·
7 点赞 ·
0 评论 ·
10 收藏

什么是“积极主动”

什么是“积极主动”——《高能效人士的七个习惯》启发 《高能效人士的七个习惯》这本书的写作目的,主要是阐述七个能够让人变得“高能效”的习惯,其中第一个就是积极主动。积极主动,在书中是如此定义的,“积极主动不仅指行事的态度,还意味着人一定要对自己的人生负责。个人行为取决于自身的抉择,而不是外在的环境,人类应该有营造有利的外在环境的积极性和责任感。”作者如此阐述的“积极主动”,与我平常理解的有所不同。 我以往理解的积极主动,是接近于“主动突破,主动进取”的概念,而书中描述的
原创
发布博客 2024.11.07 ·
417 阅读 ·
4 点赞 ·
0 评论 ·
9 收藏

怎么理解傅里叶变换

原创
发布博客 2024.10.12 ·
124 阅读 ·
1 点赞 ·
0 评论 ·
0 收藏

[Note]ICG(时钟门控)为什么是用setup和hold检查

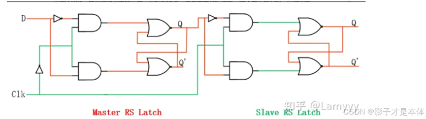
那就先看 Master 锁存器是如何对输入数据进行锁存的,数据的路径如下图中的红线所示,当时钟 Clk 为 0 时,数据从 D 输入(假设数据输入为 0)经过反相器历时 t1,数据变成 1,经过与门历时 t2 数据变成 1,再经过或非门历时 t3,由于此时数据为 1,所以经过或非门 Q 端输出为 0,Q 端输出又作为下面的或非门输出为 1,并且在此历时 t4,最终在 Q 端输出 0,此时数据便顺利被锁存起来。触发器的hold时间,是clk到与门的时间晚于D到与门的时间,导致的hold时间。
原创
发布博客 2024.07.11 ·
1444 阅读 ·
16 点赞 ·
0 评论 ·
24 收藏

[Note]笔USI协议中Hash的应用

为了加快出墨的速度,USI controller内置一个information cache,存储已经配对过的笔的信息,然后,controller将这些信息计算得到一个code,code是比较短的,笔也将自己的信息计算得到一个code,controller会用get hash包去得到笔的code,通过比较controller的code和笔的code是否一致,就可以得知这根笔的信息是不是已经存在controller的cache里面了,如果已经存了,就可以跳过配对操作,加快出墨的速度。的输出字符串的过程。
原创
发布博客 2024.01.24 ·
1047 阅读 ·
20 点赞 ·
0 评论 ·
22 收藏

[Note]vcs仿真非阻塞赋值失效;时钟与数据竞争问题;

参考文章:
转载
发布博客 2024.01.02 ·
401 阅读 ·
0 点赞 ·
0 评论 ·
0 收藏

[Note]Excel如何在无规律字符左端补零补齐到对应位数

公式:
原创
发布博客 2023.12.27 ·
722 阅读 ·
7 点赞 ·
0 评论 ·
8 收藏

[Note]对于补码的思考

因此,补码的出现,其实是依靠了溢出的机制,计算x+(-y),应该说是先让第一个乘数x溢出,然后再加x-y+1,得到补码,所以, (7-x)+(x-y+1)=8-y,因此-2的补码等于8-2=6,二进制1_110,-7的补码等于8-7=1,二进制1_001。我想先举一个例子,二进制中,假设我们用3个位表示3,对应二进制是011,2对应的二进制是010,2+3,对应的是011+010=101,对应的二进制是5。我们常说补码是源码取反加1,实际上取反,就是7-y的操作,取反加1就是7-y+1,等于8-y。
原创
发布博客 2023.12.04 ·
408 阅读 ·
8 点赞 ·
0 评论 ·
11 收藏

[Note]对于CRC的思考

如果传输过程中发生出错,154可能会变成一个随机数,如果变成的这个随机数也可以整除7,那么此次校验就失败了,那么,直观上看,000~999之间,能够找到一个被7整除的数字的概率是1/7,我们就可以初步地认为这个除数7的传输错误率为1/7。但是,除了除数的大小之外,除数本身的特性也是会影响出错概率的,例如除数7和除数8,如果传输数据154出错了,假设它只有最高位出错,那么对于除数7,只有854能整除7,而对于除数8,354、554、754、954都可以整除8,因此,除数本身的性能也是要考虑的因素。
原创
发布博客 2023.11.30 ·
425 阅读 ·
8 点赞 ·
0 评论 ·
8 收藏

[Note]时钟门控的时序检查

时钟门控,一般有几种类型。这几种门控的时序检查方式并不一样,一般设计上都会采用icg,以规避时序违例带来的毛刺问题。参考。
原创
发布博客 2023.10.24 ·
250 阅读 ·
0 点赞 ·
0 评论 ·
0 收藏

[Note] 汉明码与汉明距离的思考

汉明距离,定义是两个码字之间的不同的位的数量,例如4’b0000和4’b0011的汉明距离为2,4’b0000和4’b1110的汉明距离为3。一种编码方式的(最小)汉明距离,它的定义就是,这套编码方案中,任意两个编码的码字之间的汉明距离,最小值是多少。我们可以在2^n个可用的码字中间选择一些码字来对信源符号进行编码,把这些码字称为合法码字,而其他没有使用的码字称为非法码字。
原创
发布博客 2023.10.24 ·
1834 阅读 ·
5 点赞 ·
1 评论 ·
19 收藏

[Note]CDMA的分离码

另外,如果使用walsh码,它的第一行全为1,表示它的波形都是一样的,那么在RX端,就有可能得到全1的幅值叠加的波形,此时会加大电路中ADC的设计难度。:walsh码的性能好,但是在电路实现上,可能选择是矩阵第一行循环左移产生的矩阵,因为它的可实现性更好,且性能可能也不会差太多(看实际效果)。一般情况下,B会是A的逆矩阵,但是在实际实现的时候,可能会用其他方式来实现这个计算,例如移位或者说是截位的方式。:正交码的互相关性为0,准正交码的互相关性大于0,在主要关注可分离性的情况下,码的互相关性越小越好。
原创
发布博客 2023.10.19 ·
104 阅读 ·
0 点赞 ·
0 评论 ·
0 收藏

Excel_字母数字混合排序(数字不符合预期)的一种解决方法

如果选择性粘贴,跳过空单元的时候没有成功,原列有被空白内容覆盖的情况,那么可以对复制列进行两次替换,来解决问题。如何对上述信号进行排序,如果直接用excel进行A-Z排序,就只会得到跟表中同样的结果。那么对几个形式不同的任意文本进行ctrl e,就可以提取,如果这样写,在如下方格按下ctrl e还是不能识别正确。再对有填充0的那一列排序,右边的列得到最终结果。用ctrl E继续提取数字前和数字后的文本。1、 将文本中的最左边的数字提取出来。,会排成1、10、11、2……如:想提取文本的最左边的数值。
原创
发布博客 2023.09.22 ·
481 阅读 ·
0 点赞 ·
0 评论 ·
0 收藏

uvm实战 zhangqiang code

发布资源 2022.10.14 ·
rar

[Tips] moore状态机和mealy状态机名字的由来

在学习状态机的时候,大概率都能看到书上写的是moore状态机和mealy状态机。然后就开始阐述这2个状态机的异同。我这个人有个毛病,看到名词,我就喜欢研究它的出处,比如看到FSM,我就希望知道FSM是Finite State Machine。我看到moore和mealy,就像知道它们是怎么来的,为什么叫做moore和mealy,经过一番搜索,找到了眉目。HistoryThe Mealy machine is named after George H. Mealy, who presented the con
原创
发布博客 2022.07.06 ·
703 阅读 ·
4 点赞 ·
3 评论 ·
1 收藏

[Tips] 电路设计者可能的学习渠道

EETOP:各路网友提供大量学习资料、书籍、datasheet、课程、讨论等等CSDN:各路网友提供大量学习资料、书籍、datasheet、课程、讨论等等博客园:各路网友提供大量学习资料、书籍、datasheet、课程、讨论等等面包板论坛:各路网友提供大量学习资料、书籍、datasheet、课程、讨论等等电子发烧友:各路网友提供大量学习资料、书籍、datasheet、课程、讨论等等谷粉学术:专门搜索国外论文,根据DOI搜索中国知网:专门搜索国内论文Sci-hub:专门搜索国外论文鸠摩搜书:专门搜索书籍、书本
原创
发布博客 2022.06.29 ·
1403 阅读 ·
1 点赞 ·
0 评论 ·
4 收藏

数字14 AES高级加密协议的动机阐述

最近在学习AES高级加密协议,我想写一篇文章阐述AES的各个操作的动机,也以此督促自己多多思考,多记录。 如果不清楚AES的操作是什么。可以参考这个博文,或者到最后我简单的说明。AES加密算法的详细介绍与实现_TimeShatter的博客-CSDN博客_aesAES加密算法的详细介绍与实现_TimeShatter的博客-CSDN博客_aes 我想阐述的是,AES的每个操作的理由,即为什么。参考文档:《密码编码学与网络安全 原理与实践》第6版 ,斯托林斯著 首先,我想以自己的
原创
发布博客 2022.06.24 ·
392 阅读 ·
0 点赞 ·
0 评论 ·
1 收藏

数字13 DFT scan chain test科普

DFT scan chain 介绍 现代集成电路的制造工艺越来越先进,但是在生产过程中的制造缺陷也越来越难以控制,甚至一颗小小的 PM2.5 就可能导致芯片报废,为了能有效的检测出生产中出现的废片,需要用到扫描链测试(scan chain),由此产生了可测性设计即 DFT flow。 注意scan test 只能检测出制造瑕疵,无法检测芯片功能瑕疵。 在芯片功能设计完成后,整个网表是由一堆普通的寄存器和组合逻辑构成的。扫描链的插入就是指将普通寄存器替换成为扫描...
转载
发布博客 2022.05.06 ·
2260 阅读 ·
13 点赞 ·
1 评论 ·
46 收藏

数字12 设计小记

Spare cell是闲置逻辑单元的意思,在想要添加简单功能时,后端人员简单修改网表中的spare cell后可直接进行place&route,不需要重复进行综合。例如,想要在电路中添加一个与门,直接将一个spare cell在网表中改成与门,然后对应连线,就可以实现功能。超前进位对于计数器,提高其工作频率的方法之一,是进行超前进位操作。例如,对于一个32位的计数器,可以分为2个16位的计数器,低位的计数器在计数至0xfffe时,产生一个进位信号送到一个D触发器,在低位的计数器全
原创
发布博客 2022.03.30 ·
453 阅读 ·
0 点赞 ·
1 评论 ·
0 收藏
加载更多