主控芯片为STM32F103C8T6
Arduino 的库确实多

代码也挺简单的,没有多少行。
这个项目主要是想学硬件。
经过验证作者提供了两个版本的源代码,第一版能成功编译,第二版有变量名定义错误,还比较多。经过更改后仍可使用。
输入输出

SMAJ30A:瞬态抑制二极管
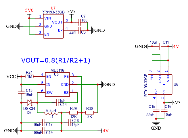
供电部分

最上 5V0 部分供电是预备留用的,并没有用到!
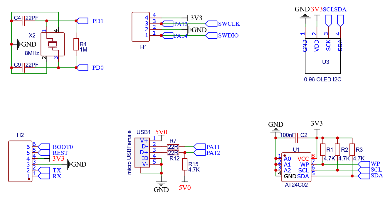
部分检测口

- PA0:D+电压采样
- PA3:D- 电压采样
- PA4:热敏电阻采样
- PA5:输出电压采样
- REST:上电自复位
- PA15:KEY1
- PB4:KEY2
- PB10:KEY3
- PB1:KEY4
电流采样


- PA1:大电流采样
- PA2:小电流采样
- PB9:大电流控制
- PB8:小电流控制
OPA2333:运算放大器芯片
啊啊啊啊!!真烦,这一部分看不懂啊!!!!
DGND只跟两个 NMOS 管相连。
▶️ 电流检测值为:
map(analogRead(a1),0,4095,0,3270)/101/5
/* 这里实际上是 */
map(analogRead(a1),0,4095,0,3270)/101/(1000*0.005)
▶️ 这样,画了一个示意图:

DGND 的电流 I 流向 GND 时,PA1检测到的电压为:
故,可知电流检测值的公式由来。
很不错,学到了知识点!!!
STM32周围接口

基本都是备用留用的,没有用到!
函数分析
变量定义
//USB测试表
//量程10mA-6.5A
#include <Wire.h>
#include <Adafruit_GFX.h>
#include <Adafruit_SSD1306_STM32.h>
#define OLED_RESET 4
Adafruit_SSD1306 display(OLED_RESET);
byte a1 = PA1; //大电流采样
byte a2 = PA2; //小电流采样
byte dn = PA3; //D-电压采样
byte dp = PA0; //D+电压采样
byte wd = PA4; //NTC采样
byte dy = PA5; //电压采样
byte k1 = PA15; //按键检测
byte k2 = PB4; //按键检测
byte k3 = PB10; //按键检测
byte k4 = PB1; //按键检测
byte M1 = PB9; //大电流控制
byte M2 = PB8; //小电流控制
float V ; //电源电压
float VN ; //D-电压
float VP ; //D+电压
float A ; //电流
int uA ; //电流
float W ; //功率
float R ; //负载
float C ; //温度
int Wh ; //电量
long int T; //时间
long int WT ; //电功
long int i; //时间
byte K1,K2,K3,K4; //按键
byte ms = 0;
电流、电压、功率测量
void VA(){
float vn = map(analogRead(dn),0,4095,0,3300); //D-电压采样
VN = vn*2/1000;
float vp = map(analogRead(dp),0,4095,0,3300); //D+电压采样
VP = vp*2/1000;
float LV = 0;
float LA = 0;
for(byte i = 0; i < 100; i++){
float v = map(analogRead(dy),0,4095,0,3300); //输出电压采样
V = v * 11/1000;
LV = LV + V;
float a = map(analogRead(a1),0,4095,0,3270); //大电流采样
A = a/101/5;
LA = LA + A;
}
V = LV/100; //平均值
A = LA/100;
W = V*A; //功率
if( A > 0){
R = V/A; //电阻
if(R >= 100){ R = 99.99; }
UIT();
}else{
R = 0;
}
if( A > 6.5){ digitalWrite( M1 ,LOW); } //设置大电流控制接口低电平
}
- analogRead(pin):读模拟引脚, 返回0-1023之间的值。
- map(value, fromLow, fromHigh, toLow, toHigh):等比例缩放值。
测量电量
void UIT(){
if(millis() - T > 1000){
T = millis();
WT = WT+W;
Wh = WT/3.6;
}
}
测量温度
void NTC(){
pinMode( wd , INPUT_ANALOG); //模拟量输入
float r = map(analogRead(wd),0,4095,0,3270); //NTC采样
float ntc = (10000 * r)/(3270 - r); //计算NTC值
//K =(3950 * 298.15)/(3950 +(298.15 * log( ntc/ 10000)));
C = (3950 * 298.15)/(3950 +(298.15 * log( ntc/10000))) - 273.15 - 4; //计算温度
}
0.96OLED显示
void SSD1306(){
display.clearDisplay(); //清理1306屏幕,准备显示:
display.setTextColor(WHITE); //设置字体颜色
display.setTextSize(2,2); //设置字体大小,(X,Y)比
display.setCursor( 0 , 0 );
display.print(V);
display.setCursor(62, 0 );
display.print("V");
display.setCursor( 0 , 16 );
display.print(A,3);
display.setCursor( 62, 17 );
display.print("A");
display.setCursor( 0 , 33);
display.print(W);
display.setCursor( 62, 33);
display.print("W");
display.setCursor( 0 , 49);
display.print(R);
display.setCursor( 62, 49);
display.print("R");
display.setTextSize(1);
display.setCursor( 81, 0 );
display.print(C);
display.setCursor(116, 0 );
display.print("C*");
display.setCursor( 81, 8 );
display.print(VP);
display.setCursor(116, 8 );
display.print("D+");
display.setCursor( 81, 17);
display.print(VN);
display.setCursor(116, 17);
display.print("D-");
display.setCursor( 81, 25);
display.print(Wh);
display.setCursor(110, 25);
display.print("mWh");
display.display(); //把缓存都显示
}
初始化
void setup(){
Serial.begin(9600);
pinMode( a1 , INPUT_ANALOG);
pinMode( a2 , INPUT_ANALOG);
pinMode( dn , INPUT_ANALOG);
pinMode( dp , INPUT_ANALOG);
pinMode( wd , INPUT_ANALOG);
pinMode( dy , INPUT_ANALOG);
pinMode( k1 , INPUT_PULLUP);
pinMode( k2 , INPUT_PULLUP);
pinMode( k3 , INPUT_PULLUP);
pinMode( k4 , INPUT_PULLUP);
pinMode( M1, OUTPUT);
pinMode( M2, OUTPUT);
digitalWrite( M1 ,HIGH);
digitalWrite( M2 ,LOW);
display.begin(SSD1306_SWITCHCAPVCC, 0x3C); //OLED通讯地址
display.clearDisplay();
}
循环函数
void loop(){
VA(); //测量各种东西
NTC(); //温度检测函数,应该加高温断电功能的!
KEY(); //按键检测,没用上,相关函数没写
if(millis() - i > 200){ //刷新
i = millis();
SSD1306();
}
}
总结
参考:Adafruit_SSD1306库学习_RenKaixuan0124的博客-CSDN博客_ssd1306库
项目资源,来自于原作者负熵生之光
链接:https://pan.baidu.com/s/1QG5SR7RUGEHU3qOS54ZcHg
提取码:dj85
本项目复刻起来比较容易,软件都是库,主要是硬件问题。
🉑 ㊗️ 学会了电流检测的方法!很棒!!!!!!!!
加油学习!!!
都是自己分析开源项目的一些笔记,如果对您有些帮助,点点赞吧!

4226

被折叠的 条评论
为什么被折叠?



