FPGA自学笔记分享
码龄7年
关注
提问 私信
  • 博客:17,464
    视频:11
    17,475
    总访问量
  • 14
    原创
  • 583,080
    排名
  • 7
    粉丝
  • 0
    铁粉
IP属地以运营商信息为准,境内显示到省(区、市),境外显示到国家(地区)
IP 属地:陕西省
  • 加入CSDN时间: 2018-04-30
博客简介:

qq_42108370的博客

查看详细资料
个人成就
  • 获得9次点赞
  • 内容获得0次评论
  • 获得36次收藏
创作历程
  • 2篇
    2023年
  • 12篇
    2022年
成就勋章
兴趣领域 设置
  • 硬件开发
    fpga开发
创作活动更多

仓颉编程语言体验有奖征文

仓颉编程语言官网已上线,提供版本下载、在线运行、文档体验等功能。为鼓励更多开发者探索仓颉编程语言,现诚邀各位开发者通过官网在线体验/下载使用,参与仓颉体验有奖征文活动。

368人参与 去创作
  • 最近
  • 文章
  • 代码仓
  • 资源
  • 问答
  • 帖子
  • 视频
  • 课程
  • 关注/订阅/互动
  • 收藏
搜TA的内容
搜索 取消

Xilinx DSP48E1仿真学习

调用dsp48e1的源语,通过修改inmode,altmode,opmode来验证dap48e1的功能
原创
发布博客 2023.01.15 ·
640 阅读 ·
0 点赞 ·
0 评论 ·
4 收藏

FPGA的底层资源之DSP48E1的学习

xilinx DSP48E1的学习
原创
发布博客 2023.01.04 ·
1502 阅读 ·
0 点赞 ·
0 评论 ·
2 收藏

xilinx 7系列异步fifo仿真

使用FIFO源语,调用XILINX底层FIFO,对xilinx 7系列异步fifo进行仿真。
原创
发布博客 2022.12.25 ·
764 阅读 ·
0 点赞 ·
0 评论 ·
2 收藏

xilinx BRAM实现FIFO

xilinx 7系列FIFO详解
原创
发布博客 2022.12.07 ·
632 阅读 ·
0 点赞 ·
0 评论 ·
2 收藏

Xilinx 7系列 BRAM概述

xilinx 7系列bram属性及操作
原创
发布博客 2022.12.03 ·
1277 阅读 ·
1 点赞 ·
0 评论 ·
2 收藏

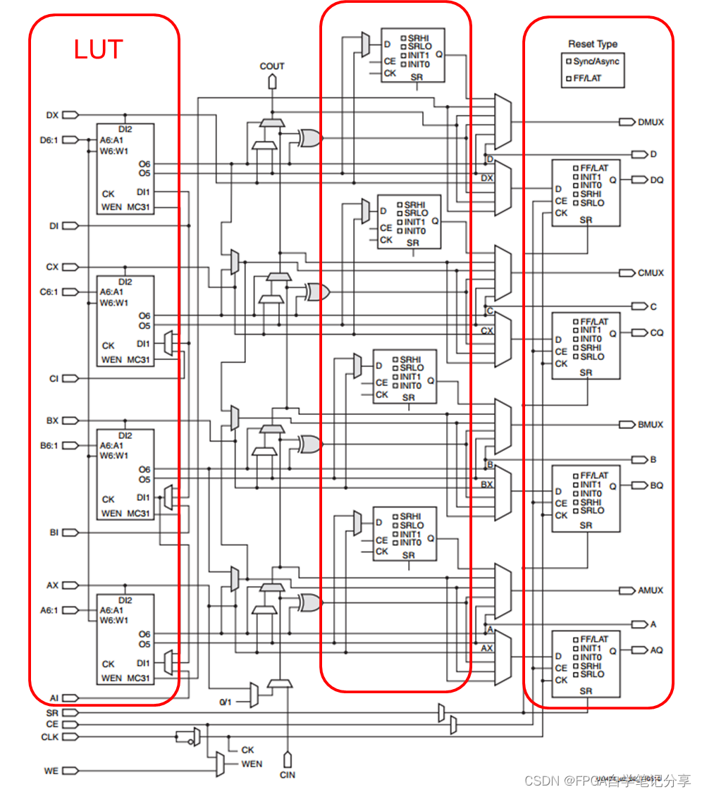
FPGA底层资源之CLB详解

CLB是用于实现时序电路和组合电路的主要逻辑资源。本文记录XIlinx7系列FPGA的CLB常用的场景。
原创
发布博客 2022.11.13 ·
1515 阅读 ·
0 点赞 ·
0 评论 ·
4 收藏

verilog实现除法操作代码及仿真

发布资源 2022.11.05 ·

xilinx 7系列时钟资源

7系列FPGA的时钟体系构架、作用域及CMT
原创
发布博客 2022.11.05 ·
366 阅读 ·
0 点赞 ·
0 评论 ·
4 收藏

了解FPGA底层资源的意义

了解FPGA底层资源对FPGA开发工程师来说至关重要
原创
发布博客 2022.10.23 ·
163 阅读 ·
0 点赞 ·
0 评论 ·
0 收藏

Xilinx 7系列FPGA概述

Xilinx 7系列FPGA概述
原创
发布博客 2022.10.16 ·
2599 阅读 ·
0 点赞 ·
0 评论 ·
7 收藏

FPGA开发需要掌握的verilog语法

verilog常用语法及应用模板
原创
发布博客 2022.10.06 ·
279 阅读 ·
2 点赞 ·
0 评论 ·
0 收藏

单bit多bit跨时钟域verilog代码

发布资源 2022.10.06 ·
zip

二进制和格雷码互换verilog代码

发布资源 2022.10.06 ·
zip

FPGA开发和IC开发如何选

讲述FPGA开发工程师和IC开发工程师的工作内容以及工作前景的区别
原创
发布博客 2022.10.03 ·
1267 阅读 ·
4 点赞 ·
0 评论 ·
3 收藏

verilog实现的大位宽加法器及仿真代码

发布资源 2022.09.28 ·
zip

国产FPGA厂商及产品

国产FPGA厂商比较出名的是紫光、安陆和云源。用过紫光和安陆的片子,虽然和xilinx、intel的片子有一定的差距,但是能够发现国产的器件在越做越好。
原创
发布博客 2022.09.28 ·
4126 阅读 ·
0 点赞 ·
0 评论 ·
3 收藏

国外FPGA主流厂商产品及工具介绍

目前做的最好的应该是Xilinx
原创
发布博客 2022.09.20 ·
2066 阅读 ·
1 点赞 ·
0 评论 ·
4 收藏

初探FPGA

FPGA器件就是一个空白的数字电路板,它可以实现任何你想要的数字逻辑,在这个器件上,只要你能用代码吧想实现的功能写下来,FPGA就能帮你实现对应的功能。2)实时控制:当前FPGA常用的另一个方向就是实时控制,一旦FPGA开始运行代码,它就可以看做是一个定制的ASIC,在时序逻辑下可以clk级别的处理特定逻辑,当FPGA时钟达到500M时,数据处理速度可以达到2ns级,同时,由于FPGA有丰富的布线资源,可以并行进行数据处理,数据处理效率可以达到Gbps。
原创
发布博客 2022.09.18 ·
269 阅读 ·
1 点赞 ·
0 评论 ·
0 收藏

FPGA学习入门

发布视频 2022.09.18
加载更多