文章目录
前言
2023.4.6 小雨
电平/边沿检测/脉冲同步器
FIFO
一、慢时钟域到快时钟域
快时钟域会多次采样,目标时钟频率必须是源时钟频率的1.5倍及以上,才能满足 “三时钟沿” 要求。如果目标时钟频率只是快一点,还是用握手机制。
1、单bit信号
- 边沿检测同步器(详细介绍笔记)
- 分频再同步(频率相差很大)

2、多bit信号
延迟采样法:引入使能信号,先缓存使能信号(三级缓存,前两级缓存,后一级上升沿检测),等输入使能信号有效时再缓存数据
module delay_sample(
input clk1,
input clk2,
inout rst_n,
input [31:0] din,
input din_en,
output dout_en,
output [31:0] dout
);
reg [2:0] din_en_r;
//缓存使能信号
always@(posedge clk2 or negedge rst_n)begin //注意这里是clk2
if(!rst_n)
din_en_r <= 0;
else
din_en_r <= {din_en_r[1:0], din_en};
end
wire din_en_pos = din_en_r[1] & !din_en_r[2];
reg [31:0] dout_r;
reg dout_r;
//输入数据缓存
always@(posedge clk2 or negedge rst_n)begin
if(!rst_n)
dout_r <= 0;
else if(din_en_pos)
dout_r <= din;
end
//输出使能信号
always@(posedge clk2 or negedge rst_n)begin
if(!rst_n)
dout_en_r <= 0;
else
dout_en_r <= din_en_pos;
end
assign dout = dout_r;
assign dout_en = dout_en_r;
endmodule
二、快时钟域到慢时钟域
慢时钟域可能采样不到信号
三时钟沿要求:快时钟域信号宽度必须大于慢时钟域周期的1.5倍以上,也就是持续3个时钟沿以上(包括上升沿和下降沿)
1、单bit信号
- 脉冲同步器/结绳法
2、多bit信号
- 握手机制
三、多bit信号跨时钟域传输
1、多个信号合并
把多个信号合并为1bit信号再跨时钟域传输

2、多周期路径 Multi-cycle Path/MCP
不同步多位数据,只同步一位控制信号
3、使用格雷码
- 如果多bit信号是简单递增或者递减,可以转化为
格雷码,再打两拍到目标时钟域,再解码 - 如果多bit信号没有规律,可以转化为
独热码,再打两拍到目标时钟域,再解码,适合于从慢到快
4、使用异步FIFO
详细介绍:同步FIFO、异步FIFO详细介绍、verilog代码实现、FIFO最小深度计算、简答题
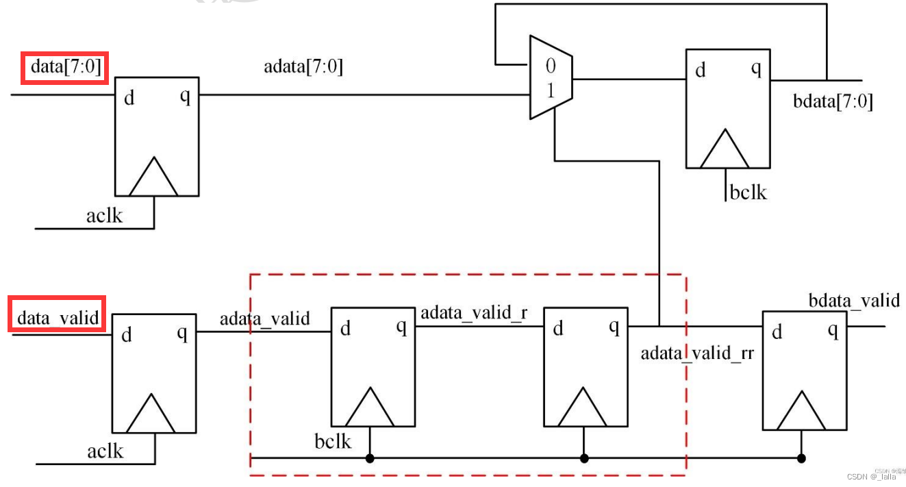
5、使用DMUX电路结构
适用:带有数据标志位的多bit信号跨时钟域传输(和延迟采样法差不多),适合于慢时钟域到快时钟域传播。
如果是快时钟域到慢时钟域,就把红色框内的两级同步器换成脉冲同步器。
adata_valid_rr再打一拍是为了和bdata的数据同步输出。

module mux_synchronizer(
input aclk,
input bclk,
input data_valid,
input rst_n,
input [7:0] data,
output reg [7:0] data_b,
output reg bdata_valid
);
reg data_valid_r, data_valid_rr, data_valid_a;
reg [7:0] data_a;
always@(posedge aclk or negedge rst_n)begin
if(!rst_n)begin
data_valid_a <= 0;
data_a <= 0;
end
else begin
data_valid_a <= data_valid;
data_a <= data;
end
end
always@(posedge bclk or negedge rst_n)begin
if(!rst_n)begin
data_valid_r <= 0;
data_valid_rr <= 0;
end
else begin
data_valid_r <= data_valid;
data_valid_rr <= data_valid_r ;
end
end
/*always@(posedge bclk or negedge rst_n)begin
if(!rst_n)begin
data_valid_b <= 0;
end
else begin
data_valid_b <= data_valid_rr;
end
end*/
always@(posedge bclk or negedge rst_n)begin
if(!rst_n)begin
data_b<= 0;
end
else begin
data_b <= (data_valid_rr) ? data_a : data_b;
end
end
endmodule
6、握手信号传输
四、简答题
1、跨时钟域传输的三种方法
打两拍、异步FIFO、握手信号
2万+

被折叠的 条评论
为什么被折叠?



