
直流微电网系统的构成(一)
直流微电网是一个由直流电源构成的微电网,其中风、光等分布式可再生能源发电系统、储能单元、电动汽车及其他直流用电负荷是直流微电网系统的重要组成部分,各分布式单元通过dc/ac、dcdc等变流环节接入网内。
直流微电网
直流微电网系统模型建立和控制策略
并网逆变器
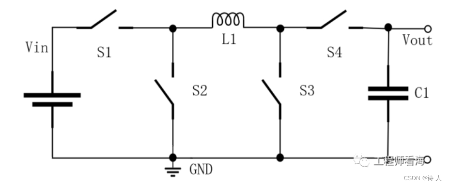
DC/DC
PQ控制 
『技术文档』写作方法征文挑战赛
在技术的浩瀚海洋中,一份优秀的技术文档宛如精准的航海图。它是知识传承的载体,是团队协作的桥梁,更是产品成功的幕后英雄。然而,打造这样一份出色的技术文档并非易事。你是否在为如何清晰阐释复杂技术而苦恼?是否纠结于文档结构与内容的完美融合?无论你是技术大神还是初涉此领域的新手,都欢迎分享你的宝贵经验、独到见解与创新方法,为技术传播之路点亮明灯!
