场效应管
场效应管(FET)是利用输入回路的电场效应来控制输出回路电流的一种半导体器件,并以此命名。由于它仅靠半导体中的多数载流子导电,又称单极型晶体管。场效应管不但具备双极型晶体管体积小、重量轻、寿命长等优点,而且输人回路的内阻高达107~ 102Ω,噪声低、热稳定性好、抗辐射能力强,且比后者耗电省,这些优点使之从20世纪60年代诞生起就广泛地应用于各种电子电路之中。
场效应管分为结型和绝缘栅型两种不同的结构。
1.4.1 结型场效应管
结型场效应管又有N沟道和P沟道两种类型

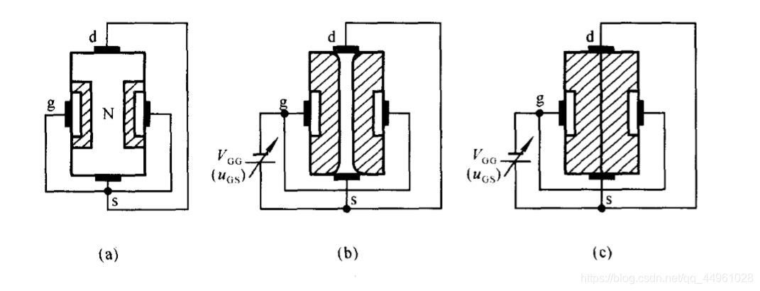
下图是N沟道结型场效应管的结构示意图。图中,在同一块N型半导体.上制作两个高掺杂的P区,并将它们连接.在一起,所引出的电极称为栅极g,N型半导体的两端分别引出两个电极,一个称为漏极d,一个称为源极s。P区与N区交界面形成耗尽层,漏极与源极间的非耗尽层区域称为导电沟道。

结型场效应管的工作原理
1.当uDS=0V(即d、s短路)时,uDS对导电沟道的控制作用,当uDS=0V且uDS=0 V时,耗尽层很窄,导电沟道很宽。

加强VGG,则uGS增大,使得耗尽层变宽,减小了电流通过的大小 。
2.当uGS为uGS(off)>0V中某一固定值时,uDS对漏极电流ip的影响
VDD影响到了漏极和源极两点的电势,使得PN结不对称。产生如下变化:


3.当UCD< uGS(off)时 , uGS对iD 的控制作用
结型场效应管的UGS不可以为负,绝缘栅型场效应管可以
1.4.2绝缘栅型场效应管【MOS管】
N沟道增强型场效应管

g作为栅极处于完全绝缘的状态。
工作原理

UDS =0时 UDS对导电沟道的影响如上图所示。
因为UGS使得栅极带有正电,将电子吸附上去,于是形成了沟道。而沟道的宽度可以控制电流的大小,进而呈现电阻特性。
即UGS决定RDS。
当uGS是大于UGS(th)的一个确定值时,若在d-s之间加正向电压,则将产生一定的漏极电流。此时,uDS的变化对导电沟道的影响与结型场效应管相似。
当uDS较小时,uDS的增大使iD线性增大,沟道沿源-漏方向逐渐变窄,一旦uDS增大到使uCD= UGS(th)(即 uDS= uGS- UGS(th)) 时,沟道在漏极一侧出现夹断点,称为预夹断.

N沟道耗尽型场效应管
如果在制造MOS管时,在SiO2绝缘层中掺人大量正离子,那么即使uGS=0,在正离子作用下P型衬底表层也存在反型层,即漏-源之间存在导电沟道。只要在漏-源间加正向电压,就会产生漏极电流。

uGS为正时,反型层变宽,沟道电阻变小,iD 增大;反之,uGS为 负时,反型层变窄,沟道电阻变大,ip 减小。而当uGS从零减小到一定值时,反型层消失,漏-源之间导电沟道消失,iD=0。 此时的ucs称为夹断电压UGS(OFF)。
1.4.3 场效应管的特性曲线与参数
特性曲线
转移特性曲线:

该曲线出现在横流区

输出特性曲线:



MOS管的知识点比较多,总结较难,还是结合书比较好理解
3254

被折叠的 条评论
为什么被折叠?



