一、RS-485通讯协议的介绍
与CAN类似, RS-485是一种工业控制环境中常用的通讯协议,它
具有抗干扰能力强、传输距离远的特点。 RS-485通讯协议由RS-232协议改进而来,协议层不变,只是改进了物理层,因而保留了串口通讯协议应用简单的特点。
二、RS-485物理层
RS-485与RS-232的差异只体现在物理层上,它们的协议层是相同的,也是使用串口数据包的形式传输数据。而由于RS-485具有强大的组网功能,人们在基础协议之上还制定了MODBUS协议,被广泛应用在工业控制网络中。
RS-485协议主要是把RS-232的信号改进成差分信号,从而大大提高了抗干扰特性。由于RS-485与RS-232的协议层没有区别,进行通讯时,我们同样是使用STM32的USART外设作为通讯节点中的串口控制器,再外接一个RS-485收发器芯片把USART外设的TTL电平信号转化成RS-485的差分信号即可。
三、RS-485连接方式
推荐使用在点对点网络中,线型,总线型,不能是星型,环型网络。理想情况下RS485需要2个匹配电阻,其阻值要求等于传输电缆的特性阻抗(一般为120Ω)。没有特性阻抗的话,当所有的设备都静止或者没有能量的时候就会产生噪声,而且线移需要双端的电压差。没有终接电阻的话,会使得较快速的发送端产生多个数据信号的边缘,导致数据传输出错。连接线路图:
在上面的连接中,如果需要添加匹配电阻,我们一般在总线的起止端加入,也就是主机和设备4上面各加一个120Ω的匹配电阻。
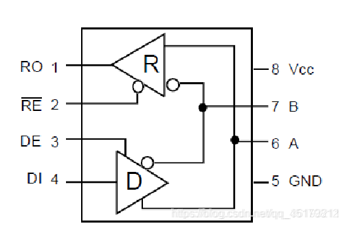
四、 收发器SP3485
图中 A、B 总线接口,用于连接 485 总线。 RO 是接收输出端,DI 是发送数据收入端,RE是接收使能信号(低电平有效),DE 是发送使能信号(高电平有效)。通过该芯片连接串口,配置好串口后就可以进行485通信。
五、实验功能:
两个开发板的485接口以A连接A,B连接B的方式直连。两个开发版的代码启动后,主开发版上,按键KEY0控制W25Q128的写入数据并传至次开发版,且在串口调试助手上面显示相关信息。同时,主开发版实时采集从次开发板传来的数据,也显示在串口调试助手上,LED0闪烁提示程序正在运行;另一个开发版,按键SW4按下后,写入数据并传至主开发板。
六、具体函数
1.初始化485用的串口和收发控制引脚
2.编写中断服务函数
USART_Config(void);
Usart_SendByte( USART_TypeDef * pUSARTx, uint8_t ch);
Usart_SendString( USART_TypeDef * pUSARTx, char *str);
Usart_SendHalfWord( USART_TypeDef * pUSARTx, uint16_t ch);
RS485_USART_Config(void);
RS485_Usart_SendByte( USART_TypeDef * pUSARTx, uint8_t ch);
void RS485_Usart_SendArray( USART_TypeDef * pUSARTx, uint8_t *array, uint16_t num);
RS485_Usart_SendString( USART_TypeDef * pUSARTx, char *str);
RS485_Usart_SendHalfWord( USART_TypeDef * pUSARTx, uint16_t ch);
4259

被折叠的 条评论
为什么被折叠?



