6 DMA
(1)简单介绍
DMA用来提供外设与外设之间,外设与储存器之间,储存器与储存器之间的高速数据传输,无需CPU干预,数据可以通过DMA快速传输,节省CPU的资源。在实现DMA传输时,DMA控制器直接掌控总线,传输结束后还给CPU。
一个完整的DMA过程包括DMA请求,DMA响应,DMA传输,DMA结束四个步骤。

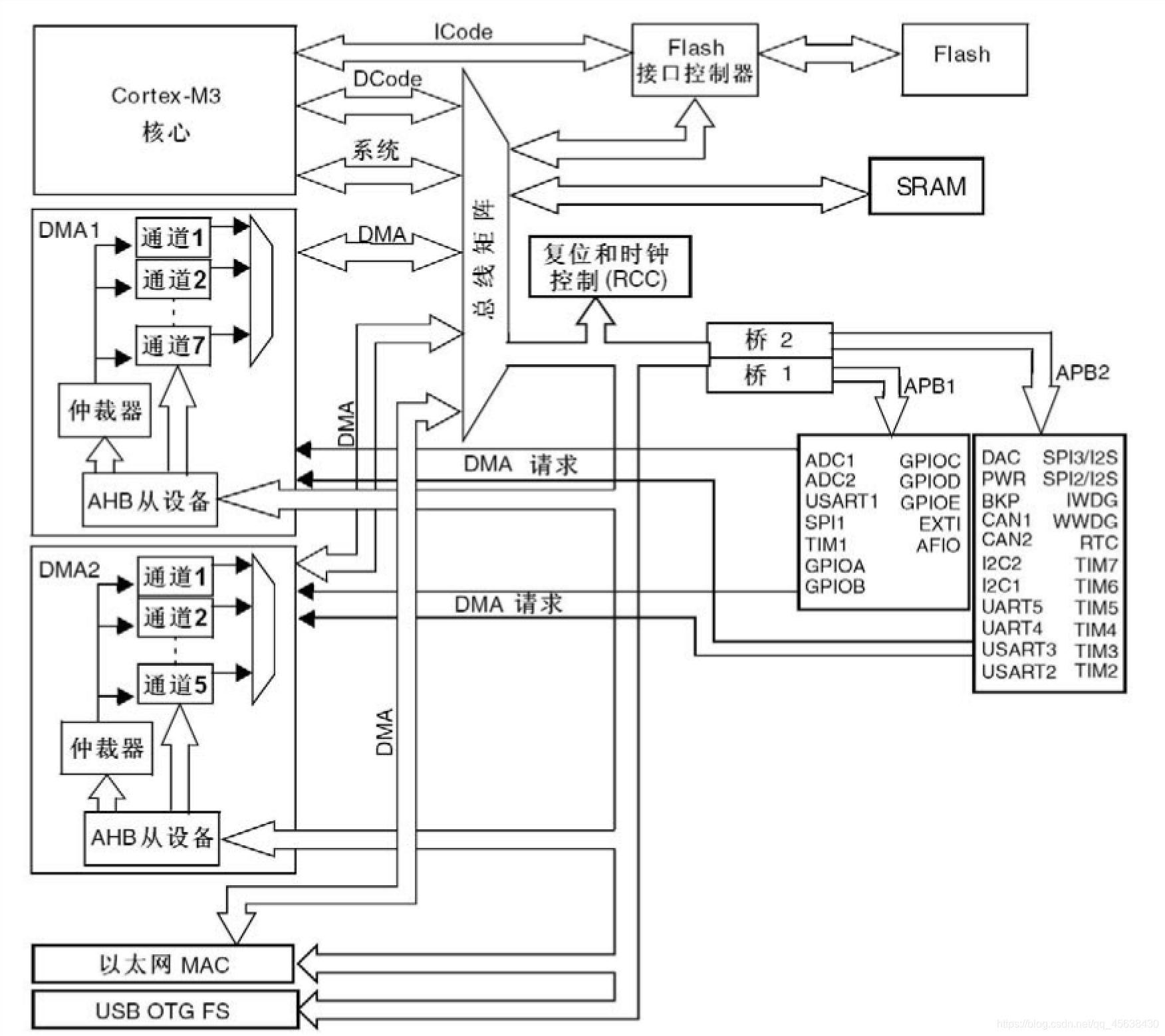
DMA结构框图
STM32最多有2个DMA控制器,DMA1控制器拥有7个独立的可配置通道,DMA2控制器用于5个可配置通道
(2)映射关系
DMA1

DMA2

(3)固件库函数
DMA_Init



(4)示例代码
1 非中断型
这段代码没有写中断处理函数,主函数里调用一次触发一次
#include "dma.h"
DMA_InitTypeDef DMA_InitStructure;
u16 DMA1_MEM_LEN;//保存 DMA 每次数据传送的长度
//DMA1 的各通道配置
//这里的传输形式是固定的,这点要根据不同的情况来修改
//从存储器->外设模式/8 位数据宽度/存储器增量模式
//DMA_CHx:DMA 通道 CHx
//cpar:外设地址
//cmar:存储器地址
//cndtr:数据传输量
void MYDMA_Config(DMA_Channel_TypeDef* DMA_CHx,u32 cpar,u32 cmar,u16 cndtr)
{
RCC_AHBPeriphClockCmd(RCC_AHBPeriph_DMA1, ENABLE); //使能 DMA 时钟
DMA_DeInit(DMA_CHx); //将 DMA 的通道 1 寄存器重设为缺省值
DMA1_MEM_LEN=cndtr;
DMA_InitStructure.DMA_PeripheralBaseAddr = cpar; //DMA 外设 ADC 基地址
DMA_InitStructure.DMA_MemoryBaseAddr = cmar; //DMA 内存基地址
DMA_InitStructure.DMA_DIR = DMA_DIR_PeripheralDST; //数据传输方向内存到外设
DMA_InitStructure.DMA_BufferSize = cndtr; //DMA 通道的 DMA 缓存的大小
DMA_InitStructure.DMA_PeripheralInc = DMA_PeripheralInc_Disable; //外设地址不变
DMA_InitStructure.DMA_MemoryInc = DMA_MemoryInc_Enable;//内存地址寄存器递增
DMA_InitStructure.DMA_PeripheralDataSize = DMA_PeripheralDataSize_Byte;
//数据宽度为 8 位
DMA_InitStructure.DMA_MemoryDataSize = DMA_MemoryDataSize_Byte; //数据宽度
//为 8 位
DMA_InitStructure.DMA_Mode = DMA_Mode_Normal; //工作在正常缓存模式
DMA_InitStructure.DMA_Priority = DMA_Priority_Medium; //DMA 通道拥有中优先级
DMA_InitStructure.DMA_M2M = DMA_M2M_Disable; //非内存到内存传输
DMA_Init(DMA_CHx, &DMA_InitStructure); //初始化 DMA 的通道
}
//开启一次 DMA 传输
void MYDMA_Enable(DMA_Channel_TypeDef*DMA_CHx)
{
DMA_Cmd(DMA_CHx, DISABLE ); //关闭 USART1 TX DMA1 所指示的通道
DMA_SetCurrDataCounter(DMA1_Channel4,DMA1_MEM_LEN);//设置 DMA 缓存的大小
DMA_Cmd(DMA_CHx, ENABLE); //使能 USART1 TX DMA1 所指示的通道
}
#define SEND_BUF_SIZE 8200
u8 SendBuff[SEND_BUF_SIZE]; //发送数据缓冲区
const u8 TEXT_TO_SEND[]={
"ALIENTEK WarShip STM32F1 DMA 串口实验"<

最低0.47元/天 解锁文章
8830

被折叠的 条评论
为什么被折叠?



