LabVIEW数值控件

1.数值控件

        数值控件是编程常用类型之一。数值控件分类有多种。如下图所示。

数值程序框图

 

数值前面板

        数值可以实现输入和输出,如图所示。 

 

简单运算前面板
简单运算程序框图

 

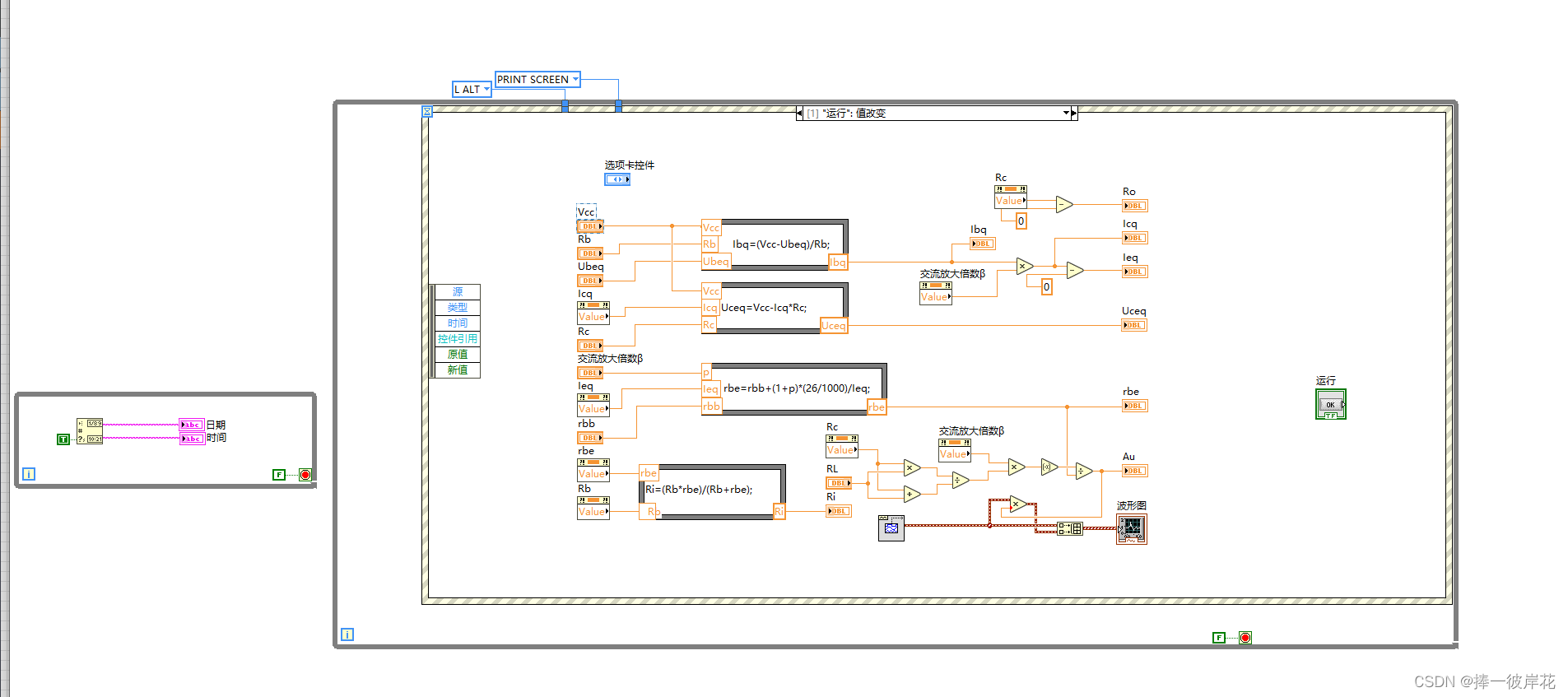
 数值运算举例。

        输入数值,通过公式节点进行运算,再通过数值运算显示。

数值例子

 

评论
添加红包

请填写红包祝福语或标题

红包个数最小为10个

红包金额最低5元

当前余额3.43前往充值 >
需支付:10.00
成就一亿技术人!
领取后你会自动成为博主和红包主的粉丝 规则
hope_wisdom
发出的红包

打赏作者

捧一彼岸花

你的鼓励将是我创作的最大动力

¥1 ¥2 ¥4 ¥6 ¥10 ¥20
扫码支付:¥1
获取中
扫码支付

您的余额不足,请更换扫码支付或充值

打赏作者

实付
使用余额支付
点击重新获取
扫码支付
钱包余额 0

抵扣说明:

1.余额是钱包充值的虚拟货币,按照1:1的比例进行支付金额的抵扣。
2.余额无法直接购买下载,可以购买VIP、付费专栏及课程。

余额充值