FPGA——1位全加器实现

本文详细介绍了如何使用FPGA实现1位半加器和全加器。从定义、真值表到逻辑表达式,逐步解析电路图的设计过程。通过Quartus II软件创建工程,绘制原理图,进行功能仿真,确保设计与预期相符。最后,文章还涵盖了如何将设计下载到FPGA进行实际测试。

摘要生成于 C知道 ,由 DeepSeek-R1 满血版支持, 前往体验 >

一、简介

(一)半加器

1.定义

  • 半加器电路是指对两个输入数据位相加,输出一个结果位和进位,没有进位输入的加法器电路。,是实现两个一位二进制数的加法运算电路。

2.真值表

在这里插入图片描述
3.逻辑表达式
在这里插入图片描述
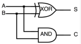
4.电路图
在这里插入图片描述

(二)1位全加器

1.定义

  • 是用门电路实现两个二进制数相加并求出和的组合线路,可以处理低位进位,并输出本位加法进位。

2.真值表

  • Ain表示被加数,Bin表示加数,Cin表示低位进位,Cout表示高位进位,Sum表示本位和。
    在这里插入图片描述
    3.逻辑表达式
评论
添加红包

请填写红包祝福语或标题

红包个数最小为10个

红包金额最低5元

当前余额3.43前往充值 >
需支付:10.00
成就一亿技术人!
领取后你会自动成为博主和红包主的粉丝 规则
hope_wisdom
发出的红包
实付
使用余额支付
点击重新获取
扫码支付
钱包余额 0

抵扣说明:

1.余额是钱包充值的虚拟货币,按照1:1的比例进行支付金额的抵扣。
2.余额无法直接购买下载,可以购买VIP、付费专栏及课程。

余额充值