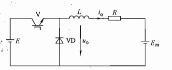
降压斩波电路( Buck Chopper)的原理图及工作波形。该电路使用一个全控型器件V,图中为IGBT,也可使用其他器件,若采用晶闸管,需设置使晶闸管关断的辅助电路。图5-1中,为在V关断时给负载中电感电流提供通道,设置了续流二极管VD。斩波电路主要用于电子电路的供电电源,也可拖动直流电动机或蓄电池负载等
原理图
波形图
工作原理
BUCK电路中V的栅射电压UGE波形所示,在t=0时刻驱动V导通,电源E向负载供电,负载电压u。=E,负载电流i。按指数曲线上升。
当t = t,时刻,控制V关断,负载电流经二极管VD续流,负载电压u。近似为零,负载电流呈指数曲线下降。为了使负载电流连续且脉动小,通常使串联的电感L值较大。
至一个周期T结束,再驱动V导通,重复上一周期的过程。当电路工作于稳态时,负载电流在一.个周期的初值和终值相等.
负载电压的平均
式中,ton为V处于通态的时间;toff为V处于断态的时间;T.为开关周期;α为导通占空比,简称占空比或导通比。
对器件V处于通态期间,设负载电流为i1,可列如下方程
设初始电流值:I0,时间常数=L/R,解上式子。


7167

被折叠的 条评论
为什么被折叠?



