前言:本章为知识的简单复习,适合于硬件设计学习前的知识回顾,不适合运用于考试。
一、基本放大电路
1.1 初始电路
如图所示:

- es:输入电源
- Rs:输入电源的负载
- Uo:输出电源
- RL:输出负载
- VCC:①为电路提供能量②为电路提供合适的静态工作点
- RB:为电路提供合适的静态电流
- RC:将放大的电流信号转变为电压信号
- C1、C2:隔直通交
各元器件的取值
- 三极管放大电路是小信号的放大,常用器件最大通过的电流也只有几百毫安,所以输入信号不能太大
- 对于三极管放大电路的设计,基极电阻取值Rb一般为几十到几百千欧。集电极电阻Rc一般为几千到几十千欧。
- C1、C2作为隔直通交的电容,取值一般为几微法到几十微法
电路分析:
总基极电压:UBE = UBEQ + Ui
总基极电流:iB = IBQ + ib
总集电极电流: iC = ICQ + ic
总的UCE = VCC-iC RC
化简:UCE = VCC - (ICQ + ic)RC = UCEQ + (-iC RC)
Uo = -ic RC
得出结论:输出信号反向
Multisim仿真图:

1.2 静态工作点
当电路没有加入信号源时,直流电源VCC为电路提供的静态值,电路工作在Q点。


①当VCC改变时,Rb 、Rc 、β保持不变时,Q点变化如下:

- 升高VCC,平行右上移
- 减小VCC,平行左下移
②当改变Rc ,保持VCC、Rb 、β不变时,变化如下:

- 增大Rc,直流负载线斜率改变,则Q点向饱和区移近
基本放大电路的不足:
这种电路虽然结构简单,但是最大的缺点是静态工作点不稳定,当环境温度变化,电源电压波动,或者更换三极管时,都会使原来的静态工作点改变,严重时会使放大器不能工作。
1.3 分压偏置电路

在原电路基础上增加了RB2 、 Re 、C3 。
放大倍数β = Rc/Re
特点:
- 分压偏置电路,它的静态工作点,
与三极管本身的参数无关,它只取决于外接电路的VCC和 RB1、RB2、Re - 射极电容C3作为旁路电容,
通交隔直,提高输出级的放大倍数的作用。
因为在交流电路分析中,如果Re被引入电路是要增加电源的功耗。输出的信号有一部分消耗到了Re上,现在,加入了C1,那么对于交流电,这完全是被短路了,所以不会影响输出。
Multisim仿真图:

二、负反馈放大电路
定义:
凡是将放大电路输出端的信号(电压或电流)的一部分或全部引回到输入端,与输入信号叠加,就称为反馈。
- 负反馈: 引回的信号削弱了输入信号
- 正反馈: 引回的信号增强了输入信号

A = Xo/Xd ,
F = Xf / Xo ,
Af = Xo / Xi = X0 / (Xd + Xf) = A / (1+AF)
A ≈ 1/F
A: 无反馈的放大系数,F:反馈系数,Af:有反馈的放大系数
Xo:输出量,Xf:反馈量,Xi:未加反馈的输入量,Xd:加反馈的输入量
根据公式可知:
在深度负反馈条件下,即1+AF>>1时,此时,闭环放大倍数仅取决于反馈系数F,而与开环放大倍数A无关。
通常反馈网络仅由电阻构成,反馈系数F十分稳定。所以,闭环放大倍数必然是相当稳定的,诸如温度变化、参数改变、电源电压波动等明显影响开环放大倍数的因素,都不会对闭环放大倍数产生多大的影响。
负作用:
- 稳定静态工作点;稳定放大倍数;改善输入电阻和输出电阻,扩展通频带,改善输出信号波形。
- 引入负反馈后,失真了的信号经反馈网络又送回到输入端,与输入信号反相叠加,得到的净输入信号为正半周小而负半周大。这样正好弥补了放大器的缺陷,使输出信号比较接近于正弦波。
正反馈:
- 当|AF=1时,
放大量和反馈量成倒数关系,电路将产生自激,去除信号源也将产生信号的输出 - 当|AFI>1时,
放大量过大,输出信号将不断增加,如果无及时的限制措施,信号将出现严重失真 - 当|AF|<1时,
此时反馈量过大,信号将不断衰减,直到消失
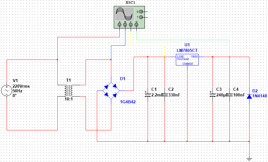
三、直流稳压电路
Multisim仿真图:

- 整流二极管的选择

(这里的Uo为变压器副线圈输出的有效值)选择应该是反相电压大于UZMAX的为整流管。 - 电容C1的选择
(经过电容输出的电压为1.2UO),选择耐压值大于1.1 √2uo大约为1.55倍的Uo - 变压器的选择
应该选择变压电压大于稳压块电压,电流大于需要的输出电流的变压器。 - C3作为旁路电容,滤除输入线上窜入的干扰信号,防止自激,选择电容大小一般是0.3uF。
C2和C4作为耦合电容,,滤除输出线上的干扰,和自激,以及对输出线上电压的突变,提供储能的作用。 - 稳压块
(1)LM7805的引脚及功能
Input:电压输入端,其输瑞入电压范围为7~35V.
Ground:电源地端。
Output:电压输出端,典型值为5V。
最大电流:1.5A。
(2)LM7912的引脚及功能
Ground:电源地端。
Input:电压输入端,其输人电压范围为-14.5~-35V.
Output:电压输出端,典型值为-12V.
最大电流:1.5A。
(3)LM317的引脚及功能
Adjust:调节端。
Output:电压输出端,可输出1.25~37V可调的电压。
Input:电压输入端,其输人电压最大值为40V
最大电流:1.5A.
可调稳压源设计

1、正常工作时,输出端和调整端间的电压VREF固定为1.25V。
2、要使稳压块正常工作,必须保证输出端和调整端间的电流大于3.5mA。
所以,如果取电流为6mA,那么R1MAX=1.25V/6mA=208欧,因此,R1可选用200欧的普通碳膜电阻
3、若输出电压取12V,根据公式Vo=1.25(1+R2/R1)V,R2=1720欧。因此,R2可选用2k欧的精密绕线电位器。

本文介绍了模拟电子中的基本放大电路、负反馈放大原理及其应用,包括静态工作点控制、分压偏置电路改进、负反馈的稳定作用,以及直流稳压电路设计,涉及LM7805、LM7912和LM317等稳压块的选择和使用。
1348

被折叠的 条评论
为什么被折叠?



