wowowo猫
码龄4年
关注
提问 私信
  • 博客:67,890
    67,890
    总访问量
  • 6
    原创
  • 263,122
    排名
  • 618
    粉丝
  • 70
    铁粉
  • 学习成就

个人简介:Stay Mamba Mentality

IP属地以运营商信息为准,境内显示到省(区、市),境外显示到国家(地区)
IP 属地:广东省
  • 加入CSDN时间: 2020-11-18
博客简介:

qq_52673687的博客

查看详细资料
  • 原力等级
    成就
    当前等级
    3
    当前总分
    224
    当月
    1
个人成就
  • 获得208次点赞
  • 内容获得13次评论
  • 获得1,797次收藏
创作历程
  • 3篇
    2024年
  • 3篇
    2022年
成就勋章
TA的专栏
  • 硬件PCB设计
    2篇
创作活动更多

如何做好一份技术文档?

无论你是技术大神还是初涉此领域的新手,都欢迎分享你的宝贵经验、独到见解与创新方法,为技术传播之路点亮明灯!

345人参与 去创作
  • 最近
  • 文章
  • 代码仓
  • 资源
  • 问答
  • 帖子
  • 视频
  • 课程
  • 关注/订阅/互动
  • 收藏
搜TA的内容
搜索 取消

学习资料之常见的高速信号科普以及PCB设计注意事项

常见的高速信号以物理接口分类,包括:USB、RJ45、S-Video、VGA、DVI、HDMI、PCIe、PCI、SAS/SATA 等;按照逻辑电平分类,包括:LVDS、CML、PECL等。
原创
发布博客 2024.03.11 ·
4063 阅读 ·
18 点赞 ·
0 评论 ·
58 收藏

学习资料之常见的通信协议,只需要这一篇就足够啦

1、I2C概述:I2C是一种两线式串行总线,用于连接微控制器和外围设备组成:I2C总线是由数据线SDA和时钟SCL构成的串行总线,可以接受和发送数据信号类型:I2C总线在传输数据一共有三种类型的信号分别为开始信号、结束信号、应答信号特点:最主要的优点是简单性和有效性,其接口直接在组件之上,所以I2C的所占空间很小; 另外一个优点是支持多主控,其中任何一个可以接收或者发送的设备都可以成为主控线; 接口线少、控制方式简单、器件封装形式小、通信速率较高等优点 非常适合在器件之间进行近距离
原创
发布博客 2024.03.10 ·
3031 阅读 ·
23 点赞 ·
1 评论 ·
52 收藏

学习资料之DCDC直流电压转换器和LDO低压差线性稳压器

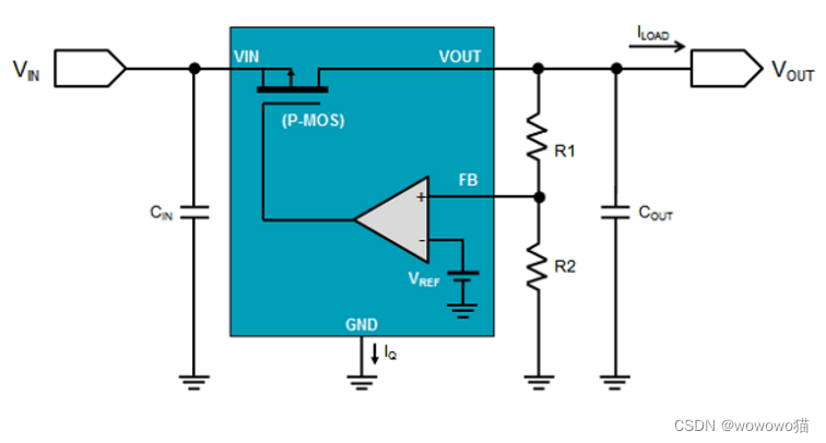
DC-DC的意思是直流变(到)直流(不同直流电源值的转换),只要符合这个定义都可以叫DC-DC转换器,包括LDO。但是一般的说法是把直流变(到)直流由开关方式实现的器件叫DC-DC。具有高效率、高输出电流、低静态电流等特点,随着集成度的提高,许多新型DC-DC 转换器的外围电路仅需电感和滤波电容;但该类电源控制器的输出纹波和开关噪声较大、成本相对较高。DCDC电源可分为三类:Buck降压型,Boost升压型,Buck-boost降压升压型。​​​​​​​。
原创
发布博客 2024.03.07 ·
2886 阅读 ·
21 点赞 ·
5 评论 ·
62 收藏

US20220317798A1.pdf

发布资源 2022.11.27 ·

基于双向移位寄存器的彩灯控制电路的设计与实现

220V的交流电压先经过变压器降压,得到较低的交流电压,交流低压再由整流电路转换成脉动直流电压,该脉动直流电压的波动很大(即电压时大时小,变化幅度很大),它经滤波电路平滑后波动变小,然后经稳压电路进一步稳压,得到稳定的直流电压,供给其他电路作为直流电源。由于反向伏安特性曲线很陡,这样,在反向击穿电压下,当流过管子的电流在较大范围内变化时,管子两端的电压变化很小,因此具有稳压的作用。因为采用的LED灯电压范围为1.8V-2.0V,工作电流为20mA,而电路的电压为5V。芯片,常被用于作为电路中的延时器件、
原创
发布博客 2022.09.06 ·
2106 阅读 ·
0 点赞 ·
0 评论 ·
7 收藏

硬件、硬件开发、硬件测试、PCB、嵌入式、IE工程师面试经验(华为、富士康、CVTE、OPPO、上海禾赛、惠普)

我为大家整理了满满的干货,包括面试中出现频率高的问题和作为一名硬件工程师必备的专业知识,那么让我们开始吧!
原创
发布博客 2022.04.21 ·
11158 阅读 ·
38 点赞 ·
1 评论 ·
425 收藏

游戏测试面试总结(网易雷火、飞鱼科技、冰川网络、完美世界、搜狐畅游)

1、英雄联盟手游继承了端游的质感如战场迷雾,整体峡谷色彩偏暗,但建模的精细度高、动作衔接感觉很好,入门的门槛较高、节奏较慢 ,而王者荣耀很明显是偏向于大众化、全民化的游戏,门槛低整体上手难度偏小,色彩艳丽,节奏快、技能打击感强。这主要还包括地图阻碍墙,有些空中技能是可以越过墙的,比如王者里面的鸟人、哪吒的大、韩信的跳,闪现等。游戏中,活动则是频度更高的一种玩法,测试过程中受到的关注度更高,游戏活动的测试更关注时间与资源产出,活动衔接也很重要,任何差错都可能导致更大的损失,而软件上的活动则没这么严格的概念。
原创
发布博客 2022.03.29 ·
44507 阅读 ·
110 点赞 ·
6 评论 ·
1168 收藏