1. 题目
编写程序,实现用户点击按钮时,采集声音,显示声音波形,对于采集的声音进行低频段、中频段、高频段分别进行适当的比例放大或者衰减,然后重新合成(三段相加即可),并将合成的声音下入wav格式的文件保存。
2. 实现过程
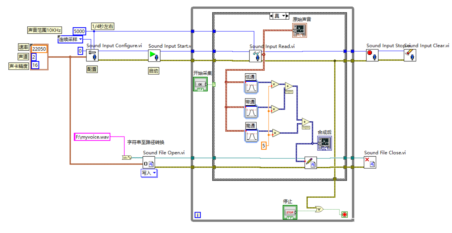
通过声音函数中的”输入“函数,调用”配置声音输入“、“启动声音输入采集”、”获取声音输入“、”停止声音输入采集“、”声音输入清零“实现对声音信号的采集。将“获取声音输入”函数节点放在条件结构中,设置分支选择器为确定按钮,实现当按钮按下时开始采集声音,将声音保存至 wav 文件中。通过滤波器函数和乘函数实现对于采集的声音进行低频段、中频段、高频段分别进行适当的比例放大(乘以5),最终进行合成后(相加)输出并保存。再通过“打开声音文件”设置声音文的保存路径,在 while 循环中实现“写入声音文件”,最后通过”关闭声音文件“结束操作。
程序框图界面如下图所示:


前面板界面如下图所示:

保存的声音文件如下图所示:

该程序实现了用户点击按钮触发声音采集,显示声音波形,并对采集的音频在低频、中频、高频段进行比例放大或衰减处理,之后重新合成并保存为wav格式文件。使用了声音输入函数、滤波器和乘法函数等技术来处理声音信号。
878

被折叠的 条评论
为什么被折叠?



