
一、 实验目的
- 了解运算器的组成结构
- 基于数据通路图,观察并分析运算器的工作原理
- 基于信号时序图,观测并分析运算器的工作原理
二、 实验预习
1.学习使用 TDX-CMX 实验台,然后回答下列问题。
实验台上“时序与操作台单元”中 KK1 功能是选择时序单元的工作状态,KK2 功能是选择时序单元的节拍信号,ST 功能是产生一个节拍信号;方波信号 300Hz、30Hz 和 3Hz 位于实验台的时序与操作台单元单元,ALU 位于实验台的 ALU®单元,数据输入位于实验台的 IN单元单元(我看指导书上写的ALU的输入是IN单元 但是不理解为啥输入AB寄存器要通过CON上的SD17等),数据总线和地址总线位于实验台的系统总线单元。

- 注:CON单元那几个控制部件,是选择什么操作的(算数运算、移位运算、逻辑运算、LDA表示把存的数存入A寄存器中、LDB表示把数存入寄存器B中)
- CON右边是A和B的输入,从左到右依次是高位到低位
- 输入之前,一定要多按几下节拍器,这样才会通过时序逻辑将数据传输过去。
- FZ零标志位,FC进位标志位,要注意这两个的信息。
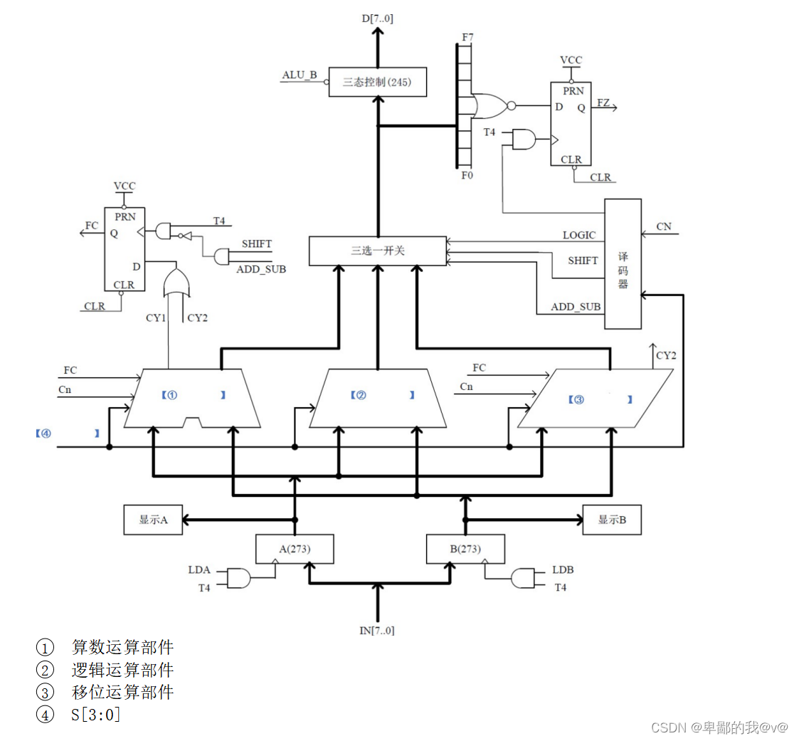
2.参看实验台运算器实现原理,填写括号处的部件名称或信号名称。
3.ALU 完成哪些基本的逻辑运算、算术运算和移位运算。
- 逻辑运算:
- 取AB其中之一
- AB按位或
- AB按位与
- A取非
- 算术运算:
- 加法运算、
- 带进位的加法运算、
- 减法运算、
- 减一运算、
- 加一运算。
- 移位运算:
- A不带进位循环右移B位
- A逻辑右移一位
- A带进位循环右移一位
- A逻辑左移一位
- A带进位循环左移一位

功能如图所示,要了解各种运算的硬件实现。
4.画出 4×4 阵列乘法器原理图,分析延迟与哪些因素有关?

影响因素:与乘数位数有关 与门电路延迟有关
分析:阵列乘法器的工作过程类似于人的手算乘法,FA(全加器)的斜线方向是进位输出,竖线方向是输入和输出,图中最后一行构成了一个串行加法器。由于FA一级是无需考虑进位的,他的进位被暂时保留下来不往前传递,因此同一级中任意一位FA加法器的进位输出和输出几乎是同时形成的,和“串行移位“相比可大大减少同级间的进位传递延迟,所以送往最后一行的串行加法输入与 门电路的级数有关 即与乘积位数有关,也与门电路的延迟有关。
5.简述 Quartus 环境下载 sof 文件到 FPGA 的操作流程。
从桌面上双击打开Quarts,导入文件点击file,openproject找到文件所在的路径安装路径/FPGA/Multiply/Multiply,导入后点击open programma;添加硬件,选择USB,点击左上角start,等待烧录成功。
(1)从桌面打开软件
(2)导入文件
(3)选择打开文件
(4)导入后双击program device
(5)点击Hardware setup添加硬件
(6)选择USB
(7)点击start烧录
(8)查看左上角烧录成功
三、 实验步骤及原始数据记录
本次实验包括基本运算器实验和阵列乘法器实验两部分。
外部PC机实现
- 本机运行
- 把时序与操作台单元的“MODE”用短路块短接,使系统工作在四节拍模式,JP1(在 ALU® 单元)用短路块将 1、2 短接,按图 1 所示连接实验电路,并检查无误。图中将用户需要连接的信号用圆圈标明(其它实验相同)。

图 1 实验一接线图
- 将时序与操作台单元的开关 KK2 置为‘单拍’档,开关 KK1、KK3 置为‘运行’档。确认连线正确。
- 打开电源,如果听到有‘嘀’报警声,说明有总线竞争,应立即关闭电源,重新检查接线,直到错误排除。然后按动 CON 单元的 CLR 按钮,将运算器的 A、B 和 FC、FZ 清零。

连线如图所示,注意相同面的正反相同,否则会读数麻烦。
记录:
SD17~SD10 开关拨到上面,对应 LED 指示灯状态(亮/灭)亮 ,表示二进制数据(1/0) 1 ,SD17~SD10 作用是 形成八位二进制数, S3、S2、S1、S0 的作用是 选择ALU的功能 ,
LDA 的作用是 选择将SD17~SD10产生的二进制数存放再哪个寄存器中。
观察 ALU 单元中:
CLR 前 FZ= 0 ;FC= 0 ,A7~A0= 000 000 00 ;B7~B0= 000 000 00 。
这个CLR之前的数据不一定,因为还没有复位,我是因为前面的同学帮我清零了
CLR 后 FZ= 0 ;FC= 0 ,A7~A0= 000 000 00 ;B7~B0= 000 000 00 。
注:CLR的作用:将寄存器、FC、FZ等清零,类似于复位器,只不过CLR是内部设备清零
-
用输入开关向暂存器 A 置数
按动 2 次时序单元的 ST 按钮,产生 T1、T2 节拍后,拨动 CON 单元的 SD17…SD10 数据开关,形成二进制数 01100101(或其它数值),数据显示亮为‘1’,灭为‘0’。置 LDA=1, LDB=0,按动 2 次 ST 按钮产生 T3、T4节拍,则将二进制数 01100101 置入暂存器 A 中, 暂存器 A 的值通过 ALU单元的 A7…A0 八位 LED 灯显示。(我感觉前提条件得控制LDA指令将传递寄存器打开指令)

如图所示位ST位置

记录:
暂存器 A 的数据(二进制):01 100 101
按动 2 次 ST 按钮后 ALU 中 A7~A0 中数据(二进制):01 100 101
-
用输入开关向暂存器 B 置数
按动 2 次时序单元的 ST 按钮,产生 T1、T2 节拍后,拨动 CON 单元的 SD17…SD10 数据开关,形成二进制数 10100111(或其它数值)。置 LDA=0, LDB=1,按动 2 次ST 按钮产生 T3、T4 节拍,则将二进制数 10100111 置入暂存器 B 中,暂存器 B 的值通过 ALU 单元的 B7…B0 八位 LED 灯显示。
记录:
暂存器 B 输入数据(二进制):10 100 111
按动 2 次 ST 按钮后 ALU 中 B7~B0 中数据(二进制):10 100 111
改变运算器的功能设置,观察运算器的输出
按动 2 次时序单元的 ST 按钮,产生 T1、T2 节拍后,置 ALU_B=0、 LDA=0、LDB=0, 然后按表 3 设置 S3、S2、S1、S0 和 Cn 的数值,并观察数据总线 LED 显示灯显示的结果。
如置 S3、S2、S1、S0 为 1001,运算器作加法运算;置 S3、S2、S1、S0 为 0010,运算器作逻辑与运算。按动 2 次 ST 按钮产生 T3、T4 节拍,观察 FC、FZ 标志位变化。
- 当S3S2S1S0 = 1001,运算器做 加法运算,
寄存器A内容01 100 101,寄存器B内容10 100 111
FC = 1 FZ = 0
- 当S3S2S1S0 = 0010,运算器做 逻辑与运算,
寄存器A内容01 100 101,寄存器B内容10 100 111
FC = 1 FZ = 0
连接运行
环境的建立及操作的简单介绍
下图演示所需下载的软件,找到安装包并点击进行安装

安装完以后,此电脑右键->属性->设备管理器(有些电脑打开设备管理器的方式不同,具体问题具体分析)->找到端口 就能看到是否连接USB接口

安装TDX-CMX

安装完以后打开发现 下位机已复位代表环境搭建成功

点击右上角来介绍一下我们的门电路

分为主存和微存,可以修改数据的值

修改完之后点击,刷新指令数据区域,数据就完成了更新

通过下拉可以实现不同的实验查看,对于本实验来说,选择运算器实验



上图表示可以选择不同的时序方式控制查看程序,单拍运行、单周期运行、单机器指令运行、连续运行,当然也可以打开示波器,通过配合我们扩展单元的逻辑层

点击运行就可以

时序观测窗口可以选择我们想要观察的信号


点击确定 就可以进行时序观测了
如果还有不明白的 就在实验的帮助菜单中 实验帮助 选择指导书 继续查询
操作
如果实验箱和 PC 联机操作,则可通过软件中的数据通路图来观测实验结果,也可通过软件中的信号时序图来观测实验结果。
-
观测数据通路图
打开 TDX-CMX 软件,选择联机软件的“【实验】—【运算器实验】”,打开运算器实验的数据通路图,如图 2 所示。

操作方法同本机运行,每按动一次 ST 按钮,数据通路图会有数据的流动,反映当前运算器所做的操作,或在软件中选择“【调试】—【单节拍】”,其作用相当于将时序单元的状态开关 KK2 置为‘单拍’档后按动了一次 ST 按钮,数据通路图也会反映当前运算器所做的操作。
重复上述操作,并完成表 3。然后改变 A、B 的值,验证 FC、FZ 的锁存功能。点击联机软件的 “【回放】—【保存…】” 按钮,可保存数据通路图的实验过程。

表 2 记录运算结果
观测时序逻辑

弹出时序观测窗,操作方法同本机运行,记录操作过程的时序图,时序图左侧标明信号的名称
四 阵列乘法器验证实验
实验步骤
烧录见上方实验预习

上图为安装路径
- 根据上述阵列乘法器的原理,使用 Quartus 软件编辑相应的电路原理图并进行编译,其在 FPGA 芯片中对应的引脚如图 4 所示,框外文字表示连线标号,框内文字表示该引脚的含义(本实验例程见‘安装路径\FPGA \Multiply\Multiply.qpf’工程)。



CON 单元中的 SD10…SD13 四个二进制开关为乘数 ,SD03…SD00 四个二进制开关为被乘数 B,而相乘的结果在扩展单元的 L7…L0 八个 LED 灯显示。给 A 和 B 置不同的数, 观察相乘的结果。
给A和B 置不同的数,观察相乘的结果。 完成实验报告表格。记录被乘数、乘数和乘积:
SD17~SD10输入数据:(00000101)SD07~SD00输入数据:(0 0000011)
L7~L0:(00001111)
下面是该阵列乘法器实现逻辑图,补充括号内缺失的信号名称。

- A3B1
- A3B0
- A3B1
- A3B3
这个图具体是怎么填的我也不知道,就是根据阵列乘法器的原理图找规律

思考题
1.本实验完成了 8 位加法器的设计,如何在实验台上实现 16 位加法运算?
可将十六位加法的低八位和高八位分为两组依次进行计算,首先进行低八位的加法计算,得到结果的低八位和一位进位,然后进行高八位加法运算,如果低八位的进位是0则得到十六位加法的高八位,如果低八位的进位是一则再将结果加一得到十六位加法的高八位。
2.试比较教材中无符号原码一位乘(4 位)与实验中阵列乘法器的时间延迟。
教材中的无符号原码一位乘(4位)需要进行四次加法和四次移位,每次都会有延迟。而阵列乘法器只有在四次进位时产生延迟。原码一位乘需要四次加运算四次右移运算设每次加法的延迟是2.5ty右移运算的延迟是txT1=10ty+4tx阵列乘法器前三行每行的延迟都是一位加法器的延迟2ty,最后一行的延迟是6ty,T2=3*2ty+3*2ty=12ty,因为右移运算的延迟显著大于一位加法运算,所以T1>T2。
3.思考题:将 A=01H 和 B=02H 进行逻辑与运算,观察运算器零标志 FZ 的时序,是否和进位标志
FC 一致 FZ FC都是0 与运算不影响进位 时序一致
五.实验总结
本实验通过对底层硬件的操控和实践,了解了运算器的底层工作逻辑,并通过数据通路图和信号时序图,观察并分析运算器的工作原理 ,加强了对陌生软件的操作能力,同时,通过芯片的连接和管脚的辨别将理论付诸实际,增强了动手能力,同时将上课的理论知识转化为电路实现。通过对阵列乘法器的验证和实现,了解了对运算器进行优化的思路、方向,观察了乘法的结果,本次实验收获巨大。
六.操作注意事项
1. 实验箱上电后,等待设备就绪,端口会自动连接,如果初始化失败,按实验箱上的“复位”按钮。
2. 设备就绪后,进行登录。按学号、密码登录成功后,如果没有实验计划,请按“复位”,设置好端口后,重新登录。
3. 编辑实验报告单时,避免从word直接复制粘贴带有格式的文本,可以把答案保存在记事本txt上,进行复制粘贴,或者在报告编辑区手动输入。
4. 关于实验报告单中需要上传图片的题目,请准备低像素的图片,如果上传不成功,先完成其他内容,下次进行编辑。
5. 优先完成实验内容,如时序图上传、运算表格的编辑。实验报告可以后续从登录界面左上角功能中“查看历史实验报告”中进行编辑。
如果 您有好的想法 对实验进行补充 欢迎 转载并补充,转载请标明出处 谢谢。
退款: vx:13945395838
1万+

被折叠的 条评论
为什么被折叠?



