总线是计算机中连接各个功能部件的纽带,是计算机各部件之间进行信息传输的公共通路。

总线不只是一组简单的信号传输线,它还是一组协议。他有两大特征
- 分时: 同一总线在同一时刻,只能有一个部件占领总线发送信息,其他部件要发送信息得在该
部件发送完释放总线后才能申请使用。
-
共享:在总线上可以挂接多个部件,它们都可以使用这一信息通路来和其他部件传送信息。
总线结构是决定计算机性能、功能、可扩展性和标准化程度的重要因素。
一、实验目的
- 理解总线的概念及其特性。
- 掌握控制总线的功能和应用。
- 理解总线的功能和和典型工作流程。
- 掌握在总线上协调ALU和外设交换数据的方法。
二、实验预习
1、阅读实验指导书,然后回答问题。
本实验所使用的系统总线可分为(地址总线)、(控制总线)和(数据总线),分别提供存 储器和输入/输出设备所需的信号及数据通路。其中,总线上各个设备的片选信号由(地址)总线的高位通过74LS139芯片译码后获得。系统总线和CPU内部总线之间通过(三态门)连接,同时实现了内外总线的分离和对于数据流向的控制。为了区分对主存和外设 的读写操作,还需要一个(读写控制)逻辑,使得 CPU 能按需区分对 MEM 和I/O 设备的读写。LDAR的作用是是否将数据写入地址寄存器

单总线不是一个线,是一套设备。
2.根据 74LS139 双译码器集成电路的管脚图回答问题。

- ) 输出Y10N~Y13N对应的信号输入端是:(A1 B1)
- ) 输出Y10N~Y13N对应的使能端是:(G1N)
- ) 输出Y20N~Y23N对应的信号输入端是:(A2 B2)
- ) 输出Y20N~Y23N对应的使能端是:(G2N)
- ) 已知该芯片悬空的输入端等同于高电平,则Y20N应输出(0/1):(1)
- ) G1N引脚接地的目的是:(低电平有效,为使Y10N~Y13N工作)
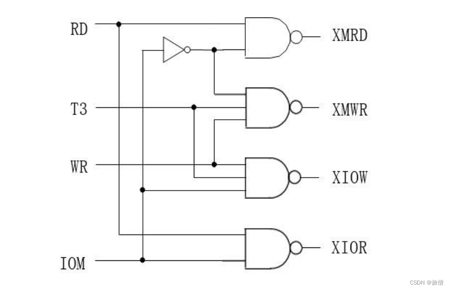
3、根据读写控制逻辑的原理图,回答下列问题。

(1)当CPU读取主存时,RD、IOM信号分别为(0/1):(1 0)
此时送往主存的控制信号XMRD和XMWR分别为(0/1):(0 1)
(2)当CPU写入I/O设备时,WR、IOM信号分别为(0/1):(1 1)
此时送往I/O设备的控制信号XIOW和XIOR分别为(0/1):(0 1)
(3)信号T3的来源和作用是:(来源:T3由时序单元的Ts3给出 作用:保证脉宽与T3一致)
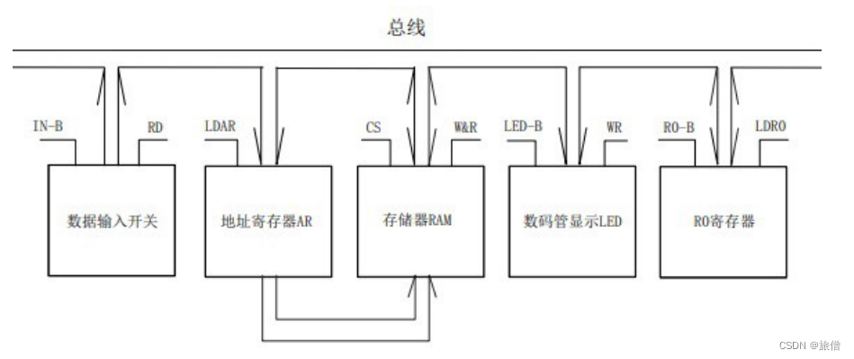
4、根据总线传输实验框图,回答下列问题。

写出从总线的视角看,与其相连的各设备的信息传输方向。
(1)数据输入开关的信息传输方向(输入/输出/双向):(输入)
(2)地址寄存器的信息传输方向(输入/输出/双向):(输出)
(3)存储器的信息传输方向(输入/输出/双向):(双向)
(4)数码管的信息传输方向(输入/输出/双向):(输出)
(5)寄存器R0的信息传输方向(输入/输出/双向):(双向)
5.将IN单元的输入数据写入存储器的过程中用到了哪个寄存器?为什么要用寄存器作为数据暂存?
用到A寄存器,因为IN单元和数据寄存器,数据寄存器和数据总线有数据通路,可以进行数据交换,而计算机现有的硬件逻辑不支持CPU直接读取IO设备中的内容。

6、结合3.2的实验操作步骤,分析单总线计算机系统的优缺点
单总线结构:CPU、主存、I/O设备都连接在一组总线上,允许I/O设备之间、I/O设备和CPU之间或I/O设备与主存之间直接交换信息
- 优点:结构简单、成本低、易于接入新的设备
- 缺点:带宽低、负载重、多个部件只能争用唯一的总线,且不支持并行操作;另外像CPU、主存它们的速度是很快的,但是像硬盘这些设备速度要很慢,所以这种方式也不科学

实验操作
1.读写逻辑设计实验
操作

首先将时序与操作台单元的开关 KK1、KK3 置为“运行”档,开关 KK2 置为“单拍”档,
按动 CON 单元的总清按钮 CLR,并执行下述操作。
① 对 MEM 进行读操作(WR=0,RD=1,IOM=0),此时 L14 灭,表示存储器读功能信号有效。
② 对 MEM 进行写操作(WR=1,RD=0,IOM=0),连续按动开关 ST,观察扩展单元数据
指示灯,指示灯显示为 T3 时刻时,L15 灭,表示存储器写功能信号有效。
③ 对 I/O 进行读操作(WR=0,RD=1,IOM=1),此时 L12 灭,表示 I/O 读功能信号有效。
④ 对 I/O 进行写操作(WR=1,RD=0,IOM=1),连续按动开关 ST,观察扩展单元数据指
示灯,指示灯显示为 T3 时刻时,L13 灭,表示 I/O 写功能信号有效。
2. 基本输入输出功能的总线接口实验。

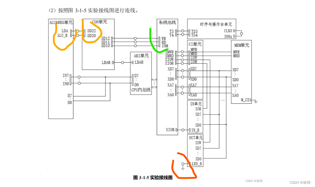
(2)连线


连线时需要注意的一些问题:
红色部分接地需要连接GNU,橙色部分可以全连,绿色部分连的时候一定要漏一根针,因为他是二选一结构,否则会出现总线占用
(3)具体操作步骤如下:
- 进入软件界面,选择菜单命令“【实验】—【简单模型机】”,打开简单模型机实验数据通路图。
- 将时序与操作台单元的开关 KK1、KK3 置为“运行”档,开关 KK2 置为“单拍”档,CON 单元所有开关置 0(由于总线有总线竞争报警功能,在操作中应当先关闭应关闭的输出开关,再打开 应打开的输出开关,否则可能由于总线竞争导致实验出错), 按动 CON 单元的总清按CLR,
- 然后按下面的顺序操作,在数据通路图中观测结果。
① 输入设备将 11H 写入 A 寄存器。
- 将 ALU_B 置为 1,关闭 A 寄存器的输出;
- WR、RD、IOM 分别置为 0、1、1,对 IN 单元进行读操作;
- IN 单元置 00010001,LDA 置为 1,打开 A 寄存器的输入;
- LDAR 置为 0, 不将数据总线的数写入地址寄存器。
- 连续四次点击图形界面上的“单节拍运行”按扭(运行一个机器周期),观察图形界面,在 T4 时刻完成对寄存器 A 的写入操作。
② 将 A 中的数据 11H 写入存储器 01H 单元。
- 将 ALU_B 置为 1,关闭 A 寄存器的输出;
- WR、RD、IOM 分别置为 0、1、1,对 IN 单元进行读操作。
- LDA 置为 0,关闭 A 寄存器的输入;IN 单元置 00000001(或其他数值)。
- LDAR 置为 1,将数据总线的数写入地址寄存器。
- 连续四次点击图形界面上的“单节拍运行”按扭,观察图形界面,在 T3 时刻完成对地址寄存器的写入操作。
③ 将当前地址的存储器中的数写入到 A 寄存器中。
- 将 ALU_B 置为 1,关闭 A 寄存器的输出;
- WR、RD、IOM 分别置为 0、1、1,对 IN 单元 进行读操作;
- LDA 置为 0,关闭 A 寄存器的输入;IN 单元置 00000001(或其他数值)。
- LDAR 置 为 1,将数据总线的数写入地址寄存器。
- 连续四次点击图形界面上的“单节拍运行” 按扭,观察图形界面,在 T3 时刻完成对地址寄存器的写入操作。
- ALU_B 置为 1,关闭 A 寄存器的输出;将 LDAR 置为 0,不将数据总线的数写入地址寄存 器;
- WR、RD、IOM 分别置为 0、1、0,对存储器进行读操作;
- LDA 置为 1,打开 A 寄存器的输 入。
- 连续四次点击图形界面上的“单节拍运行”按扭,观察图形界面,在 T4 时刻完成对 A 寄存器的写入操作。
④ 将 A 寄存器中的数送往 LED 数码管进行显示。
- 先将 LDA 置为 0,关闭 A 寄存器的输入;
- LDAR 置为 0,不将数据总线的数写入地址寄存 器;
- WR、RD、IOM 分别置为 1、0、1,对 OUT 单元进行写操作;再将 ALU_B 置为 0,打开 A 寄存器的输出。
- 连续四次点击图形界面上的“单节拍运行”按扭,观察图形界面,在 T3 时刻完成对 OUT 单元的写入操作
实验原始记录
按实验连接图完成试验箱连线,打开 TDX-CMX 软件,选择联机软件界面中的“【实验】—【简单模型机】”,打开简单模型机实验数据通路图。
点击时序图按钮,打开选择观察信号窗口,或者选择联机软件的“【调试】-【时序观测图】”,选择想要观察的信号并点击确定。
(一)本机运行
1、验证读写控制逻辑的功能。
表 3-1 验证读写控制逻辑实验结果
| 操作步骤 | 控制信号状态(用 0/1 表示) | ||||||
|
对 MEM 进行读操作 | WR | RD | IOM | L12 | L13 | L14 | L15 |
| 0 | 1 | 0 | 1 | 1 | 0 | 1 | |
|
对 MEM 进行写操作 | WR | RD | IOM | L12 | L13 | L14 | L15 |
| 1 | 0 | 0 | 1 | 1 | 1 | 0 | |
|
对 I/O 进行读操作 | WR | RD | IOM | L12 | L13 | L14 | L15 |
| 0 | 1 | 1 | 0 | 1 | 1 | 1 | |
|
对 I/O 进行写操作 | WR | RD | IOM | L12 | L13 | L14 | L15 |
| 1 | 0 | 1 | 1 | 1 | 1 | 1 | |

2、基本输入输出功能的总线接口实验(数据和地址自定义)。
表 3-2 简单总线操作流程实验结果
| 操作步骤 | 控制信号状态(用 0/1 表示) | ||||
|
输入数据写入 R0 | 数据信息 | IN-B | RD | R0-B | LDR0 |
| 00010001 | 0 | 1 | 1 | 0 | |
|
输入地址写入 AR | 地址信息 | IN-B | RD | CS | LDAR |
| 00000001 | 0 | 1 | 0 | 1 | |
|
R0 数据写入存储器当前地址 | R0-B | LDR0 | CS | W&R | |
| 1 | 0 | 0 | 1 | ||
| 在 LED 数码管上显示存储器当前地址的数据 | CS | W&R | LED-B | WR | |
| 0 | 0 | 0 | 1 | ||

实验思考题
1.简述存储器与I/O端口统一编址和独立编址的区别,并判断图3-1-5中的模型机属于何种编址方式?并说明理由。
统一编址:又称存储器映射方式,是把I/O端口当作存储器的单元进行地址分配,这种方式CPU不需要设置专门的I/O指令,用统一的访存指令就可以访问I/O端口
独立编址:又称I/O映射方式,I/O端口的地址空间与主存地址空间是两个独立的地址空间,因而无法从地址码的形式上区分,需要设置专门的I/O指令来访问I/O端口

属于独立编址,因为有专门的IO指令
2.在3.2实验中,如果ALU的运算结果为外部设备所需的数据,且不需要保存到存储器中,能否不经过存储器而将其直接送往外设(OUT单元的数码管)?如能,请简述操作过程;否则说明为什么。
可以直接将其送往外设,因为ALU和外设之间有一条数据通路 操作过程置alu_b为0,iow为1,wr为1,四个节拍即写入IO。在ALU中计算得到结果后,先将LDA置为0,关闭A寄存器的输入;LDAR置为0, 不将数据总线的数写入地址寄存器;WR、RD、IOM分别置为1、0、1,对OUT单 元进行写操作;再将ALU_B置为0,打开A寄存器的输出。连续四次点击图形界面上的 “单节拍运行”按扭,在T3时刻完成对OUT单元的写入操作,此时OUT单元的结果就是ALU的计算结果。
3.本实验OUT单元的LED_B的作用是什么,为什么将其恒接地?
OUT单元LED_B作用是数码管有效信号,低电平有效所以恒接地。
本文介绍了计算机总线的概念,包括地址总线、控制总线和数据总线,重点讲解了总线的分时和共享特性,以及如何通过实验理解控制总线的运作。实验内容涉及74LS139译码器、三态门、读写控制逻辑和单总线系统的优势与局限。
7557

被折叠的 条评论
为什么被折叠?



