数字石英钟课程报告
目录
前言
电子技术课程设计--数字石英钟是采用数字电路实现对时、分、秒的数字显示的计时装置,广泛应用于个人家庭、车站、码头、办公室登公共场所,成为人们日常生活种不可少的必需品。钟表的数字化给人们生产生活带来了极大的方便且大大扩展了钟表原先的报时、校时功能。因此,研究数字钟及扩大其应用有着非常现实的意义。
为了完成这次数字石英钟的设计,我首先是再次熟读数字电子技术基础教材和电工电子实验教程。从这些基础知识的材料中,寻找一些需要用到芯片功能加以巩固,以选择出合适的芯片用于设计。另外,我也再网上搜寻了一些数字钟相关的资料,作为参考,因为是第一次进行电子技术课程设计,刚开始的时候难免有些无从下手的感觉。从他人的设计思路中,也得到了一些提示。
数字钟的总框图由震荡电路、分频电路、译码和显示电路、校时电路、报时电路构成。画出设计框图之后,就是对单元电路的设计和画出原理布线图,最后是根据原理布线图连接芯片。在这个过程中根据遇到的实际问题,要将图进行一些适当修改,再一步步完成连线。
这次课程设计完成了数字钟的基本功能,也让我得到了很多平时理论学习中不能获得的收获。而在个别方面存在的不足还需要在今后的学习中慢慢进步。
第一章系统概述
在设计数字石英钟的项目中,我们首先确立了系统的核心需求:创建一个频率稳定在1Hz的秒脉冲作为标准时间信号,这将由石英晶体振荡器来实现。考虑到一天有24小时,我们的系统必须包含一个24小时制的计数器,它由模60的秒和分计数器以及模24的时计数器组成,这些计数器的结果将通过七段数码管直观地显示出来,确保用户能够清晰地读取时间。为了确保数字时钟的走时与标准时间保持一致,我们设计了一个校时电路,允许用户通过简单的开关操作来校准秒、分和时。我们计划使用74LS21芯片来实现校时功能,它能够检测按钮的点动或连动操作,并通过逻辑电路与74160计数器相结合,实现时间的精确调整。此外,系统还具备整点报时功能,从59分50秒开始,系统会在第51、53、55和57秒发出低音“嘟”信号,而在第59秒发出高音“嘀”信号,每个信号持续一秒,以提醒用户即将到达新的一个小时。这一报时功能将通过555定时器实现,它能够产生所需的音频信号。在电路设计中,我们将使用7400系列芯片来构建逻辑控制和去抖动电路,确保系统的稳定性和响应速度。7404反相器、7408和7420逻辑门将用于构建校时和报时的逻辑控制电路。整个系统将通过精心设计的电路板布局和电源管理来优化性能和可靠性。最终,我们的目标是实现一个既精确又用户友好的数字石英钟,如图1-1所示。

图1-1 系统框图
在我们的数字石英钟项目中,各功能块的划分与组成如下:
时间源模块:由石英晶体振荡器构成,提供稳定频率的1Hz秒脉冲信号,作为整个系统的时间基准。
分频模块:利用74160计数器芯片进行多级分频,将振荡器的高频信号转换为1Hz的秒脉冲信号。
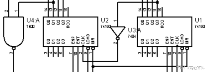
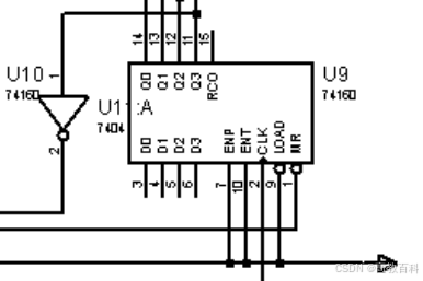
计数器模块:由74160计数器芯片构成,实现模60的秒和分计数器,以及模24的时计数器,分别负责秒、分、时的递增和循环计数。
译码和显示模块:使用7447芯片将计数器的二进制输出转换为七段数码管的显示信号,实现时分秒的数字显示。
校时电路:由74LS21芯片和逻辑门电路组成,通过按钮输入实现秒、分、时的点动或连动校时功能,允许用户调整当前时间。
报时电路:采用555定时器芯片,配置成多谐振荡器模式,在每个小时的最后几秒发出低音和高音报时信号。
逻辑控制电路:利用7400系列逻辑门(如7400、7404、7408、7420)实现校时和报时的逻辑控制,包括去抖动、信号选择和信号同步。
通过这样的功能块划分与组成,我们的数字石英钟将具备精确的时间显示、灵活的校时功能以及具有特色的整点报时功能,满足用户的基本需求并提供良好的用户体验。
第二章 单元电路设计与分析
由晶振产生的频率非常稳定的脉冲,经CC4060分频后,可产生一个频率为2Hz脉冲,再经过一个触发器,可以产生计时所需1Hz的秒脉冲如图2-1所示。

图2-1脉冲产生电路
在我们的数字石英钟项目中,脉冲产生电路是整个系统的核心,我们将使用石英晶体振荡器来生成一个频率非常稳定的1Hz秒脉冲信号。这个信号将作为时间基准,驱动整个计时过程。计数电路的设计将基于74160芯片,它是一个同步二进制计数器,我们将用它来构建模60的秒和分计数器,以及模24的时计数器。秒和分计数器将负责跟踪00到59的秒和分,而时计数器则负责从00到23的小时计数。通过精心设计的电路,这些计数器将协同工作,确保时间的连续性和准确性。计数器的输出将通过译码器转换为七段数码管可以显示的格式,从而实现数字时间的直观显示。此外,我们还将设计一个校时电路,允许用户通过控制逻辑对秒、分、时进行点动或连动校时,确保时钟与标准时间同步。最后,整点报时功能将通过555定时器实现,它会在整点前的最后几秒发出一系列低音和高音信号,提醒用户新的一个小时即将开始,如图2-2所示。

图2-2 计时电路
我们将使用7447芯片作为BCD到七段显示的译码器,它能够接收来自秒、分、时计数器的二进制编码的十进制数字,并将其转换为驱动七段数码管所需的输出信号。每个7447芯片将负责一个数字位的显示,通过译码器的输出,我们可以控制数码管的各个段,以显示0至9的数字。为了实现24小时制的显示,我们将特别设计时计数器的输出,使其在23时后归零并循环,同时通过逻辑电路控制AM/PM的显示状态,如图2-3所示。

图2-3译码显示电路
我们将使用74LS21芯片作为主要的校时逻辑组件,它能够检测到外部按钮的点动或连动信号,从而允许用户进行秒、分、时的校准。用户通过操作按钮,可以控制74160计数器的时钟输入,实现时间的逐步调整或连续调整。为了确保校时操作的准确性和响应性,我们将在电路中加入去抖动逻辑,以避免由于按钮接触不稳定造成的误操作,如图2-4所示。

图2-4 校时电路
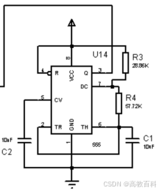
在我们的数字石英钟项目中,报时电路是通过使用555定时器芯片来实现的,该芯片被配置成多谐振荡器模式,用以产生周期性的报时信号。当秒计数器接近59秒时,报时电路会被激活,从59分50秒开始,电路会在第51、53、55和57秒发出连续的低音“嘟”信号,然后在第59秒发出一个高音“嘀”信号,每个信号持续一秒。这种设计不仅通过555定时器的稳定性确保了报时的准确性,而且通过逻辑电路的控制实现了报时信号的精确定时。通过这种方式,用户在每个小时的最后几秒钟都能听到报时信号,从而清晰地知道新的一个小时即将开始,增强了时钟的实用性和用户体验。
若要在每一整点前 10秒内发出四声低音、一声高音报时,需要对59分51秒到59秒进行时间译码。设 QD3-QD0 为分十位输出,QC3-QC0为分个位输出,QB3-QB0为秒十位输出,QA3-QA0为秒个位输出。在59分时,QD2QD0QC3QC0=1:50秒时,QB2QB0=1:秒个位为1、3、5、7时,QA0=1。故可以用 F1= QD2QDOQC3QCOQB2QBOQA0 作低音控制信号。在 59秒时,QB2QBOQA3QA0=1。故可以用F2=QD2QD0QC3QCOQB2QB0QA3QA0 作高音控制信号。
当计数器到59分51、53、55、57秒时,发出频率为Hz的四次低音,59分 59秒时发出频率为的一次高音,每次音响时间为一秒。从而实现了整点报时。
第三章 电路的安装与调试
秒计数器的安装与调试:
按照电路图,将1Hz脉冲信号接入秒计数器74160的输入端CP0。
将74160计数器的输出端A3、A2、A1、A0连接到译码器7447的输入端。
观察7447译码器输出端控制的发光二极管,验证六十进制计数的正确性。
分计数器的安装与调试:
将秒计数器74160的输出端连接到分计数器74160的输入端CP0,实现六十进制计数。
同样使用发光二极管显示分计数器的状态变化。
时计数器的安装与调试:
将分计数器的输出端连接到时计数器74160的输入端CP0,实现二十四进制计数。
观察时计数器的输出端,验证其在23时59分59秒后归零。
校时电路的安装与调试:
将校时电路的控制开关K1、K2接入74LS21芯片,控制脉冲信号的输入。
观察在CP作用下,发光二极管显示的秒、分、时状态变化,验证校时功能。
报时电路的安装与调试:
使用555定时器配置成多谐振荡器模式,产生报时信号。
将秒计数器的输出端接入555定时器的触发端,控制扬声器发声。
在59分50秒时,验证扬声器发出的低音和高音报时信号。
安装调试过程中的问题及解决方法:
如果秒计数器的个位不能正常显示数字9,检查7447译码器,可能需要交换个位和十位的译码器,因为十位最高只显示5。
如果24小时制计数器不能正确归零,检查74160计数器的清零端RO1和R02,确保正确连接。
如果报时电路无声,检查555定时器的电源和触发端连接,确保没有错误。
如果校时电路干扰正常计时,使用独立开关控制校时和校分的脉冲,避免干扰。
通过这些步骤,我们可以确保数字石英钟的每个部分都能正确安装和调试,实现精确的时间显示和校时功能,以及准确的报时功能。
第四章 结束语
随着数字石英钟项目的逐步完成,我们不仅实现了精确的时间显示、灵活的校时功能和独特的整点报时,还通过细致的安装与调试过程,确保了整个系统的稳定性和可靠性。在这一过程中,我们面对了各种挑战,从电路设计的精确布局到调试中遇到的显示问题和报时功能的调整,每一个环节都经过了严格的测试和优化。
在调试过程中,我们采用了分步验证的方法,确保了每个计数器模块、译码器、校时电路和报时电路都能按照预期工作。通过这些实践,我们不仅解决了实际问题,也积累了宝贵的经验,为未来可能的升级和维护打下了坚实的基础。
现在,随着所有功能的验证和问题的成功解决,我们的数字石英钟已经准备好进入最终的封装阶段。这不仅仅是一个项目的结束,更是一个新的开始,它标志着我们可以将所学应用到更广泛的领域,继续探索和创新。
我们期待着这个数字石英钟能够为用户带来便捷和准确的时间管理体验,同时,我们也对能够参与这样一个充满挑战和学习机会的项目感到自豪。随着技术的不断进步,我们相信,未来还有更多令人激动的可能性等待着我们去探索。
1.陈明义.数字电子技术基础(第2版).中南大学出版社.2005年2月
2.陈明义,宋学瑞,电工电子实验教程(修订版),中南大学出版社.2002年7月
上文已经是报告的全部内容,电路仿真图照着图画就行,如果不想自己动手请看下面!!!
【有偿5.99】完整项目:

4万+

被折叠的 条评论
为什么被折叠?



