
永磁同步电动机的无传感器控制永磁同步电机是用于将电能转换为机械能的同步电机
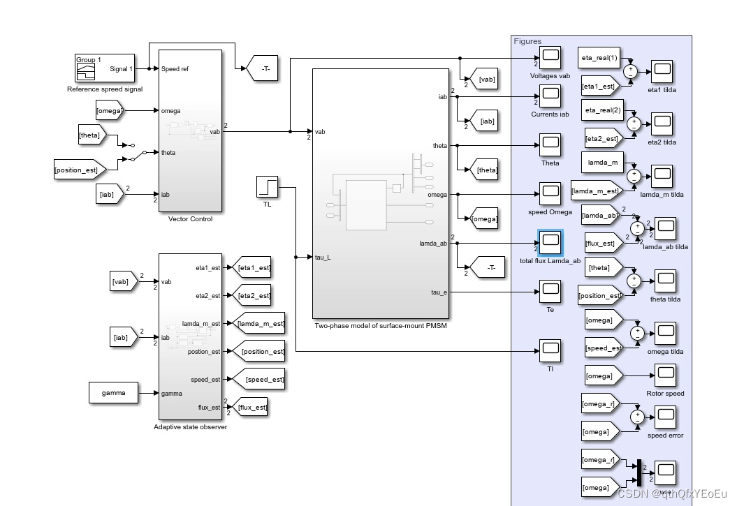
通过优化观测器的参数,可以实现对电机位置和速度的准确估计,从而实现无传感器的控制。通过优化控制算法和引入自适应观测器技术,我们可以实现无需传感器的精准控制,从而简化系统结构,降低系统成本,并提高系统的可靠性和稳定性。通过对永磁同步电机的物理特性、电气特性和磁学特性进行建模分析,可以得到系统的状态方程和输出方程,为后续的控制器设计提供准确的数学模型。该项目主要由四个部分组成,分别是PMSM建模、永磁同步电机的矢量控制器、基于自适应观测器的无传感器控制器以及基于DREM自适应观测器的无传感器控制器。













