在现代化生产、学习、实验当中,往往需要对某个元器件的具体参数进行测量,在这之中万用表以其简单易用,功耗低等优点被大多数人所选择使用。然而万用表有一定的局限性,比如:不能够测量电感,而且容量稍大的电容也显得无能为力。所以制作一个简单易用的电抗元器件测量仪是很有必要的。
现在国内外有很多仪器设备公司都致力于低功耗手持式电抗元器件测量仪的研究与制作,而且精度越来越高,低功耗越来越低,体积小越来越小一直是他们不断努力的方向。
2、电路方案的比较与论证2.1电阻测量方案
方案一:利用串联分压原理的方案
根据串联电路的分压原理可知,串联电路上电压与电阻成正比关系。测量待测电阻Rx和已知电阻R0上的电压,记为Ux和U0.
![]()
方案二:利用直流电桥平衡原理的方案
![]()
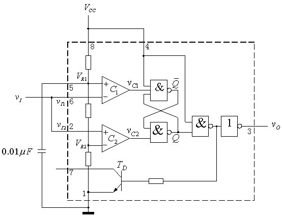
方案三:利用555构成单稳态的方案
![]()

图2-3 555定时器构成单稳态电路图
根据555定时器构成单稳态,产生脉冲波形,通过单片机读取高低电平得出频率,通过公式换算得到电阻阻值。
由
![]()
得
![]()
上述三种方案从对测量精度要求而言,方案一的测量精度极差,方案二需要测量的电阻值多,而且测量调节麻烦,不易操作与数字化,相比较而言,方案三还是比较符合要求的,由于是通过单片机读取转化,精确度会明显的提高。故本设计选择了方案三。
2.2电容测量方案
方案一:利用串联分压原理的方案(原理图同图2-1)
通过电容换算的容抗跟已知电阻分压,通过测量电压值,再经过公式换算得到电容的值。原理同电阻测量的方案一。
方案二:利用交流电桥平衡原理的方案(原理图同图2-2)
![]()
通过调节Z1、Z2使电桥平衡。这时电表的读数为零。通过读取Z1、Z2、Zn的值,即可得到被测电容的值。
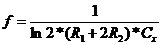
方案三:利用555构成单稳态原理的方案

图2-4 555定时器构成单稳态电路图
根据555定时器构成单稳态,产生脉冲波形,通过单片机读取高低电平得出频率,通过公式换算得到电容值。
由
![]()
若R1=R2,得
![]()
上述三种方案从对测量精度要求而言,方案一的测量精度极差,方案二需要测量的电容值多,而且测量调节麻烦、电容不易测得准确值,不易操作与数字化,相比较而言,方案三还是比较符合要求的,由于是通过单片机读取转化,精确度会明显的提高。故本设计选择了方案三。
2.3电感测量方案
方案一:利用交流电桥平衡原理的方案(原理图同图2-2)
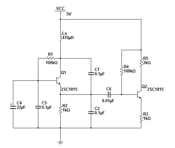
方案二:利用电容三点式正弦波震荡原理的方案

图2-5 电容三点式正弦波震荡电路图
由

得

上述两种方案从对测量精度要求而言,方案二需要测量的电感值多,而且测量调节麻烦、电感不易测得准确值,不易操作与数字化,相比较而言,方案二还是比较符合要求的,由于是通过单片机读取转化,精确度会明显的提高。故本设计选择了方案二。
3、核心元器件介绍3.1 LM317的介绍
LM317可输出连续可调的正电压,可调电压范围1.2V—37V,最大输出电流为1.5A,内部含有过流、过热保护电路,具有安全可靠、应用方便、性能优良等特点。
引脚图:

![]()
![]()

![]()
3.2 LM337的介绍
与LM317正好相反,LM337可输出连续可调的负电压,可调电压范围1.2V—37V,最大输出电流为1.5A,内部含有过流、过热保护电路,具有安全可靠、应用方便、性能优良等特点。
引脚图:

典型电路:
![]()

![]()
3.3 NE555的介绍




3.4 NE5532的介绍
•输出驱动能力:600Ω,10V(有效值)
•输入噪声电压:5nV/√Hz(典型值)
•直流 [url=]电压增[/url]益:50000
•交流电压增益:2200-10KHZ
•功率带宽: 140KHZ
•转换速率: 9V/μs
•大的电源电压范围:±3V-±20V
•单位增益补偿

(见附件)
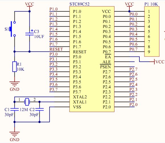
3.5 STC89C52的介绍
★超强抗干扰:
1 、高抗静电(ESD保护)
2 、轻松过 2KV/4KV快速脉冲干扰(EFT 测试)
3 、宽电压,不怕电源抖动
4 、宽温度范围,-40℃~85℃
5 、I/O 口经过特殊处理
6 、单片机内部的电源供电系统经过特殊处理
7 、单片机内部的时钟电路经过特殊处理
8 、单片机内部的复位电路经过特殊处理
9 、单片机内部的看门狗电路经过特殊处理
★超低功耗:
1 、掉电模式:典型功耗<0.1 μ A
2 、空闲模式:典型功耗2mA
3 、正常工作模式:典型功耗4mA-7mA
4 、掉电模式可由外部中断唤醒,适用于电池供电系统,如水表、气表、便携设备等.
★在系统可编程,无需编程器,可远程升级
★可送 STC-ISP 下载编程器,1 万片/人/天
★可供应内部集成 MAX810 专用复位电路的单片机

3.6 TLC549的介绍

●电源电压:6.5V;
●输入电压范围:0.3V~VCC+0.3V;
●输出电压范围:0.3V~VCC+0.3V;
●峰值输入电流(任一输入端):±10mA;
●总峰值输入电流(所有输入端):±30mA;
●工作温度: TLC549C:0℃~70℃
TLC549I:-40℃~85℃
TLC549M:-55℃~125℃
TLC549均有片内系统时钟,该时钟与I/O CLOCK是独立工作的,无须特殊的速度或相位匹配。其工作时序如图2所示。
当CS为高时,数据输出(DATA OUT)端处于高阻状态,此时I/O CLOCK不起作用。这种CS控制作用允许在同时使用多片TLC549时,共用I/O CLOCK,以减少多路(片)A/D并用时的I/O控制端口。
(1)将CS置低。内部电路在测得CS下降沿后,再等待两个内部时钟上升沿和一个下降沿后,然后确认这一变化,最后自动将前一次转换结果的最高位(D7)位输出到DATA OUT端上。
(2) 前四个I/O CLOCK周期的下降沿依次移出第2、3、4和第5个位(D6、D5、D4、D3),片上采样保持电路在第4个I/O CLOCK下降沿开始采样模拟输入。
(3)接下来的3个I/O CLOCK周期的下降沿移出第6、7、8(D2、D1、D0)个转换位,
(4)最后,片上采样保持电路在第8个I/O CLOCK周期的下降沿将移出第6、7、8(D2、D1、D0)个转换位。保持功能将持续4个内部时钟周期,然后开始进行32个内部时钟周期的A/D转换。第8个I/O CLOCK后,CS必须为高,或I/O CLOCK保持低电平,这种状态需要维持36个内部系统时钟周期以等待保持和转换工作的完成。如果CS为低时I/O CLOCK上出现一个有效干扰脉冲,则微处理器/控制器将与器件的I/O时序失去同步;若CS为高时出现一次有效低电平,则将使引脚重新初始化,从而脱离原转换过程。
在36个内部系统时钟周期结束之前,实施步骤(1)-(4),可重新启动一次新的A/D转换,与此同时,正在进行的转换终止,此时的输出是前一次的转换结果而不是正在进行的转换结果。
若要在特定的时刻采样模拟信号,应使第8个I/O CLOCK时钟的下降沿与该时刻对应,因为芯片虽在第4个I/O CLOCK时钟下降沿开始采样,却在第8个I/O CLOCK的下降沿开始保存。

3.7 ICL7660的介绍

本文介绍了一种简易电抗元器件测量仪的设计,包括电阻、电容和电感的测量方案。针对每种元器件,分别提出了串联分压、电桥平衡和555定时器构成单稳态的方案,并分析了它们的精度和适用性。最终,选择了利用单片机读取转换的方案以提高精度。设计中还涉及到了LM317、LM337等核心元器件的介绍,以及电路设计、程序设计和调试过程。
最低0.47元/天 解锁文章
2199

被折叠的 条评论
为什么被折叠?



