strongl001
码龄17年
关注
提问 私信
  • 博客:20,274
    20,274
    总访问量
  • 14
    原创
  • 174,467
    排名
  • 48
    粉丝
  • 0
    铁粉
IP属地以运营商信息为准,境内显示到省(区、市),境外显示到国家(地区)
IP 属地:广东省
  • 加入CSDN时间: 2007-11-22
博客简介:

strongl001的博客

查看详细资料
  • 原力等级
    当前等级
    2
    当前总分
    146
    当月
    2
个人成就
  • 获得43次点赞
  • 内容获得11次评论
  • 获得149次收藏
  • 代码片获得383次分享
创作历程
  • 5篇
    2024年
  • 9篇
    2023年
成就勋章
TA的专栏
  • 开发工具
    2篇
  • 杂记
    2篇
兴趣领域 设置
  • 人工智能
    tensorflow
创作活动更多

超级创作者激励计划

万元现金补贴,高额收益分成,专属VIP内容创作者流量扶持,等你加入!

去参加
  • 最近
  • 文章
  • 代码仓
  • 资源
  • 问答
  • 帖子
  • 视频
  • 课程
  • 关注/订阅/互动
  • 收藏
搜TA的内容
搜索 取消

QT系统安装和应用注意事项

重装系统后QT Creator可以直接应用,但是发布会有影响,所以还是重装下就可以。注意需要用上面这个发布,其他的发布有问题。
原创
发布博客 2024.07.09 ·
353 阅读 ·
8 点赞 ·
0 评论 ·
2 收藏

各类磁芯优缺点

磁芯类型优点缺点罐型磁芯1. EMI屏蔽效果好1. 费用较高2. 符合IEC标准,互换性好2. 散热效果差,不适合大功率应用3. 提供无针型和插针型骨架RM型磁芯1. 有利于散热和大尺寸引线引出1. 屏蔽效果稍逊于罐型2. 节约大约40%的安装空间2. 费用略高3. 可以采用夹子安装E型磁芯1. 费用低,绕制和组装简单1. 不能提供自我屏蔽2. 可进行不同方向安装,可叠加使用2. 散热效果好,适合大功率应用
原创
发布博客 2024.05.14 ·
1093 阅读 ·
5 点赞 ·
1 评论 ·
7 收藏

单相逆变器,包括并机

学习:
原创
发布博客 2024.05.01 ·
206 阅读 ·
2 点赞 ·
1 评论 ·
0 收藏

矩阵在控制系统中的应用

矩阵指数的求解 -> 状态转移矩阵的求解。微分方程的求解 -> 控制系统的仿真。矩阵的特征根 -> 系统的稳定性。矩阵的秩 -> 可控性与可观测性。
原创
发布博客 2024.04.26 ·
437 阅读 ·
3 点赞 ·
1 评论 ·
5 收藏

simulink新建自定义的模板

原创
发布博客 2024.04.21 ·
192 阅读 ·
1 点赞 ·
1 评论 ·
0 收藏

MathCad基础操作

主要是m..n或者分号“;使用符号等号。
原创
发布博客 2023.12.07 ·
8122 阅读 ·
7 点赞 ·
1 评论 ·
32 收藏

用Matlab解方程

【代码】用Matlab解方程。
原创
发布博客 2023.11.25 ·
81 阅读 ·
0 点赞 ·
0 评论 ·
0 收藏

几个常用的采样电路

这是运放与RC电路结合。
原创
发布博客 2023.11.16 ·
285 阅读 ·
0 点赞 ·
1 评论 ·
1 收藏

MPPT杂记

外界环境的变化不会引起光伏板特性的跳变,所以MPPT控制和采样频率不用太高,10Hz都已经挺高了。PID的积分初始值可以设置下,这样仿真开始的波形会好看点。滤波器设计可以参考下面up主的内容。锁相环参数设置(供参考)采样数据用零阶保持器。
原创
发布博客 2023.11.07 ·
240 阅读 ·
0 点赞 ·
0 评论 ·
0 收藏

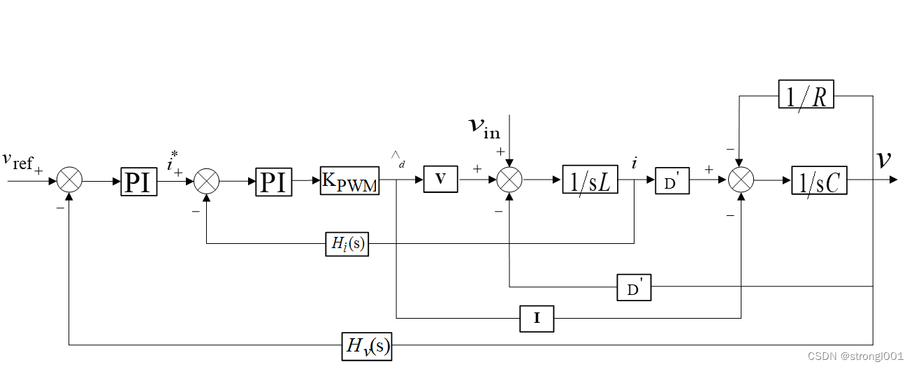
buck电路数字控制

原理图: 交流小信号建模:进而可以推得占空比d与电感电流i的传递函数:采用PI控制器,计算代码如下:三、电压环电感电流i到输出电压的传递函数为:用Matlab计算电压环控制对象:(Kip*R*Vg*s + Kii*R*Vg)/(C*L*R*Vm*s^3 + (L*Vm + C*Kip*R*Vg)*s^2 + (Kip*Vg + R*Vm + C*Kii*R*Vg)*s + Kii*Vg)用Matlab计算电压环的控制参数:
原创
发布博客 2023.11.06 ·
1384 阅读 ·
0 点赞 ·
1 评论 ·
22 收藏

Matlab PID参数自动整定

概述:本文以buck电路为例,介绍buck电路模型识别和PI参数自动整定。
原创
发布博客 2023.10.31 ·
2682 阅读 ·
6 点赞 ·
2 评论 ·
28 收藏

Boost电路控制

参考相关资料,可以建立2个基本等式:----------------------公式1-------------------------公式2假设扰动为0,则可以推导得到系统控制框图如下:进一步计算电感电流扰动到输出电压扰动之间的传递函数关系。假设的扰动为0,由公式①和②可得。
原创
发布博客 2023.10.30 ·
3841 阅读 ·
8 点赞 ·
1 评论 ·
45 收藏

Matlab simulink使用C语言仿真

介绍了matlab怎样使用c语言仿真。
原创
发布博客 2023.10.29 ·
1145 阅读 ·
3 点赞 ·
0 评论 ·
6 收藏

MPPT算法

流程图。
原创
发布博客 2023.10.23 ·
137 阅读 ·
0 点赞 ·
1 评论 ·
0 收藏