风光储、风光储并网VSG直流微电网simulink仿真模型。
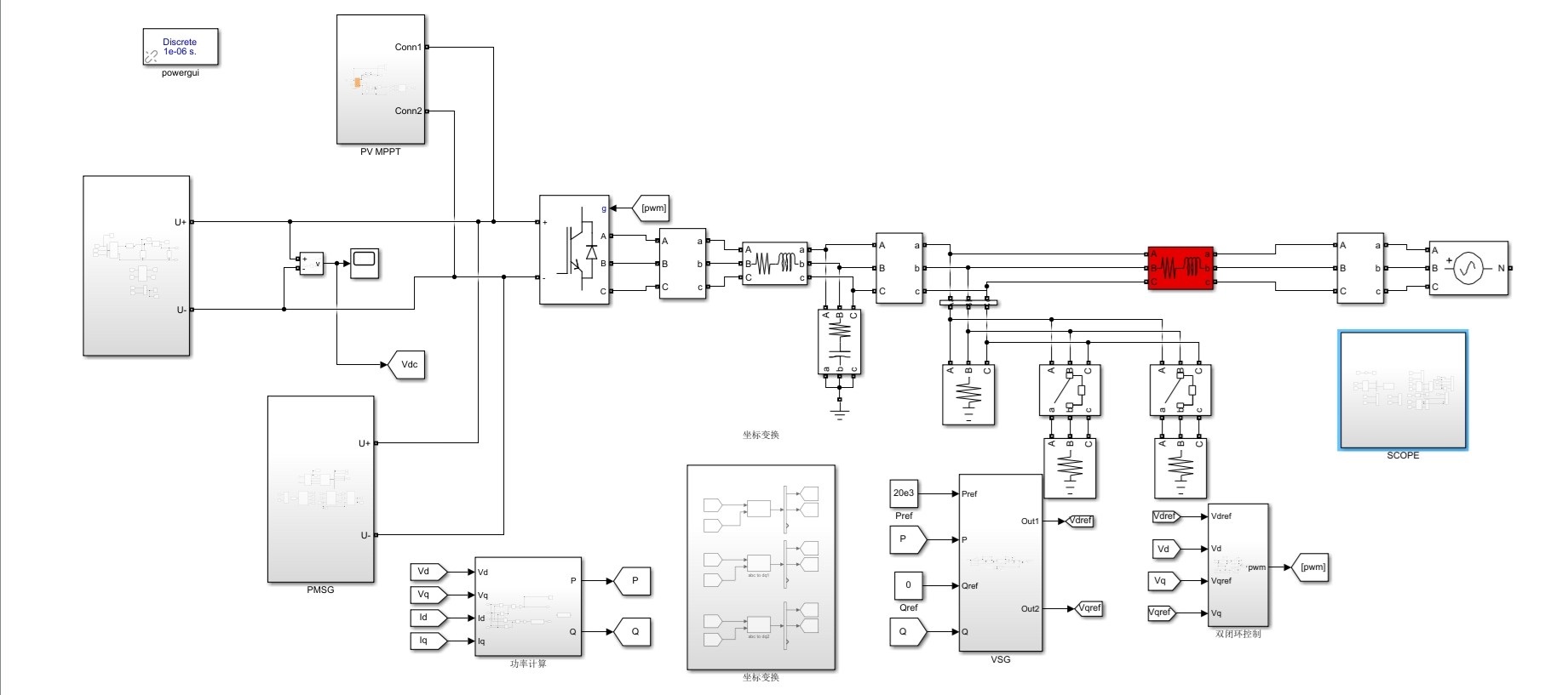
系统有光伏发电系统、风力发电系统、储能系统、负载、逆变器?lc滤波器?大电网构成。
附参考文献。
光伏系统采用扰动观察法实现mppt控制,经过boost电路并入母线;
风机采用最佳叶尖速比实现mppt控制,风力发电系统中pmsg采用零d轴控制实现功率输出,通过三相电压型pwm变换器整流并入母线;
储能系统由蓄电池构成,采用电压外环电流内环双闭环控制实现直流母线电压稳定,通过双向DCDC变换器并入母线实现功率双向流动。
并网逆变器采用VSG控制,经过lc滤波器并入大电网,VSG的Pref为20kW,Qref为0var。
负载单元为交流负载
附参考文献。
ID:64150688710634535
就喜欢小男







风光储并网VSG直流微电网是一种新型的电力系统,它以光伏发电系统、风力发电系统、储能系统、负载以及逆变器和lc滤波器构成。本文将分别对这几个部分进行详细的介绍和分析,同时还会对整个系统的控制策略进行讨论。
首先,光伏发电系统采用扰动观察法实现最大功率点跟踪(MPPT)控制。该方法通过对光伏阵列输出电压和电流的扰动观察,实时计算出光伏阵列的等效电阻,并通过控制电压转换器(boost电路)的占空比来使得光伏系统的输出功率最大化。通过boost电路将光伏系统的输出并入直流母线。
其次,风力发电系统采用最佳叶尖速比(TSR)实现MPPT控制。TSR是根据风机的叶片转速和风速之间的关系来确定的,通过对风机的叶片角度进行调整,使得风机的转速始终保持在最佳叶尖速比附近,从而实现风机输出功率的最大化。风力发电系统中的永磁同步发电机(PMSG)采用零d轴控制,通过三相电压型PWM变换器将其输出整流并入直流母线。
储能系统由蓄电池组成,采用电压外环、电流内环的双闭环控制方法来实现直流母线电压的稳定。通过双向DC-DC变换器将储能系统的功率双向流动并入直流母线。
而并网逆变器采用虚功容量控制(VSG)策略,通过对逆变器输出的有功功率(Pref)和无功功率(Qref)进行控制,将直流母线上的电能转换为交流电能,并通过lc滤波器将其并入大电网。在本系统中,逆变器的Pref设置为20kW,Qref为0var。
最后,系统中还有一个交流负载单元,它负责消耗从并网逆变器输出的交流电能。
综上所述,风光储并网VSG直流微电网是一个复杂的电力系统,它集成了光伏发电系统、风力发电系统、储能系统、负载以及逆变器和lc滤波器等多个模块。通过合理的控制策略,这个微电网系统能够实现对光伏发电和风力发电的最大功率跟踪,同时还能够实现储能系统和并网逆变器的功率管理。本文对这些模块的工作原理和控制策略进行了详细的介绍和分析,为研究和应用这个微电网系统提供了参考。
参考文献:(此处省略)
相关的代码,程序地址如下:http://fansik.cn/688710634535.html
979

被折叠的 条评论
为什么被折叠?



