生物医学工程前沿方向 2019;5(1):561-564
开放获取。© 2019 托拜厄斯・哈伯 等人,由德古隆出版。本作品采用知识共享署名4.0许可证授权。
用于树莓派微型计算机以重现多通道原始心电图的插件电路板
摘要
商业模拟器只能以简化的波形和较少的通道数量来重现正常和病变心脏节律的心电图(ECG)。通过本项目,旨在通过为微型计算机“树莓派”开发专用的印刷电路板,将电生理检查期间记录的大量数字化存档心电图转化为原始模拟信号,用于研究和教学目的。
关键词
:电生理学, 心电图, 心电图, 模拟器, 树莓派, 研究, 教学。
https://doi.org/10.1515/cdbme‐2019‐0141
1 引言
心电图(ECG)评估在心律失常的诊断和治疗中具有重要意义。可通过心电图机使用皮肤上的粘性电极从体表记录不同的心电图。此外,在电生理(EP)研究中,通过使用心外膜和心内膜电极导管的侵入性操作,可直接从心脏记录和评估心内电图。当多根电极导管——通常经静脉插入——被引导至心脏特定位置时,便可理解并评估激动情况。对于心律紊乱患者,这些记录可提供关于心律失常起源和传导的详细信息,从而实现针对性治疗,包括植入式起搏器、除颤器或导管消融治疗。
心电图模拟器已商业化,可用于基础研究和培训应用。然而,现有产品仅能提供正常与病变心脏节律的合成心电图,且其形态简化、变异性小、通道数量有限,仅适用于简单的教学目的。其缺点在于无法提供临床常规中所见的个体化差异。为了阐释和研究更复杂的电生理问题,或测试起搏器、除颤器和事件记录仪等心脏植入装置的新检测算法,需要能够模拟真实患者中实际观察到的心律事件的个体化心电图。
植入式除颤器和再同步化系统目前存在的一个问题仍然是所谓的不适当电击,这是由于设备的检测算法将心律事件误判为危及生命的心室颤动所导致的。随后,设备会自动向患者施加痛苦的高能量电击,以终止假定的心律失常。这一问题对患者的生活质量影响重大,因为许多患者对此类不适当电击感到极为痛苦。
2 目标
作为创建新型问题导向和行动导向教学与培训系统这一构想与实现的一部分,旨在使医生、医学技术人员和企业员工能够有效开展心脏电疗的体外培训,我们的目标是重现电生理研究期间记录的心律事件的原始心内和体表心电图,以便将其用作高级教学用途的逼真模拟信号。
通过同时记录的多通道心电图的选择性重现功能,该系统还将在彼得·奥西普卡起搏与消融研究所进一步发展心律失常的诊断与治疗过程中,作为强大的研究工具使用。
3 方法
各种正常与病变心脏节律的完整谱系均可在接受有创电生理研究的真实患者的ECG记录中找到。因此,我们选取了使用巴德电生理实验室系统(EP Lab)常规记录的心内和体表心电图,并将其以数字形式存档于磁光盘或光盘上。为了对这些数字多通道记录进行模拟再现,我们选用树莓派(RPi)单板计算机(SBC)[1–2],因其易于管理、价格低廉且体积小巧。
最初,开发了软件用于从电生理实验室的记录中选择和提取包含有趣心律事件的同步注册的心内和体表心电图,将它们组合成无限循环,并以二进制文件的形式导出到SD卡上,以便后续在RPi上进行数据处理和修改(例如电平调整)。然后,数字心电图通过专为RPi设计的插件电路板重新转换为模拟输出信号。
4 结果
对于预期的应用,最初将同时以无限循环输出的模拟心电图信号数量限制为12。可通过专为RPi创建的带图形用户界面的菜单程序(图2)更改和调整重现的多通道心电图组合。
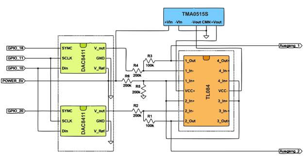
为了进行数模转换(DAC)和信号输出,使用Autodesk Eagle程序为RPi开发了一块piggyback board(图1)。该电路板设计旨在利用表面贴装技术和屏蔽接地多边形来最小化电磁干扰。为此,采用了尺寸仅为2 x 1.2 x 1 mm的德州仪器 DAC8411 SMD数模转换芯片 [3]。为了适应所需的输出电压,在12个DAC之后布置了三个采用常规DIL14封装的四路运算放大器(图3)。其工作电压由TMA0515S隔离式直流/直流转换器提供。该电路板在SMD实验室中通过回流焊技术手动组装完成。
作为一个应用示例,图4显示了从一位患者体表记录的心内电图1和2的再现,在电生理研究期间,从体表、右心室(3和4)以及右心房(5)记录到的模拟输出信号。该病例为一名报告有突然意识丧失(所谓晕厥)的患者,这是由于通过临床诱发试验引发的一次室性心动过速[4]所致。因此,可疑的诊断得以证实。
5 结论
同步真实心电图以实时无限循环运行,不仅可用于医生及其支持的医学技术人员的培训,还可用于危及生命的心律失常的自动检测与鉴别算法的开发、优化和测试,以及通过植入式除颤器进行适当电治疗的相关研究。
特别是为此目的,使用电生理学研究期间记录的多种心电图可能具有实用性和帮助性。
作者声明
研究资助:作者声明无资金支持。利益冲突:作者声明不存在利益冲突。知情同意:已从相关个人获得知情同意。
伦理批准:涉及人类使用的研究符合所有相关国家法规、机构政策,并遵循赫尔辛基宣言的原则,且已获得作者所在机构审查委员会或同等委员会的批准。
274

被折叠的 条评论
为什么被折叠?



