(1) STL触点与母线相连,与STL触点相连的起始触点应使用LD或LDI指令。即使用STL 指令后,LD点移至STL触点的右侧,一直到出现下一条STL指令或RET指令为止。RET指令表明整个STL程序区的结束,LD点返回原母线。各STL触点驱动的电路一般放在一起,最后一个STL电路结束时一定要使用RET指令,否则将出现“程序错误”信息,PLC不能执行用户程序。
(2) STL触点可以直接驱动或通过别的触点驱动Y、M、S、T等元件的线圈和应用指令。STL触点右边不能使用入栈(MPS)指令。
(3) 由于CPU只执行活动步对应的电路块,使用STL指令时允许双线圈输出,即不同的STL触点可以分别驱动同一编程元件的一个线圈。但是同一元件的线圈不能在可能同时为活动步的STL区内出现,在有并行序列的顺序功能图中,应特别注意这一问题。
(4) 在步的活动状态的转换过程中,相邻两步的状态继电器会同时ON一个扫描周期。为了避免不能同时接通的两个输出(如控制异步电动机正反转的交流接触器线图)同时动作,除了在梯形图中设置软件互锁电路外,还应在PLC外部设置由常闭触点组成的硬件互锁电路。定时器在下一次运行之前,首先应将它复位。同一定时器的线圈可以在不同的步使用,但是如果用于相邻的两步,在步的活动状态转换时,该定时器的线圈不能断开,当前值不能复位,将导致定时器的非正常运行。
(5) OUT指令与SET指令均可用于步的活动状态的转换,使新的状态继电器置位,原状态继电器自动复位,此外还有自保持功能。SET指令一般用于驱动目标步比当前步元件号大的状态继电器。
在STL区内的OUT指令用于顺序功能图中的闭环和跳步,如果想跳回已经处理过的步,或向前跳过若干步,可对状态继电器使用OUT指令。
OUT指令还可以用于远程跳步,即从顺序功能图中的一个序列跳到另一个序列。以上情况虽然可以使用SET指令,但最好使用OUT指令。
(6) STL指令不能与MC-MCR指令一起使用。
(7) 在转换条件对应的电路中,不能使用ANB,ORB,MPS,MRD和MPP指令。可用转换条件对应的复杂电路来驱动辅助继电器,再用后者的常开触点来作转条件。
(8) CPU不执行处于断开状态的STL触点驱动的电路块中的指令,在没有并行序列时,同时只有一个STL触点接通,因此使用STL指令可以显著的缩短用户程序的执行时间,提高PLC的输入、输出响应速度。
三菱plc步进指令(STL/RET)
来源:未知 作者:www.plcs.cn
详细介绍FX系列三菱plc的步进指令(STL/RET)。
步进指令是专为顺序控制而设计的指令。在工业控制领域许多的控制过程都可用顺序控制的方式来实现,使用步进指令实现顺序控制既方便实现又便于阅读修改。
FX2N中有两条步进指令:STL(步进触点指令)和RET(步进返回指令)。
STL和RET指令只有与状态器S配合才能具有步进功能。如STL S200表示状态常开触点,称为STL触点,它在梯形图中的符号为-|| ||- ,它没有常闭触点。我们用每个状态器S记录一个工步,例STL S200有效(为ON),则进入S200表示的一步(类似于本步的总开关),开始执行本阶段该做的工作,并判断进入下一步的条件是否满足。一旦结束本步信号为ON,则关断S200进入下一步,如S201步。RET指令是用来复位STL指令的。执行RET后将重回母线,退出步进状态。
2.状态转移图
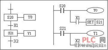
一个顺序控制过程可分为若干个阶段,也称为步或状态,每个状态都有不同的动作。当相邻两状态之间的转换条件得到满足时,就将实现转换,即由上一个状态转换到下一个状态执行。我们常用状态转移图(功能表图)描述这种顺序控制过程。如图11所示,用状态器S记录每个状态,X为转换条件。如当X1为ON时,则系统由S20状态转为S21状态。

图11 状态转移图与步进指令
状态转移图中的每一步包含三个内容:本步驱动的内容,转移条件及指令的转换目标。如图1中S20步驱动Y0,当X1有效为ON时,则系统由S20状态转为S21状态,X1即为转换条件,转换的目标为S21步。
3.步进指令的使用说明
1)STL触点是与左侧母线相连的常开触点,某STL触点接通,则对应的状态为活动步;
2)与STL触点相连的触点应用LD或LDI指令,只有执行完RET后才返回左侧母线;
3)STL触点可直接驱动或通过别的触点驱动Y、M、S、T等元件的线圈;
4)由于PLC只执行活动步对应的电路块,所以使用STL指令时允许双线圈输出(顺控程序在不同的步可多次驱动同一线圈);
5) STL触点驱动的电路块中不能使用MC和MCR指令,但可以用CJ指令;
6)在中断程序和子程序内,不能使用STL指令。
本文详细介绍了三菱PLC中的步进指令STL和RET在顺序控制中的使用,包括其连接方式、功能、限制和配合状态器S的工作原理。强调了STL指令的特性和在编程中的注意事项,如双线圈输出、互锁机制和与MC-MCR指令的兼容性。
2159

被折叠的 条评论
为什么被折叠?



