希望这篇文章能把一屏多机的操作写明白。如果觉得有帮助可以给个赞。
N:N 通信模式,一般用在一些简单触摸屏控制及简单的信号与数据传输。毕竟可以操控的位软元件(M)64点/每站,字软元件(D)8点/站,如下图:

一. 硬件连接
链接: 三菱PLC的通信接线——From CSDN博客
PLC的RS485连接接线可以参照上一篇博文。
二.程序编写控制,相关软元件的介绍












三.参考上述案例,可以实现触摸屏控制两台PLC 的程序方式
- 触摸屏同第一台主站PLC的链接通信跟 一对一的方式一样。
- 比如当触摸屏的一个按钮要控制第二台PLC时的IO Y0时, 触摸屏先控制M580 M580的触点再控制M1000,然后从站的M1000控制到Y0. 这种模式就控制到从站的IO。
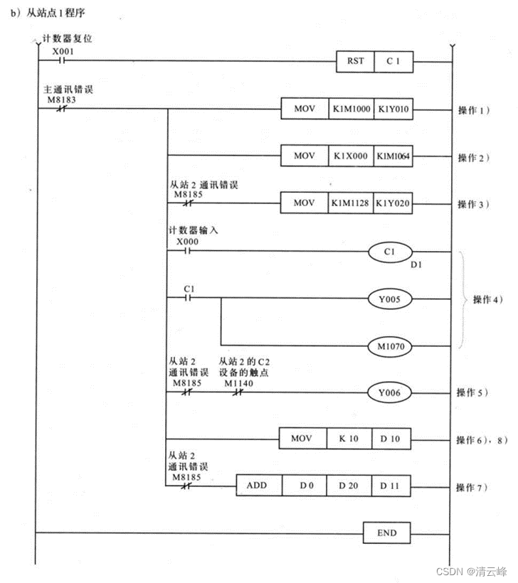
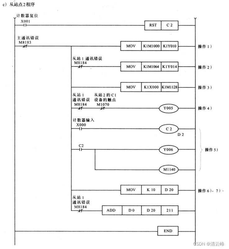
软元件的控制关系,可以参考下面。


完!
2106

被折叠的 条评论
为什么被折叠?



