ESP32使用HSPI外设12脚导致无限重启

本文介绍了一个ESP32使用HSPI外设驱动SD卡时导致无限重启的问题及解决方案。原因是SD卡模块上的MISO引脚连接了上拉电阻,导致ESP32无法正常启动。解决方法是将MISO引脚重新定义到其他GPIO。

ESP32使用HSPI外设导致无限重启

描述:我想要用ESP32显示SD卡里存储的视频。环境:Arduino。库:library_GFX_for_arduino。
使用VSPI外设驱动屏幕,HSPI外设驱动SD卡。
上电以后串口报告说ESP32一直重启。

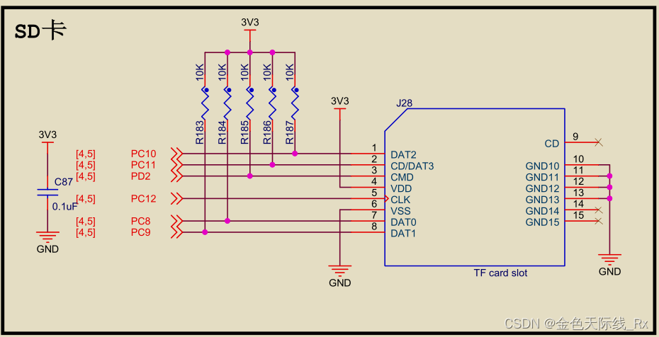
原因:ESP32启动的时候,要求12号引脚为低电平,也就是SD卡的MISO引脚。但是在SD卡模块上,MISO引脚(CMD引脚)接着上拉电阻。所有ESP32没法正常启动

解决办法:把miso脚定义到其他地方去:
SPIClass spi = SPIClass(HSPI);
spi.begin(39 /* SCK /, 38 / MISO /, 40 / MOSI /, 41 / CS */);

在这里插入图片描述在这里插入图片描述
在这里插入图片描述

评论 3
添加红包

请填写红包祝福语或标题

红包个数最小为10个

红包金额最低5元

当前余额3.43前往充值 >
需支付:10.00
成就一亿技术人!
领取后你会自动成为博主和红包主的粉丝 规则
hope_wisdom
发出的红包
实付
使用余额支付
点击重新获取
扫码支付
钱包余额 0

抵扣说明:

1.余额是钱包充值的虚拟货币,按照1:1的比例进行支付金额的抵扣。
2.余额无法直接购买下载,可以购买VIP、付费专栏及课程。

余额充值