竣工图绘制相关国家规范
浏览:28 | 日期:2020-03-05 | 作者: 宋朝室内设计
竣工图相信很多人都知道,但是竣工图的绘制,都有哪些要求与规范呢?下面明铂深化设计为大家介绍,竣工图绘制相关国家规范:
问
竣工图绘制相关国家规范?
答
建设工程文件归档整理规范,GB/T50328-2014
质量要求
1:工程文件的内容、及其深度,必须符合国家有关工程勘察、设计、施工、监理等方面的技术规范、标准和规程;
2:工程文件的内容,必须真实、准确,与工程实际相符合;
3:工程文件采用,耐久性强的书写材料,如碳素墨水、蓝黑墨水,不得使用易褪色的书写材料,如:红色墨水、纯蓝墨水、圆珠笔复写纸、铅笔等;
4:工程文件,应字迹清楚、图样清晰、图表整洁,签字盖章手续完备;
5:工程文件中文字材料、幅面尺寸规格,宜为A4幅面 (297mmX210nmm);图纸宜采用国家标准图幅;
6:工程文件的纸张,应采用能够长期保存的韧力大、耐久性强的纸张;
7:图纸一般采用蓝晒图,竣工图应是新蓝图,计算机出图必须清晰,不得使用计算机出图的复印件;
8:所有竣工图,均应加盖竣工图章:
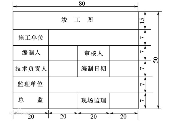
01:竣工图章的基本内容应包括:“竣工图”字样、施工单位、编制人、审核人、技术负责人、编制日期、监理单位、现场监理、总监;

02:竣工图章示例如下:
03:竣工图章尺寸为:50mmX80mm;
04:竣工图章,应使用不易褪色的红印泥,应盖在图标栏上方空白处。
9:利用施工图改绘竣工图,必须标明变更修改依据:凡施工图结构、工艺、平面布置等有重大改变,或变更部分超过图面1/3的,应当重新绘制竣工图;
10:不同幅面的工程图纸,应按《技术制图复制图的折叠方法》(GB/10609.3--89)统一折叠成A4幅面(297mm×210mm),图标栏露在外面。
各地要求和处理办法不同,建议还是到当地建筑档案馆咨询一下
温馨提示
在文章的最后为大家总结,利用施工图改绘竣工图,必须标明变更修改依据:凡施工图结构、工艺、平面布置等有重大改变,或变更部分超过图面1/3的,应当重新绘制竣工图。
1万+

被折叠的 条评论
为什么被折叠?



