毫无用处的汽车知识 篇四十七:进气系统及副产物一点杂谈
诸位读者大家好,本来在码完百强供应商之后计划做几期高内容强度高知识点的单车点评视频的,不过考虑到本系列文章至今都没赚够一台osmo pocket的钱,所以今天我们还是来继续杂谈一点没什么用的汽车知识吧。

内燃机想要燃烧,燃料和空气是不可或缺的,高效,稳定而清洁的进气是最基本的要求,同时,进气也伴随着能量的转移,汽车工程师也利用进气干了一些别的事情。

让我们首先来讨论最基本的问题,清洁的进气,最早的空气滤清器大约是在20年代发明的,最初的空滤都是油浸式空滤,这种空滤有一个油底壳,进气中的灰尘会被油底壳里的油吸附,直到60年代可抛弃的纸空滤之前油浴空滤都是空滤的主流产品

比如甲壳虫上面这个贴着红标的壶,就是油浴式空滤.只不过甲壳虫这个比较廉价,里面塞的是钢丝绒,显得比较low

另外老爷车上经常见到的这种用蝶母拧着盖子的像锅一样的,也是油浴式空滤。

油浴式空滤对于大颗粒灰尘效果非常好,不过为了足够的空气通量一般会做的很大,而且油底壳里的油滴有可能进入发动机导致排放问题,所以现在基本只有越野车,农机上还用,欧美很多老爷车也都有aftermarket的改装件将他改装为普通的可抛弃滤纸空滤。

滤纸式空滤最初在车上的应用是40年代nash的weather eye系统,之前我介绍过这个牌子,不过因为那时汽车排量都很大,空气需求量大,直到60年代滤纸式空滤才开始应用在发动机进气上。

滤纸式空滤的好处在于便宜,脏了就扔,不过一些对于进气有极高要求,或者喜欢重复利用的人来说,还依然可以选择油浸式的产品,不过现在基本以油浸棉纸或者油浸海绵为主

这种油浸式的产品有一个特色是灰尘累计的越多通气量反而越大,当需要进行维护时只需要将夹杂灰尘的油膜清洗干净并重新上油就可以再使用了。

这类的产品一般在改装车上很常见,不过我在此建议如果你一定要改装进气,最好还是选用大厂的成熟kit,直接将原来的空滤盒换成一个冬菇头之类的玩法,反而会造成进气压力降低,发动机动力下降,越改越垃圾。

毕竟强如布加迪也是用的两片纸空滤,只不过比较大而已。盲目更改进气方式还可能造成污染物进入发动机导致发动机损坏,尤其是对于一些没有对发动机进行改动,而妄想只通过更换一个进气就提升动力的,难道普通人穿个5000块的跑鞋就能追上博尔特了么。。?

对于工作中的汽油发动机来说,其实可以理解为一个气泵,进气阶段强烈的进气会产生一个叫做歧管真空的属性(Manifold vacuum),也就是在进气道中产生一定的真空度,注意这是泵气效应产生的真空,有别于文丘里效应。这是现代发动机ecu需要读取的一个重要参数manifold absolute pressure 即进气道绝对压力MAP,用于优化燃烧。

在没有ecu的年代一块真空表是高级跑车的象征,比如庞蒂亚克就会在旗舰车型上配备这一项目。

这也成为了庞蒂亚克的一种精神象征,现在还会有周边钥匙链产品出售。

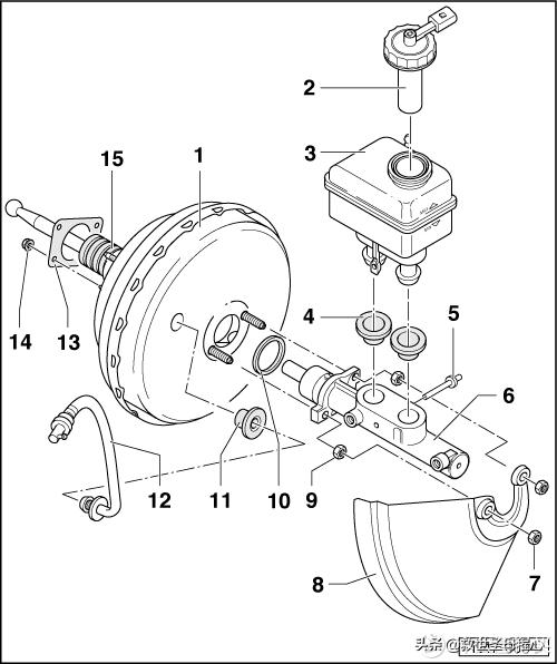
那么既然有真空度,而且对于汽油车(有节气门的车),在早期自然吸气盛行的年代,稍微利用一下也是理所应当的,真空助力刹车由Albert Dewandre与上世纪20年代发明,最早于1927年由博世进行生产和分销。

通过一个储气罐和单向阀,发动机进气时歧管真空抽出储气罐里的气并产生真空,并由单向阀封闭,而真空则被用于推动伺服系统。

这一系统即使到现在依然在使用并没有什么变化,只不过伺服和刹车主缸,刹车液壶集成在了一起,一般装在防火墙上直接和刹车踏板链接。

进气真空的另一项重要应用是曲轴箱通风,Crankcase ventilation system。虽然这一系统最初是2战时期用于坦克涉水时防止曲轴箱进水的,不过对于汽车来说气缸里的燃气会不可避免的泄露到曲轴箱里,这叫做窜气,这些窜气不可避免地会凝结并与曲轴箱中存在的油蒸气合并,形成油泥或使油被未燃烧的燃料稀释。曲轴箱压力过大还会导致发动机机油通过曲轴密封圈以及其他发动机密封圈和垫片泄漏。因此,必须使用曲轴箱通风系统。

现在的曲轴箱通风系统叫做曲轴箱强制通风系统,在1950年代初期,Arie Jan Haagen-Smit教授确定,来自汽车发动机的污染是造成加利福尼亚州洛杉矶烟雾烟雾危机的主要原因。加利福尼亚机动车污染控制委员会(加利福尼亚空气资源委员会的前身)成立于1960年,并开始研究如何防止窜气直接释放到大气中。PCV系统旨在将气体再循环到进气口,以便它们可以与新鲜空气/燃料结合并更完全燃烧。1961年,加利福尼亚州的法规要求所有新车都必须销售PCV系统,到1964年,在美国销售的大多数新车都配备了自愿的行业措施,PCV不仅在减少排放方面,而且在发动机内部清洁度和机油寿命方面都有好处,因此迅速成为全球所有车辆的标准装备。

而PCV最重要的设备就是这个PCV阀,现代汽车常坏的也是这玩意,某些车型烧机油也很可能是这玩意的锅,pcv可以理解为一个单向阀+阻火阀二合一,利用歧管真空吸走曲轴箱里的气,同时防止回火,另外还可以在怠速等真空度高的情况下关闭从而防止曲轴箱压力低。

对于一些紧凑型发动机,一般也有将pcv和油气分离器集成在一起的设计,油气分离器如果出了问题,烧机油也是必然的结果。

对于没有节气门的柴油车,不存在歧管真空,另外对于增压车,在增压阶段也不存在歧管真空,或者对于bmw的valvetronic来说,valvetronic启动时节气门是全开的,也不存在歧管真空,这些车型都配备电子或机械式真空泵以驱动真空设施。

当然,真空不止可以驱动pcv和刹车助力,因为真空作动器的存在几乎任何直线伺服工作都可以胜任,比如空调系统的各种翻板,不过因为这东西比较容易坏,再加上电驱动技术的发展,现在都用小电机了。这么两个60年代老爷车上的作动器就要500刀。

在60年代以前的车型,雨刷几乎都是真空驱动的,因为真空度会随着车速而上升,雨刮的刮水速度也会随着车速而变快,而真正将真空用到顶峰的可以说是67款的福特雷鸟,全车上能动的东西几乎都是真空作动器,修起来那叫一个头大

除了常规的刹车,这车的所有门锁也是真空作动的。

另外跳灯翻板,可调方向盘,前后排空调翻板,行李箱锁,选档器,都是真空的,也就少说真空挂掉了这些全体都完蛋。

幸好我国不存在如此古老的车,修车时也不用和遍布全车莫名其妙的真空管路以及老旧的化油器打交道。

对于没有节气门的柴油机来说,用真空比较困难,不过进气还是被找到了附加的用途,这就是jake brake,也就是压缩制动,这是最早由jacob公司于60年代专利的技术,通过一组不同的气门曲轴来控制进排气阀的开放,从而实现利用压缩进气进行刹车的目的。

当需要减速时,司机可以通过手柄控制使用多少个气缸进行压缩制动,此时离合器接触,汽车的动能通过轮子-变速箱-离合器-曲轴传递到活塞,制动时在吸气压缩冲程,发动机不喷油,压缩冲程匀性到活塞接近上止点时打开排气阀排气,活塞吸收的动能通过压缩气体释放,并在做功冲程再次压缩排气

诸位可以想一下巨大的空气流量通过小小的排气阀后产生的噪音,并且是极高的频率,大概和12辆摩托车拆了排气管一起拧油门差不多,所以美国很多地方都在城区禁止这项技术。不过至少jacob活到了现在,这项压缩制动技术也通过改进气门开放时间,增强消音技术等手段活到了现在,目前很多柴油机都有装配。

另一方面还有一种叫做排气制动的技术,即在排气管增加一个蝶阀,从而导致发动机无法排气,将动能消耗在压缩空气上,和压缩制动大同小异,这两种方法比液力缓速器结构简单价格便宜,在长下坡或者视野开阔的非紧急制动上节省了制动器的消耗。

既然提到了增压和老爷车,那就顺便说一个神奇的技术,喷水。二战期间的军用航空引擎使用歧管喷水来降低涡轮后温度,涡喷发动机也是用喷水来降低涡前温度,并增大排气质量从而提升推力,代价就是不完全燃烧的黑烟。

60年的奶Oldsmobile将这一技术引入到涡轮增压汽车中,那时还没有中冷器这一概念,只能简单粗暴的喷射水和酒精混合物降低进气温度。

saab 99 turbo也采用了类似的喷射技术,不过这都是没有正确的电控,没有正确的中冷器配置的妥协产物

也有后市场改装的喷水中冷器,直接将水喷射在进气道的中冷器上降温。喷水同时还能预防早燃,爆震,对于一些高性能改装车或者使用更激进的赛车燃料的车来说也是一个不错的选择。不过喷水系统需要非常精确的控制以使其可以在1个做工循环内完全排出,不然就会变得跟泡水车一样。

目前市售的还能买得到的带有喷水系统的车为m4 gts,这台s55搭配了博世设计的喷水冷却系统。不过这图上看不见,图上发动机右侧靠上的金属盒子为中冷器,靠下的金属物是机滤壶。

水箱和水泵放在了后备箱备胎的位置,这套喷水系统需要自己加水.

FEV和hannon曾经联合推出过一套回收排气冷凝水的系统,不过考虑到即使自己加水的系统都没什么人用,回收冷凝水可能更没人用了,这套系统也没有推广过。

虽然喷水可以降低5%左右的COx和NOx排放,不过现代发动机的工作范围受ecu严格界定,贸然喷水会导致各种各样的问题,宝马这台s55为了配合喷水做了大范围的修改,增加了许多空气质量传感器,温度传感器等等探头,这套复杂的系统一旦损坏,或者说一旦喷水过多,发动机都会直接报废,面对这种风险,量产买菜车肯定是不会见到啦。
本文探讨了汽车进气系统的历史与应用,包括空气滤清器的发展,从油浴式到滤纸式的变化,以及进气真空在刹车助力、曲轴箱通风系统中的作用。此外,还介绍了压缩制动和喷水冷却技术在柴油机和高性能汽车中的应用。

被折叠的 条评论
为什么被折叠?



