今天与大家一起学习的时:继电器控制正、反转控制线路
继电器控制式正、反转控制线路,线路利用了KA1、KA2继电器分别进行正转和反转控制。原理图分享给大家:

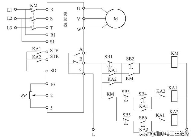
控制分析:
①启动准备。按下按钮SB2→接触器KM线圈得电→KM主触点和两个常开辅助触点均闭合→KM主触点闭合为变频器接通主电源,一个KM常开辅助触点闭合锁定KM线圈得电,另一个KM常开辅助触点闭合为中间继电器KA1、KA2线圈得电做准备。
②正转控制。按下按钮SB4→继电器KA1线圈得电→KA1的1个常闭触点断开,3个常开触点闭合→KA1的常闭触点断开使KA2线圈无法得电,KA1的3个常开触点闭合分别锁定KA1线圈得电、短接按钮SB1和接通STF、SD端子→STF、SD端子接通,相当于STF端子输入正转控制信号,变频器U、V、W端子输出正转电源电压,驱动电动机正向运转。调节端子10、2、5外接电位器RP,变频器输出电源频率会发生改变,电动机转速也随之变化。

③停转控制。按下按钮SB3→继电器KA1线圈失电→3个KA常开触点均断开,其中1个常开触点断开切断STF、SD端子的连接,变频器U、V、W端子停止输出电源电压,电动机停转。

④反转控制。按下按钮SB6→继电器KA2线圈得电→KA2的1个常闭触点断开,3个常开触点闭合→KA2的常闭触点断开使KA1线圈无法得电,KA2的3个常开触点闭合分别锁定KA2线圈得电、短接按钮SB1和接通STR、SD端子→STR、SD端子接通,相当于STR端子输入反转控制信号,变频器U、V、W端子输出反转电源电压,驱动电动机反向运转。

⑤变频器异常保护。若变频器运行期间出现异常或故障,变频器B、C端子间内部等效的常闭开关断开,接触器KM线圈失电,KM主触点断开,切断变频器输入电源,对变频器进行保护。
若要切断变频器输入主电源,可在变频器停止工作时按下按钮SB1,接触器KM线圈失电,KM主触点断开,变频器输入电源被切断。由于在变频器正常工作期间(正转或反转),KA1或KA2常开触点闭合将SB1短接,断开SB1无效,这样做可以避免在变频器工作时切断主电源。
本文介绍了一种利用继电器实现电动机正反转控制的方法。通过按钮操作控制继电器线圈得电,进而控制电动机的正转和反转。文章详细解析了正转、停转及反转的工作流程,并说明了变频器异常保护机制。

被折叠的 条评论
为什么被折叠?



