PLC顺序控制☟

PLC正反转控制☟

按钮开关☟

冲孔加工☟

断电延时型时间继电器☟

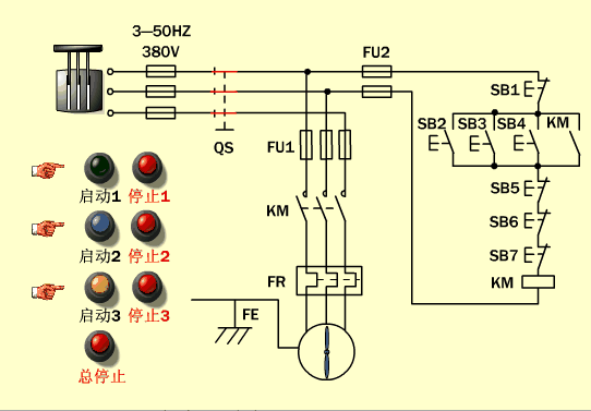
多点控制☟

滚轮式行程开关☟

红绿灯☟

机械手☟

交流接触器☟

热继电器☟

三相闸刀☟

时间继电器☟

手动控制☟

速度继电器☟

星三角启动☟

异步电动机转动原理☟

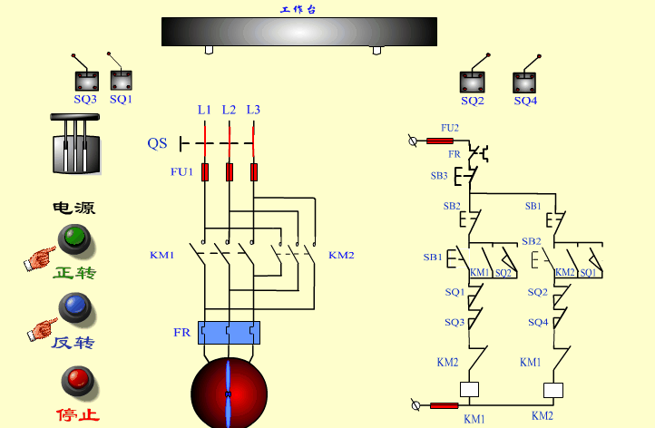
自动往返控制☟

徐州珂尔玛科技有限公司
Xuzhou Coal Mine Technology Co., Ltd
徐州珂尔玛科技有限公司总部位于人杰地灵的中国矿业大学科技城内,生产基地坐落于铜山经济开发区第三工业园内,依托中国矿业大学雄厚的师资技术力量,主要从事煤矿安全生产监测监控类设备的研发、生产以及相关安装工程、服务,公司的使命是通过科技创新,助力于矿山企业实现安全生产、节能减排、减岗提效,改善煤矿职工生产条件,提升企业形象。
公司成立于2008年4月,注册资本2000万元,拥有本安型音箱、本安型摄像仪等多项专利技术。获得ISO9001证书、安防证书、系统集成资质、软件著作权证书、生产许可证等各种资格证书。公司拥有在职员工80多人,其中大专以上学历达到70%以上,中级职称以上有30多人。
公司一贯致力于煤矿自动化、综合自动化、综合信息化等方面的科研攻关,拥有通信、计算机网络、企业信息化、矿井综合自动化、矿井安全监测监控及生产调度指挥系统等方面多项科技成果;工程技术人员大多具有国家重大开发专项经验,通过了信息产业部高级项目经理或项目经理资格认证,工程项目多次获得教育部、国家安全生产监督管理总局、煤炭工业协会科技成果奖。经过多年的科研攻关,公司先后开发了针对煤矿企业的煤矿胶带运输监控系统等二十多套系统,广泛应用于全国多个大中型煤矿及企事业单位,质量、信誉获得广大用户的高度评价。
展望未来,我们将继续加强与厂矿企业的合作,以可靠的质量保证和良好的技术支持,竭诚为广大用户服务,共同致力于数字化矿山技术的研发、生产及装备。
直线:0516-82029989
市场:13952159812
客服:18626049340

博客介绍了PLC顺序控制、正反转控制等相关内容,还介绍了徐州珂尔玛科技有限公司。该公司依托矿大技术力量,从事煤矿安全生产监测监控类设备研发等,拥有多项专利和资格证书,有多项科技成果,开发的系统应用广泛,未来将继续服务数字化矿山技术。

被折叠的 条评论
为什么被折叠?



