支承辊是各轧制生产线上的重要备品备件之一,四辊轧机支承辊的作用是传递轧制力,提高辊缝横向刚度,降低工作辊的有害弯曲。由于支承辊消耗量大,制造周期长,轧制价格昂贵,因此其工作寿命越来越引起工程技术人员的重视。本文首先利用理论计算的方法得出了支承辊不同部位的弯曲强度、确定了支承辊弯曲强度最薄弱部位为主轴颈根部,然后利用Ansys Workbench模拟计算了支承辊最大等效应力及所在部位,经比较证明Ansys Workbench模拟计算正确。最后利用其参数化功能计算主轴颈根部不同大小圆弧时的最小安全系数,为支承辊结构改进、提高其使用寿命提供有益帮助。
一、弯曲强度理论计算
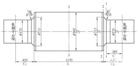
支承辊简图如图1所示。辊身直径D3=φ960mm,辊身长度L=1 170mm(截面3-3位于辊身中间位置);主轴颈里侧辊颈直径D1=φ575mm,轧制中心线至该辊颈根部R80mm圆弧中心距离C=385mm(截面1-1);辊身两侧锥面根部直径D2=φ715mm,轧制中心线至辊身距离C1=455mm(截面2-2)。

图1支承辊简图
轧制力为1800t,支承辊在轧制过程中只受轧制力(通过工作辊传递)和支反力(轴承箱传递),不承受扭矩作用。受力分析如图2所示。

本文介绍了如何利用Ansys Workbench对支承辊进行弯曲强度计算,确定其薄弱部位,并通过模拟验证理论计算的正确性。通过对支承辊的参数化分析,提出结构改进方案,以提高支承辊的安全系数和使用寿命。
最低0.47元/天 解锁文章
5400

被折叠的 条评论
为什么被折叠?



