微型计算机及接口技术2008年10月真题试题及答案解析(04732)
微型计算机及接口技术2008年10月真题试题及答案解析(04732),本试卷总分100分。
一、单项选择题
(本大题共20小题,每小题1分,共20分)在每小题列出的四个备选项中只有一个是符合题目要求的,请将其代码填写在题后的括号内。错选、多选或未选均无分。
1.在8086CPU的四个段寄存器中,用于指向当前堆栈段的是 ( )
A.CS
B.DS
C.ES
D.SS
2.8086处理器的标志寄存器中定义了9位,其中3位是控制位,6位是状态位。下述4位标志位中不属于状态位的是 ( )
A.PF
B.DF
C.OF
D.AF
3.当8086处理器采样到READY=0时,则8086将 ( )
A.执行停机操作
B.执行空操作
C.插入空闲周期
D.插入等待周期
4.由8088处理器组成的PC机中数据线是 ( )
A.8条单向线
B.16条单向线
C.8条双向线
D.16条双向线
5.当8086CPU在执行存储器写操作时,在CPU引脚上依次发出 ( )
A.地址值、写信号、数据值
B.写信号、地址值、数据值
C.数据值、地址值、写信号
D.地址值、数据值、写信号
6.对于8086CPU而事,指令周期、总线周期和时钟周期之问的关系是 ( )
A.一个总线周期由若干个指令周期组成
B.指令周期就是总线周期
C.时钟周期与总线周期相同
D.一个指令周期由若干个时钟周期组成
7.Pentium MMX微处理器,又称为“多能奔腾”,其MMX技术主要指 ( )
A.多媒体处理
B.协处理器功能
C.超标量技术
D.流水线技术
8.Pentium芯片与80486芯片的区别之一是 ( )
A.有浮点处理功能
B.片内集成有Cache
C.内部数据总线为32位
D.外部数据总线为64位
9.与LOOP P1指令近似相当的指令组是 ( )
A.DEC CX JZ P1
B.DEC CX JNZ P1
C.INC CX JNZ P1
D.INC CX JMP P1
10.执行如下程序段后,AX等于 ( )
A.55E6H
B.55E7H
C.5798H
D.5799H
11.SRAM芯片的存储容量为8KB(即8Kⅹ8bit),则它的地址线应为 ( )
A.A0~A7
B.A0~A11
C.A0~A12
D.A0~A13
12.DRAM芯片刷新逻辑除提供刷新地址外,还必须提供的控制信号是 ( )
A.

B.

C.

D.

13.8086/8088访问地址为100H的端口时,必须采用的寻址方式是 ( )
A.直接寻址方式
B.寄存器间接寻址方式
C.变址寻址方式
D.立即寻址方式
14.8086/8088CPU的寄存器中,能在I/O操作时用作端口地址寄存器的是 ( )
A.AX
B.BX
C.CX
D.DX
15.芯片74LS245在8086CPU系统中用作 ( )
A.总线锁存器
B.总线缓冲器
C.总线收发器
D.总线控制器
16.中断方式的特点是 ( )
A.CPU和外设串行工作,传送数据和主程序串行工作
B.CPU和外设串行工作,传送数据和主程序并行工作
C.CPU和外设并行工作,传送数据和主程序串行工作
D.CPU和外设并行工作,传送数据和主程序并行工作
17.需要在内存和外设之间高速、成组地传送数据时,应该采用的输入/输出传输控制方式是 ( )
A.无条件传送
B.程序查询传送
C.中断传送
D.DMA传送
18.8086中断系统中,中断优先级由高到低的顺序是 ( )
A.内部中断,不可屏蔽中断,可屏蔽中断,单步中断
B.内部中断,单步中断,不可屏蔽中断,可屏蔽中断
C.不可屏蔽中断,内部中断,可屏蔽中断,单步中断
D.不可屏蔽中断,可屏蔽中断,内部中断,单步中断
19.8086CPU响应某一外部可屏蔽中断请求后,该中断源的中断类型码送入CPU是通过CPU的 ( )
A.地址总线
B.数据总线
C.控制总线
D.状态总线
20.某一中断服务程序的入口为121地址存在中断向量表的0020H~0023H存储单元中,则该中断对应的中断类型码是 ( )
A.05H
B.08H
C.10H
D.20H
二、多项选择题
(本大题共5小题,每小题2分,共10分)在每小题列出的五个备选项中有二至五个是符合题目要求的,请将其代码填写在题后的括号内。错选、多选、少选或未选均无分。
11.存储容量为64Kⅹ1b的DRAM芯片2164的引脚有 ( )
A.A15~A8
B.A7~A0
C.

D.CAS
E.Din和DOUT
12.8086系统中,CPU在由偶存储体和奇存储体组成的存储系统中读一个“对准的”字数据时,需要产生的控制信号有 ( )
A.

B.

C.

D.

E.

13.微机系统中,CPU能直接访问的存储器是 ( )
A.DRAM
B.Cache
C.固定硬盘
D.移动硬盘
E.CDROM
14.查询传送方式输出接口电路中有 ( )
A.控制端口
B.状态端口
C.数据输出端口
D.数据输入端口
E.中断控制逻辑
15.当外部有中断请求,CPU未响应,可能的原因是 ( )
A.CPU刚执行完HALT指令
B.CPU当前关中断
C.CPU在执行高优先权的中断服务程序
D.当前执行DMA操作
E.CPU在执行非屏蔽中断服务
三、判断改错题
(本大题共5小题,每小题2分,共10分)判断下列各题正误,正者在括号内打“√”。误者在括号内打“×”并说明由。
21.微型计算机是指由微处理器、内存储器以及输入/输出设备和相应的辅助电路构成的裸机。 ( )
22.地址总线是一种双向总线,其功能是微处理器向内存储器和I/O接口传送地址。( )
23.8086CPU采用EU和BIU部件独立工作,这样,在大多数情况下,CPU可以同时对一条指令进行取指令、分析、执行。 ( )
24.8253的每个计数通道中的核心部件是计数执行单元CE(减法计数器),在所有工作方式中,当CE值减为0时,必然会自动装入计数初值。 ( )
25.总线是二个模块(子系统或设备)之间相互通信以实现数据传送的公共通路。 ( )
四、简答题
(本大题共5小题,每小题4分,共20分)
31.MOV AX,BX NOT AX ADD AX,BX INC AX 执行上述指令后AX= ZF=, CF= 。
32.存储器系统片选控制方法中的全译码法和部分译码法有什么不同?
33.简述中断控制器8259A的主要功能。
34.请写出异步串行传送的数据帧格式。
35.什么是“整合型芯片组”?
五、简单分析设计题
(本大题共3小题,第36小题6分,第37-38小题各7分,共20分)
41.如题36图所示,存储器由两片存储器芯片u,和u2组成,采用线选法实现片选控制则两片存储芯片的地址范围应为:u1的地址范围=;u2的地址范围=。
题36图
42.某指示灯用低电平驱动点亮。现要求用8253的OUT0输出端控制指示灯,当向GATE0端输入一个上升沿的控制信号,指示灯点亮1秒钟。已知输人时钟频率为5KHZ。端口地址为80H~83H。要求:(1)写出该通道的工作方式及名称;(2)写出写入计数初值的程序段,要求采用二进制汁数。
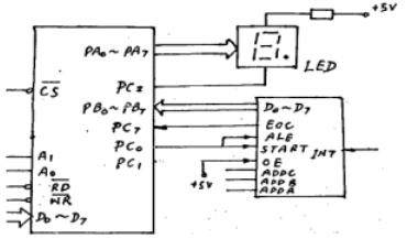
43.8255A同ADC0809以及7段LED显示器接口如题38图所示,要求将IN7的模拟量转换为数字量.输入8255A的PB Vl,然后按数字量的大小控制LED管显示,若数字量<80H,LED显示‘1’(字形码为0F9H);数字量≥80H,LED显示‘0’(字形码为0C0H);7段LED显示器工作条件是:PC2=0。其控制程序如下(注:初始化程序段与A/D转换启动程序段略),请将符合空缺处要求 的答案填在题后的空格内。
题38图LOP: IN AL,PC口地址 ;读EOCTEST AL,___①_______②___ LOPIN AL,PB口地址 ;读转换后的数字量TEST AL,___③____MOV AL,____④___ ;PC2置0,使LED工作OUT ,ALJZ ____⑤___ ;数字量〈80HMOV AL,____⑥____ ;显示0OUT PA口地址,ALJMP DONESET1: MOV AL,___⑦____ ;显示1OUT PA口地址,ALDONE : HLT
六、综合分析设计题
(本大题共2小题,每小题10分,共20分)
51.8255用作发光二极管L0、L1、L2和开关K0、K1、K2的接口如题39图所示。8255的方式控制字格式如下:

要求:(1) 计算8255A的端口地址;(2)写出8255A的PA口和PB口各应工作于8255A的哪种工作方式(方式0、方式1还是方式2)?(3)该接口中PA口和PB口各处于哪种控制方式(无条件传送、查询输人、查询输出还是程序中断) ?
52.题39图接口中通过检测开关K0、K1、K2的通1断状态,控制三个发光二极管的点亮和熄灭。要求: K0、K1、K2全部接通时,L0点亮; K0、KI、K2全部断开时,LI点亮; 其余状态,L2点亮。其控制程序如下。请将符合空缺处要求的答案填在题后的空格中。MOV DX,控制口地址 ;8255A初始化MOV AL,__①___ ;方式控制字中无关项置0OUT DX,ALLOP: MOV DX,PB口地址 ;检查开关状态IN AL,DXAND AL,__②__ ;保留低3位CMP AL,00H ;是否全通JZ REDCMP AL,__③___ ;是否全断JZ GREENMOV AL,03H ;置黄灯(L2)亮JMP DISPLEDRED: MOV AL,__④___ ;置红灯(L0)亮JMP DISPLEDGREEN:MOV AL,___⑤__ ;置绿灯(L1)亮DISPLED:MOV DX.PA口地址 ;点亮相应的LEDOUT DX,ALJMP LOP

被折叠的 条评论
为什么被折叠?



