使用运算放大器(OP)可以制作各种特性优良的振荡器。这里对一种简单而稳定的方波振荡器进行分析,这种振荡器叫做弛张振荡器(Relaxation Oscillator),应用相当广泛。
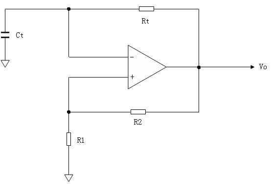
基本电路
弛张振荡器的频率范围受所选的OP放大器制约,频率高的时候受制于OP的转换速率(Slew Rate);频率较低的时候受制于OP的偏流和噪声。上图中,如果R1, R2, Rt均取值为100k,则电容Ct如果使用1uF~100pF,就可得到12Hz~120kHz频率范围的方波。如果使用频率更高的OP或比较器,电阻须降低一个数量级。
在低频的时候,Ct往往需要取很大的值,同时应选取偏流小的OP放大器,并增大Rt,从而获得良好的效果。
利用这个电路可实现单稳态多谐振振荡器、可变频率、定时器、方波驱动等应用。
原理分析
首先该电路输出要得到充分振荡。现在,我们从达到OP放大器的正向饱和电压+Vom状态开始分析。此时,正向输入端的电压为:V+ = Vom×R1 / (R1+R2) ,由于V+电压高于V-电压,Vo保持正向最大输出电压+Vom;同时,+Vom通过Rt为电容Ct充电。
当Ct电压Vc(即负向输入端电压V-)充电电压达到Vom×R1 / (R1+R2)并略超过时,则OP放大器的输出变为负向饱和值-Vom,此时正向输入端电压变为:V- = -Vom×R1 / (R1+R2) ,由于V+电压低于V-电压,Vo保持负向最大输出电压-Vom;同时,-Vom通过Rt为电容Ct反极性充电,当电容电压达到-Vom×R1 / (R1+R2)并略低于该值时,则OP的输出变为正向饱和值+Vom。如此周期性的重复该过程,波形如下图所示—
振荡频率f为:f = 1 / [ 2RtC ln(R1/2R2 + 1) ]
小结
这种振荡器与普通晶体管和数字IC做出的振荡器想比,具有频率更加稳定的特点;还可通过稳定其输出振幅来改善其温度特性,进一步使频率更稳定!并且,在该电路的V+端如果给予一个电压激励的话,可以构成简单压控振荡器(VCO)。总之,弛张振荡器被广泛应用于各种电子电路中。
本文分析了一种基于OPA847的弛张振荡器,详细探讨了其工作原理、频率范围以及应用场景。电路频率由电容Ct和电阻Rt决定,覆盖12Hz到120kHz。在低频时,选择小偏流的OP放大器和适当调整电阻可优化性能。该振荡器可用于单稳态多谐振荡器、定时器、频率可调和方波驱动等多种功能。其频率稳定性和输出振幅的可控性使其在电子电路设计中具有广泛应用。
1958

被折叠的 条评论
为什么被折叠?



