计算器简介
计算器是现代人发明的可以进行数字运算的电子机器。现代的电子计算器能进行数学运算的手持电子机器,拥有集成电路芯片,但结构简单,功能弱,但较为方便与廉价,可广泛运用于商业交易中,主要是计算结果是必备的办公用品之一。为节省电能,计算器都采用CMOS工艺制作的大规模集成电路。低档计算器的运算器、控制器由数字逻辑电路实现简单的串行运算,键盘是计算器的输入部件,一般采用接触式或传感式。为减小计算器的尺寸,一键常常有多种功能。显示器是计算器的输出部件,有数码管显示器或液晶显示器等。那么今天给各位朋友介绍的是用单片机制作的简单的模拟计算器。

简易计算器
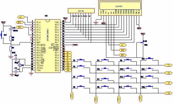
为了帮助单片机爱好者学习单片机,本计算器是系列STC89C51RC单片机为核心构成的简易计算器系统。该系统通过单片机控制,实现对4*4键盘扫描进行实时的按键检测,并由LCD1602显示屏将过程与结果显示出来。硬件相对比较简单,主要由四部分组成。第一部分是单片机最小系统;第二部分是 4*4矩阵键盘;第三部分是LCD1602显示屏;第四部分是系统+5V电源。还是先说说制作流程:
第一步是绘制电路原理图

以单片机为主控芯片的简易计算器原理图
第二步是根据设计绘制的原理图购买电子元器件
所用电子元器件明细表
单片机主控芯片——-STC89C52RC 1片
LCD液晶显示模块——LCD1602 1片
点动按键BUTTON -- -- 17个
自锁开关按键------ 1个
10K可调电阻-----1个
晶振----- 1个
10K电阻-----9个
10UF电解电容-----1个
稳频电容30PF----2个
PCB万能实验板 ----1块
第三步是万能实验板的焊接
由于所用原件比较少焊接相对比较简单,焊接时主要注意单片机芯片最好用插座,便于烧写程序,还有就是LCD1602 的引脚要焊接正确,不能焊接错误,再一个就是16X16的矩阵按键焊接时也要留心。其他都比较好焊接。

简易计算器电路板正面

简易计算器焊接反面
下面主要说说LCD1602液晶这个显示模块,那个大大的,平时第一行显示 16 个小黑块,第二行什么都不显示的东西就是 1602 液晶, 1602 液晶主要显示容量 16 x 2 个字符,芯片工作电压 4.5~5.5V ,工作电流 2.0mA(5.0V) ,模块最佳工作电压 5.0V 1602 液晶,从它的名字我们就可以看出它的显示容量,就是可以显示 2 行,每行 16 个字符的液晶。它的工作电压是 4.5V~5.5V,这点我们直接按照 5V电源接上就可以了,但是保证我们的 5V 系统最低不能低于 4.5V。在 5V 工作电压下测量它的工作电流是 2mA,大家注意,这个 2mA 仅仅是指液晶,而它的黄绿背光都是用 LED 做的,所以功耗一般有一二十毫安。1602 液晶一共 16 个引脚,每个引脚的功能如下注释说明。
1, VSS--- 电源地
2, VDD---- 电源正极
3 ,VL---- 液晶显示偏压信号
4 ,RS---- 数据/命令选择端(H/L)
5, R/W---- 读/写选择端(H/L)
6, E---- 使能信号端
7, D0 --Data I/O (输入输出口)
8, D1--- Data I/O(输入输出口)
9, D2--- Data I/O (输入输出口)
10, D3 ---Data I/O (输入输出口)
11, D4--- Data I/O (输入输出口)
12 ,D5 ---Data I/O (输入输出口)
13 ,D6 ---Data I/O (输入输出口)
14, D7 ---Data I/O (输入输出口)
15, BLA ---背光源正极(输入输出口)
16, BLK ----背光源负极(输入输出口)

LCD1602正面

LCD1602背面
第四部分是程序编写部分
我们制作最简易的计算器可由按键和液晶两个元件为核心。下面我们来共同学习一个简易整数计算器。为了不让程序太复杂,我们这个计算器不考虑连加,连减等连续计算,不考虑小数情况。加键、减键、乘键、除键、和0-9键、等于键、清零键等16个按键,组成一个矩阵键盘。我们通过模块化编程,其程序共分为三部分,第一部分是主函数模块,第二部分是1602 液晶显示模块,第三部分是按键动作和扫描模块,我们先说主程序模块。在必要的语句后面都加了注释,方便大家理解。
主函数模块
#include
unsigned char step = 0; //操作步骤
unsigned char oprt = 0; //运算类型
signed long num1 = 0; //操作数1
signed long num2 = 0; //操作数2
signed long result = 0; //运算结果
unsigned char T0RH = 0; //T0重载值的高字节
unsigned char T0RL = 0; //T0重载值的低字节
void ConfigTimer0(unsigned int ms);//配置时间函数声明
extern void KeyScan();//外部按键扫描函数声明
extern void KeyDriver();//外部按键驱动函数声明
extern void InitLcd1602();//外部液晶LCD1602函数初始化声明
extern void LcdShowStr(unsigned char x, unsigned char y, unsigned char *str);//外部显示字符声明
extern void LcdAreaClear(unsigned char x, unsigned char y, unsigned char len);//清屏
extern void LcdFullClear();//清屏函数声明
void main( void)
{
EA = 1; //开总中断
ConfigTimer0(1); //配置T0定时1ms
InitLcd1602(); //初始化液晶
LcdShowStr(15, 1, "0"); //初始显示一个数字0
while (1)
{
KeyDriver(); //调用按键驱动
}
}
/* 长整型数转换为字符串,str-字符串指针,dat-待转换数,返回值-字符串长度 */
unsigned char LongToString(unsigned char *str, signed long dat)
{
signed char i = 0;
unsigned char len = 0;
unsigned char buf[12];
if (dat < 0) //如果为负数,首先取绝对值,并在指针上添加负号
{
dat = -dat;
*str++ = '-';
len++;
}
do { //先转换为低位在前的十进制数组
buf[i++] = dat % 10;
dat /= 10;
} while (dat > 0);
len += i; //i最后的值就是有效字符的个数
while (i-- > 0) //将数组值转换为ASCII码反向拷贝到接收指针上
{
*str++ = buf[i] + '0';
}
*str = '0'; //添加字符串结束符
return len; //返回字符串长度
}/* 显示运算符,显示位置y,运算符类型type */
void ShowOprt(unsigned char y, unsigned char type)
{
switch (type)
{
case 0: LcdShowStr(0, y, "+"); break; //0代表+
case 1: LcdShowStr(0, y, "-"); break; //1代表-
case 2: LcdShowStr(0, y, "*"); break; //2代表*
case 3: LcdShowStr(0, y, "/"); break; //3代表/
default: break;
}
}
/* 计算器复位,清零变量值,清除屏幕显示 */
void Reset()
{
num1 = 0;
num2 = 0;
step = 0;
LcdFullClear();
}
/* 数字键动作函数,n-按键输入的数值 */
void NumKeyAction(unsigned char n)
{
unsigned char len;
unsigned char str[12];
if (step > 1) //如计算已完成,则重新开始新的计算
{
Reset();
}
if (step == 0) //输入第一操作数
{
num1 = num1*10 + n; //输入数值累加到原操作数上
len = LongToString(str, num1); //新数值转换为字符串
LcdShowStr(16-len, 1, str); //显示到液晶第二行上
}
else //输入第二操作数
{
num2 = num2*10 + n; //输入数值累加到原操作数上
len = LongToString(str, num2); //新数值转换为字符串
LcdShowStr(16-len, 1, str); //显示到液晶第二行上
}
}
/* 运算符按键动作函数,运算符类型type */
void OprtKeyAction(unsigned char type)
{
unsigned char len;
unsigned char str[12];
if (step == 0) //第二操作数尚未输入时响应,即不支持连续操作
{
len = LongToString(str, num1); //第一操作数转换为字符串
LcdAreaClear(0, 0, 16-len); //清除第一行左边的字符位
LcdShowStr(16-len, 0, str); //字符串靠右显示在第一行
ShowOprt(1, type); //在第二行显示操作符
LcdAreaClear(1, 1, 14); //清除第二行中间的字符位
LcdShowStr(15, 1, "0"); //在第二行最右端显示0
oprt = type; //记录操作类型
step = 1;
}
}
/* 计算结果函数 */
void GetResult()
{
unsigned char len;
unsigned char str[12];
if (step == 1) //第二操作数已输入时才执行计算
{
step = 2;
switch (oprt) //根据运算符类型计算结果,未考虑溢出问题
{
case 0: result = num1 + num2; break;
case 1: result = num1 - num2; break;
case 2: result = num1 * num2; break;
case 3: result = num1 / num2; break;
default: break;
}
len = LongToString(str, num2); //原第二操作数和运算符显示到第一行
ShowOprt(0, oprt);
LcdAreaClear(1, 0, 16-1-len);
LcdShowStr(16-len, 0, str);
len = LongToString(str, result); //计算结果和等号显示在第二行
LcdShowStr(0, 1, "=");
LcdAreaClear(1, 1, 16-1-len);
LcdShowStr(16-len, 1, str);
}
}
/* 按键动作函数,根据键码执行相应的操作,keycode-按键键码 */
void KeyAction(unsigned char keycode)
{
if ((keycode>='0') && (keycode<='9')) //输入字符
{NumKeyAction(keycode - '0'); }
else if (keycode == 0x26) //向上键,+
{ OprtKeyAction(0);}
else if (keycode == 0x28) //向下键,-
{ OprtKeyAction(1); }
else if (keycode == 0x25) //向左键,*
{ OprtKeyAction(2);}
else if (keycode == 0x27) //向右键,÷
{OprtKeyAction(3);}
else if (keycode == 0x0D) //回车键,计算结果
{ GetResult();}
else if (keycode == 0x1B) //Esc键,清除
{
Reset();
LcdShowStr(15, 1, "0");
}
}
/* 配置并启动T0,ms-T0定时时间 */
void ConfigTimer0(unsigned int ms)
{
unsigned long tmp; //临时变量
tmp = 11059200 / 12; //定时器计数频率
tmp = (tmp * ms) / 1000; //计算所需的计数值
tmp = 65536 - tmp; //计算定时器重载值
tmp = tmp + 28; //补偿中断响应延时造成的误差
T0RH = (unsigned char)(tmp>>8); //定时器重载值拆分为高低字节
T0RL = (unsigned char)tmp;
TMOD &= 0xF0; //清零T0的控制位
TMOD |= 0x01; //配置T0为模式1
TH0 = T0RH; //加载T0重载值
TL0 = T0RL;
ET0 = 1; //使能T0中断
TR0 = 1; //启动T0
}
/* T0中断服务函数,执行按键扫描 */
void InterruptTimer0() interrupt 1
{
TH0 = T0RH; //重新加载重载值
TL0 = T0RL;
KeyScan(); //按键扫描
}
1602 液晶显示模块
#include
#define LCD1602_DB P0
sbit LCD1602_RS = P1^0;
sbit LCD1602_RW = P1^1;
sbit LCD1602_E = P1^5;
/* 等待液晶准备好 */
void LcdWaitReady()
{
unsigned char sta;
LCD1602_DB = 0xFF;
LCD1602_RS = 0;
LCD1602_RW = 1;
do {
LCD1602_E = 1;
sta = LCD1602_DB; //读取状态字
LCD1602_E = 0;
} while (sta & 0x80); //bit7等于1表示液晶正忙,重复检测直到其等于0为止
}
/* 向LCD1602液晶写入一字节命令,cmd-待写入命令值 */
void LcdWriteCmd(unsigned char cmd)
{
LcdWaitReady();
LCD1602_RS = 0; LCD1602_RW = 0; LCD1602_DB = cmd;
LCD1602_E = 1; LCD1602_E = 0;
}
/* 向LCD1602液晶写入一字节数据,dat-待写入数据值 */
void LcdWriteDat(unsigned char dat)
{
LcdWaitReady();
LCD1602_RS = 1; LCD1602_RW = 0; LCD1602_DB = dat;
LCD1602_E = 1; LCD1602_E = 0;
}
/* 设置显示RAM起始地址,亦即光标位置,(x,y)-对应屏幕上的字符坐标 */
void LcdSetCursor(unsigned char x, unsigned char y)
{
unsigned char addr;
if (y == 0) //由输入的屏幕坐标计算显示RAM的地址
addr = 0x00 + x; //第一行字符地址从0x00起始
else
addr = 0x40 + x; //第二行字符地址从0x40起始
LcdWriteCmd(addr | 0x80); //设置RAM地址
}
/* 在液晶上显示字符串,(x,y)-对应屏幕上的起始坐标,str-字符串指针 */
void LcdShowStr(unsigned char x, unsigned char y, unsigned char *str)
{
LcdSetCursor(x, y); //设置起始地址
while (*str != '0') //连续写入字符串数据,直到检测到结束符
{
LcdWriteDat(*str++);
}
}
/* 区域清除,清除从(x,y)坐标起始的len个字符位 */
void LcdAreaClear(unsigned char x, unsigned char y, unsigned char len)
{
LcdSetCursor(x, y); //设置起始地址
while (len--) //连续写入空格
{
LcdWriteDat(' ');
}
}
/* 整屏清除 */
void LcdFullClear()
{
LcdWriteCmd(0x01);
}
/* 初始化1602液晶 */
void InitLcd1602()
{
LcdWriteCmd(0x38); //16*2显示,5*7点阵,8位数据接口
LcdWriteCmd(0x0C); //显示器开,光标关闭
LcdWriteCmd(0x06); //文字不动,地址自动+1
LcdWriteCmd(0x01); //清屏
}
Lcd1602.c 文件中根据上层应用的需要增加了2 个清屏函数:区域清屏——LcdAreaClear,
整屏清屏——LcdFullClear。
按键动作和扫描模块
#include
sbit KEY_IN_1 = P2^4;sbit KEY_IN_2 = P2^5;sbit KEY_IN_3 = P2^6;
sbit KEY_IN_4 = P2^7;//定义输入端口
sbit KEY_OUT_1 = P2^3;sbit KEY_OUT_2 = P2^2;sbit KEY_OUT_3 = P2^1;
sbit KEY_OUT_4 = P2^0;//定义输出端口
unsigned char code KeyCodeMap[4][4] = { //矩阵按键编号到标准键盘键码的映射表
{ '1', '2', '3', 0x26 }, //数字键1、数字键2、数字键3、加号键
{ '4', '5', '6', 0x25 }, //数字键4、数字键5、数字键6、乘号键
{ '7', '8', '9', 0x28 }, //数字键7、数字键8、数字键9、减号键
{ '0', 0x1B, 0x0D, 0x27 } //数字键0、清零键、 等于键、 除号键
};
unsigned char pdata KeySta[4][4] = { //全部矩阵按键的当前状态
{1, 1, 1, 1}, {1, 1, 1, 1}, {1, 1, 1, 1}, {1, 1, 1, 1}
};
extern void KeyAction(unsigned char keycode);
/* 按键驱动函数,检测按键动作,调度相应动作函数,需在主循环中调用 */
void KeyDriver()
{
unsigned char i, j;
static unsigned char pdata backup[4][4] = { //按键值备份,保存前一次的值
{1, 1, 1, 1}, {1, 1, 1, 1}, {1, 1, 1, 1}, {1, 1, 1, 1}
};
for (i=0; i<4; i++) //循环检测4*4的矩阵按键
{
for (j=0; j<4; j++)
{
if (backup[i][j] != KeySta[i][j]) //检测按键动作
{
if (backup[i][j] != 0) //按键按下时执行动作
{
KeyAction(KeyCodeMap[i][j]); //调用按键动作函数
}
backup[i][j] = KeySta[i][j]; //刷新前一次的备份值
}
}
}
}
/* 按键扫描函数,需在定时中断中调用,推荐调用间隔1ms */
void KeyScan()
{
unsigned char i;
static unsigned char keyout = 0; //矩阵按键扫描输出索引
static unsigned char keybuf[4][4] = { //矩阵按键扫描缓冲区
{0xFF, 0xFF, 0xFF, 0xFF}, {0xFF, 0xFF, 0xFF, 0xFF},
{0xFF, 0xFF, 0xFF, 0xFF}, {0xFF, 0xFF, 0xFF, 0xFF}
};
//将一行的4个按键值移入缓冲区
keybuf[keyout][0] = (keybuf[keyout][0] << 1) | KEY_IN_1;
keybuf[keyout][1] = (keybuf[keyout][1] << 1) | KEY_IN_2;
keybuf[keyout][2] = (keybuf[keyout][2] << 1) | KEY_IN_3;
keybuf[keyout][3] = (keybuf[keyout][3] << 1) | KEY_IN_4; //消抖后更新按键状态
for (i=0; i<4; i++) //每行4个按键,所以循环4次
{
if ((keybuf[keyout][i] & 0x0F) == 0x00)
{ //连续4次扫描值为0,即4*4ms内都是按下状态时,可认为按键已稳定的按下
KeySta[keyout][i] = 0;
}
else if ((keybuf[keyout][i] & 0x0F) == 0x0F)
{ //连续4次扫描值为1,即4*4ms内都是弹起状态时,可认为按键已稳定的弹起
KeySta[keyout][i] = 1;
}
} //执行下一次的扫描输出
keyout++; //输出索引递增
keyout &= 0x03; //索引值加到4即归零
switch (keyout) //根据索引,释放当前输出引脚,拉低下次的输出引脚
{
case 0: KEY_OUT_4 = 1; KEY_OUT_1 = 0; break;
case 1: KEY_OUT_1 = 1; KEY_OUT_2 = 0; break;
case 2: KEY_OUT_2 = 1; KEY_OUT_3 = 0; break;
case 3: KEY_OUT_3 = 1; KEY_OUT_4 = 0; break;
default: break;
}
}
keyboard.c 是对之前已经用过多次的矩阵按键驱动的封装,具体到某个按键要执行的动
作函数都放到上层的 main.c 中实现,在这个按键驱动文件中只负责调用上层实现的按键动作函数即可。 main.c 文件实现所有应用层的操作函数,即计算器功能所需要信息显示、按键动作响应等,另外还包括主循环和定时中断的调度。 通过这样一个程序,我们可以学习如何进行多个.c 文件的编程,另外一个方面学会多个函数之间的灵活调用。可以把这个程序看成是一个简单的小项目进行练习。
第五部分是调试
调试分为硬件调试和软件调试两部分,调试时先调试硬件电路,然后再调试软件。硬件比较简单容易调试,主要是软件的调试要费些时间,只要有信心,就能在调试过程中锻炼自己的发现问题、分析问题、解决问题的能力。这个程序有点长,希望喜欢单片机的小伙伴们耐下心,慢慢理解,有问题可以留言、讨论!

调试完成的界面3795X593的结果

调试好的界面 3795x593
希望这个小项目能对喜欢单片机的小伙伴们有一定的帮助!喜欢的话请关注、留言、别忘了点个赞哦!你的支持是我前进的动力!
本文介绍了使用STC89C51RC单片机制作简易计算器的过程,包括原理图设计、电子元件选购、硬件焊接及LCD1602液晶显示屏的使用。文章详细讲解了计算器的硬件组成,如单片机、矩阵键盘和LCD1602的接口,并提供了程序设计思路,涉及按键扫描、液晶显示及运算处理。最后,作者分享了软件调试的经验,鼓励读者动手实践。

被折叠的 条评论
为什么被折叠?



