1 绪论
1.1 课题背景功放全称为功率放大电路,在我们的日常生活中会遇到许许多多的功放(扩
音机),比如我们常用的电脑、手机、收音机、 MP3、音响、扩音器等上面都会有功放,可以说在我们生活中遇到的凡是能发出声音的仪器设备上面都会有功放,可见功放和我们的生活联系的是多么的紧密。在我们学习《模拟电子技术》时知道,功放的种类有很多,按功放中功放管的导电方式不同,可以分为甲类功放、乙类功放、甲乙类功放和丁类功放;按电路所用的器材分类, 功放可以分为电子管放大器、 晶体放大器和集成电路放大器; 按照功能分类,功放可以分为前级功放、后级功放和合并式功放;按用途不同,可以分为 AV 功放, Hi-Fi 功放;其中甲乙类是我们比较熟悉的功放。基于功放的实用性与可操作性,这次我们小组选取《功放电路设计》作为设计题目,采用集成功放芯片 TDA2030 为核心 ,设计一个带音量控制、 高音控制、低音控制、左右声道均衡控制的功率放大器。 由此能更加的熟悉功放以及在设计与制作过程中体会设计电子器件的乐趣。
1.2 课题目标
(1).学习综合性电路设计和电子系统设计、电路装配、指标调测、故障处
理、设计报告的撰写等方法。
(2).学习电路焊接的基本技巧,熟练使用电烙铁、剪钳、万用表等电子工
具,以及焊接完成后的电路调试、故障处理的能力。
(3).以小组的方式完成,锻炼我们的团队协作能力,为以后做别的课题打
下基础。
(4).学习先进的电子电路设计理念,综合应用电子电路的基本知识,采用
EDA 技术独立设计电子电路的方法,(5).了解 Multisim 的使用方法,学会使用 Multisim 进行模拟电路的设
计、调试,为以后自己能独立设计电路打下基础。(6).培养理论联系实际的正确设计思路,训练综合应用所学电子电路的理
论知识去分析和解决工程实际问题的能力,培养创新能力。
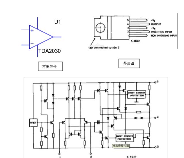
1.3 TDA2030 的介绍TDA2030A是电话机根生产的音频功放电路,采用 V型 5 脚单列直插式塑料封装结构。如下图所示,按引脚的形状引可分为 H型和 V型。该集成电路广泛应用于汽车立体声收录音机、中功率音响设备,具有体积小、输出功率大、失真小等特点。并具有内部保护电路。 意大利 SGS公司、美国 RCA公司、日本日立公司、NEC公司等均有同类产品生产,虽然其内部电路略有差异,但引出脚位置及功能均相同,可以互换。
内部结构图
2
1脚是正向输入端2脚是反向输入端3脚是负电源输入端4脚是功率输出端5脚是正电源输入端
3
TDA2030 特点:
(1).外接元件非常少。(2).输出功率大, Po=18W(RL=4Ω)。(3).采用超小型封装( TO-220),可提高组装密度。(4).开机冲击极小。(5).内含各种保护电路,因此工作安全可靠。主要保护电路有:短路保护、热保护、地线偶然开路、电源极性反接( Vsmax=12V)以及负载泄放电压反冲等。(6)TDA2030A能在最低± 6V最高±22V的电压下工作在± 19V、8Ω阻抗时能够输出 16W的有效功率, THD≤0.1%。无疑,用它来做电脑有源音箱的功率放大部分或小型功放再合适不过了。
1.4 双联电位器简介电位器是具有三个引出端、阻值可按某种变化规律调节的电阻元件。电位器通常由电阻体和可移动的电刷组成。 当电刷沿电阻体移动时, 在输出端即获得与位移量成一定关系的电阻值或电压。 电位器既可作三端元件使用也可作二端元件使用。后者可视作一可变电阻器。 而双联电位器简单来说就是有两个三脚电位器构成。
1.5 Multisim 软件简介Multisim 是美国国家仪器(NI)有限公司推出的以 Windows为基础的仿真工具,适用于板级的模拟 /数字电路板的设计工作。它包含了电路原理图的图形输入、电路硬件描述语言输入方式,具有丰富的仿真分析能力。Multisim 的具体功能为:构建仿真电路、仿真电路环境、 multi mcu(单片机仿真)、 FPGA、PLD,CPLD等仿真、通信系统分析与设计、 PCB设计、自动布线、器件建模及仿真、电路的构建及仿真、系统的组成及仿真、仪表仪器原理及制造仿真。由此可见 Multisim 的功能很是强大,特别是在电子信息方面的应用非常的广泛,使用该软件设计电路由于能实现仿真, 所以既省时间又省物力, 可以实现快速、高效的设计电路。
2 功率放大器设计
2.1功放电路研究的主要问题
(1)要求输出功率尽可能大: 要求输出电流和电压都大, 管子运行在极限状态。
(2)电路效率要高:效率是指负载得到的有用信号功率与电源供给的直流功率之比,比值越大效率越高。
(3)非线性失真尽可能小: 功率与失真是一对矛盾, 一般输出功率越大失真越严重。
(4)半导体的散热问题: 功放电路中很大一部分功率被集电结消耗掉, 使结温上升,为充分利用允许的管耗输出足够大的功率,散热非常重要。
(5)功放管的保护问题:为输出足够大的功率,管子承受的电压很高,通过的电流很大,管子较容易损坏。
2.2 功率放大器的组成多功能高质量的功率放大器分为两大部分, 即前置放大部分和功率放大及电源部分。
前置放大器: 前置放大器起匹配作用,其输入阻抗高(不小于 10kΩ),可以将前面的信号大部分吸收过去,输出阻抗低(几十Ω以下),可以将信号大部风传送出去。同时,它本身又是一种电流放大器, 将输入的电压信号转化成电流信号,并给予适当的放大。前置放大部分又分为信号源前置放大器和主控前置放大器二部分。信号源前置放大器的作用:均衡输入信号并改善其信噪比。主控前置放大器的作用:三个功能:放大微弱的音频信号,获得平直的频响,进行控制并美化音质。 控制并美化音质是指音量、 响度、音调和通道间的平衡等具体功能。音量控制器:音量控制器一般使用电位器或步进式衰减器。 在双通路立体音系统中,左右两声道的音量控制器一般是采用同轴电位器联动的。音调控制器:弥补扬声器系统或放音环境频率响应的不足, 满足听音者对频响的要求。功率放大:主要功能是对前置放大器输出的信号进行功率放大, 以推动扬声器系统放音。电源:提供稳定的整机电源。音量控制器:音量控制器一般使用电位器或步进式衰减器。 在双通路立体音系统中,左右两声道的音量控制器一般是采用同轴电位器联动的。音调控制器:弥补扬声器系统或放音环境频率响应的不足, 满足听音者对频响的要求。
2.3 稳压电源的设计
C1、C2容量为2200uF的点解电容, C3、C4容量为100000pF的涤纶电容。220V、50Hz的室内电压, 通过13:1的变压器形成 Va-Vb=16.9V、50Hz的交流电压,再经过桥式整流电路和纹波电路形成 Vo+≈+12V、Vo- ≈-12V的直流电压。
2.4 前置放大电路的设计
上图为前置放大器中的音调控制部分,其中电位器 W4为高音控制、电位器 W2为低音控制。当 W4滑至 C23端时,高音经 C23得到衰减; 下图为此时的简图。
3 功率放大器的安装与调试
3.1 安装步骤(1).将元器件按照类别,大小识别、分类,与说明说上的清单进行对比看有没有遗漏的,然后对二极管等元件进行检测,看是否能正常工作。(2).先安装并焊接矮小,耐热的元件,如电阻、瓷片电容、导线等,再安装高接+12V大的元件,如电解电容,最后焊接特殊元件,如怕热的三极管( TDA2030)。(3).安装散热片。(4).检查有无未安装焊接完成的部分。
3.2 电路板的检查与调试
检查电路
(1).检查有无错焊、漏焊、虚焊,焊接部位有无热损伤或机械损伤。通过检查,发现一个电位器疑似虚焊,用万用表电阻档检测,阻值应为
0
(2).然后对电路板外观进行整体检查后未发现错误,焊点均光亮,无拉尖,接通电源后予以调试时发现右声道无输出。
测试电路
1、当输入 5mV,200Hz的信号时:(1)、W6滑至最左端, W4、W2滑至最右端,调节 W1,得到 77mV的信号,增益约为 15.4;(2)、W6滑至最左端, W4、W2滑至最左端,调节 W1,得到 14.4V 的信号,增益约为 3000;(3)、W6滑至最右端, W4、W2滑至最左端,调节 W1,得到 3.5mV的信号,增益约为 0.7(4)、W6滑至最右端, W4、W2滑至最左端,调节 W1,得到 2.45V 的信号,增益约为 500;
2、当输入 5mV,100Hz的信号时:(1)、W6滑至最左端, W4、W2滑至最右端,调节 W1,得到 22mV的信号,增益约为 4.5;(2)、W6滑至最左端, W4、W2滑至最左端,调节 W1,得到 4.32V 的信号,增益约为 860;(3)、W6滑至最右端, W4、W2滑至最左端,调节 W1,得到 1.1mV的信号,增益约为 0.2;(4)、W6滑至最右端, W4、W2滑至最左端,调节 W1,得到 0.74V 的信号,增益约为 150;
误差分析
1. 均衡两边的电压不完全相等,主要是电阻、电容的实际值与标称值之间存在误差,属于元件误差。主要是由于温度的变化引起元件值出现误差。
2. 在交流变直流的输出理论值为 12v 但实际测量值为 12.4v 与理论值之间存在差距, 主要由于中间存在变压、整流、滤波的步骤,但是滤波不一定能滤干净,总之最后出来的波
不一定为完全为一条直线,其结果也不完全为 12v。3. TDA2030为放大低频的放大器,如果选用的频率较高,例如 10kHZ,会导致其增益很低,放大效果不是很好,只有选择 50-100HZ 时,才会有很好的放大效果。
13
4 总结
这三周的课程设计就那么快的过去了, 经过这三周,我们真的觉得自己学的东西还很少,只是用到模电这个知识领域里的很小一部分。通过这次课程设计,我们了解了 TDA2030各个引脚的功能以及用它做功放电路的优势。 知道要保证电路功率放大的作用, 要尽可能减小失真, 防止产生自激振荡, 并要将杂质成分过滤掉,在连接电路图的过程中, 知道了各个元器件的作用, 在课程设计的过程中,加深了对课本知识的理解, 让我们懂得了一点点的知识, 通过这次实训, 我们也借助很多东西去学会了仿真电子技术, 懂得去用仿真来看看设计的正确性。 通过三周,也我们实现了知识与能力的结合, 但是却很难去完成。 在课程设计中我们发现我们的焊接技术是很差的, 出现了很多虚焊, 一开始焊接完后电路板不能正常工作,只有一个音箱响, 通过检查才发现调节右声道的电位器出现了虚焊, 当老师提醒我们时,我们把电位器重新焊接才发现有虚焊。其次在选用电骡铁时,应该选用温度上升较快,且温度持续时间较长的,有利于更好的焊接。 TDA2030为放大低频的放大器,如果选用的频率较高,例如 10kHZ,会导致其增益很低,放大效果不是很好,只有选择 50-100HZ时,才会有很好的放大效果。最后,我们应该好好学习专业的理论知识,当用于实践时,才能更好的明白其原理。
本文介绍了功放电路的设计过程,包括采用TDA2030集成功放芯片为核心的设计方案,以及电路的安装与调试等内容。文章详细阐述了功放电路的组成部分、设计要点和技术细节。

被折叠的 条评论
为什么被折叠?



