用PLC控制交通信号灯已经是一个老生常谈的问题了,各种方式的控制系统也不断产生。祖国的经济社会不断发展,城市道路建设愈发完善,各种机动、电动车辆增多,交信号灯系统也不断得到完善和发展,这就要求其控制效率要不断提高。基于plc的交通灯控制系统能把PLC的软硬件系统功能强大、可靠性好,逻辑编程方法简单,易于开发复杂控制系统、有丰富的扩展模块和联网能力和应用范围十分广泛的特点结合起来,使系统易于实现。
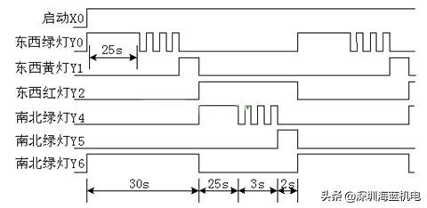
如图1是交通灯系统启动时,红、绿、黄灯按一定时序轮流发亮。首先东西绿灯亮,维持25s,同时南北红灯也亮,并维持30s,到了25s时,东西绿灯闪亮,闪亮周期为1s,闪亮3s后熄灭,东西黄灯亮,并维持2s。到2s时,东西黄灯熄、红灯亮,同时南北红灯熄,绿灯亮。南北绿灯亮维持25s, 东西红灯亮维持30s。到25s时,南北绿灯闪亮3s后灭,南北黄灯亮,并维持2s。到2s时,南北黄灯熄、红灯亮,同时东西绿灯亮,开始下一周期的动作。

PLC控制交通信号灯系统设计
图1 十字路口交通灯示意图
根据十字路口交通信号灯的控制要求,可作出信号灯的控制时序图如图2。

PLC控制交通信号灯系统设计
图2 交通信号灯控制的时序图
本任务是用基本指令来实现十字路口交通灯控制。这是一个时序控制过程。十字路口南北向以及东西向均设有红、黄、绿三只信号灯,六只灯按一定的时序循环往复工作。所以本任务的关键是要用机内器件将信号灯状态变化的“时间点”表示出来。分析时序图,找出信号灯状态发生变化的每个“时间点”,并安排相应的器件如表1所示。

PLC控制交通信号灯系统设计
表1 时间点及实现方法
一、系统的硬件设计
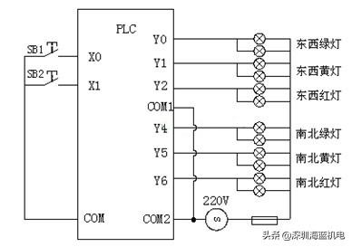
根据信号灯的控制要求,本任务所用的器件有:起动按钮SB1 ,停止按钮SB2 ,红黄绿色信号灯各四只。
1.系统元件I/O分配表

PLC控制交通信号灯系统设计
表2 I/O分配表
2.绘制PLC硬件接线图及硬件连接
根据I/O分配,绘制PLC硬件接线图,如图3所示。项目实施过程中,按照此接线图连接硬件。注意不同型号PLC对输入/输出接口电路电源的要求是不同的,应根据实际情况匹配不同的电源,并根据电源选择外部器件。

PLC控制交通信号灯系统设计
十字路口交通灯控制PLC接线图
二、系统的软件设计
本任务的具体实现梯形图由读者自行完成。
设计提示:
1.依表3-1所列器件及方式绘出各“时间点”形成所需支路。这些支路是依“时间点”的先后顺序绘出。
2.以“时间点”为工作条件绘出各信号灯的输出梯形图。
3.为了实现交通信号灯的启停控制,在梯形图上增加主控环节。作为一个循环的结束,第二个循环开始控制的T7的常闭触点也作为条件串入主控指令中。
三、系统调试运行
1.按照图3连接好PLC的输入和输出;
2.输入设计好的梯形图,并将程序下载到PLC。
3.将PLC运行开关打到RUN,运行程序。
4.操作控制按钮,观察运行结果。
5.分析程序运行结果,编写相关技术文件。
上述就是本文的PLC控制交通信号灯系统设计内容了,更多自动化知识,请关注海蓝机电。如果你有关于自动化产品和技术的问题,我们很乐意为你解答。更多三菱自动化文章分享,请点击下方“了解更多”阅读,或者关注小编,回复“进群”,加入三菱PLC技术微信交流群。
本文详细介绍了如何使用PLC设计十字路口的交通信号灯控制系统,包括控制时序、硬件设计、软件设计和系统调试。通过分析控制要求和时序图,利用PLC的基本指令实现信号灯的时序循环工作,确保交通流畅。
7087

被折叠的 条评论
为什么被折叠?



