一、电流的检测的用途
电流检测信号是电流模式开关模式电源设计的重要组成部分。
电流检测主要用于:
1、开关电流过流检测,实现过流保护。

显示了两种情况下电感电流的示波器图像:第一种情况使用电感电流能够驱动的负载(红线),而在第二种情况下,输出短路(紫线)。

2、用于多相开关电源的均流设计。

在多相电源设计中,利用它能实现精确均流。对于轻负载电源设计,它可以防止电流反向流动,从而提高效率(反向电流指反向流过电感的电流,即从输出到输入的电流,这在某些应用中可能不合需要,甚至具破坏性)。
另外,当多相应用的负载较小时,电流检测可用来减少所需的相数,从

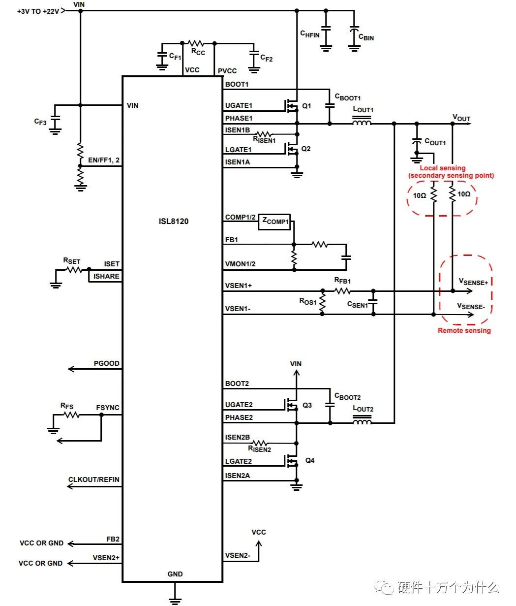
本文详细介绍了开关电源中电流检测的重要性及其基本原理,包括串入精密电阻、利用下管的Rds(on)和电感DCR电流检测三种方法。电流检测在过流保护、多相电源均流设计、轻负载效率提升等方面发挥关键作用。同时,文章探讨了各种方法的优缺点,如精度、成本和效率等因素。
最低0.47元/天 解锁文章
2556

被折叠的 条评论
为什么被折叠?



