☞ 这是金属加工(mw1950pub)发布的第11052篇文章
编者按
以数控轧辊车床为例,FANUC 0i-TF在半闭环控制下稳定运行,全闭环时发生明显振动,使用FANUC 0i-TF数控系统中的双位置反馈功能解决机床振动等问题。
01
机床现状
数控轧辊车床一般纵(Z)、横(X)向用光栅尺作为反馈元件,进行全闭环控制,FANUC数控系统对机床机械精度和光栅尺安装精度要求较高。数控轧辊车床的机械精度(刚性、间隙和反向间隙等)是客观存在的,光栅尺安装随机性大,导致FANUC数控系统多种故障频繁出现。影响机床的正常工作稳定性。而FANUC数控系统参数繁多,使调试周期较长。
本文的数控轧辊车床,适用于高速钢、硬质合金刀对铸铁件、钢件及有色金属件进行粗、精加工,本机床可完成车削外圆柱表面,外曲线表面车削端面、切槽、车锥度或其他特殊加工要求,也可用于轧辊孔型的新开和修复,完成精车和粗车。
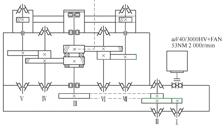
数控系统为FANUC 0i-TF,切削工件最大直径φ1 600mm,切削工件加工长度6 000mm,质量40t。纵向滑板箱由FANUC的 α iF40/3000+FAN伺服电动机驱动,纵向滑板箱是一个液压自动消隙的双牙棒滑板箱。横向拖板由滚珠丝杠拖动,经过一级齿轮降速,由FANUC的αiF40/3000+FAN伺服电动机驱动。
02分析原因
由于纵向滑板箱传动链较长(见图1)纵向光栅尺的有效测量长度为6 640mm,影响机械精度的环节较多,例如齿轮、轴承和轴的精度等零件精度,以及安装精度、间隙等原因,全闭环时纵向有时会产生明显振动及多种故障报警。为了分析原因,最终解决问题,用激光干涉仪检测机械安装精度,使机械安装精度达到数控轧辊机床的精度要求,优化数控系统的参数,做好机床的接地,数控系统面板、放大器和分离检测单元等的接地等,消除干扰总题。用检测海德汉光栅尺的仪器检测海德汉光栅尺的信号等。以上工作都做到完全合格后,机床振动及报警的问题仍然得不到解决。此时将本机床改为半闭环,机床能稳定运行。
图1 双牙棒滑板箱传动链
03激活FANUC双位置反馈功能
双重位置反馈位置控制的框图如图2所示。
图 2
在图2中,ER1为半闭环的错误计数器,ER2为全闭环的错误计数器。一次迟延系统传递函数=(1+t s)-1,所以实际错误ER将基于时间常数t改变:当时间常数t=0时,实际错误ER=ER2(全闭环的错误计数器),当时间常数t=∞时,实际错误ER=ER1(半闭环的错误计数器)。
根据一次迟延时间常数项,即可利用半闭环来控制过渡状态,利用全闭环来控制定位。根据此原理,也可以将移动中的振动控制成类似半闭环的方式。参数设定如下:
2019#7=1时双重位置反馈有效。
2049为双重位置反馈最大振幅,通常情况下设为0,设定值=0时,补偿不会被钳制。当设定了此参数时,若超过此值的误差发生在半闭环位置与全闭环位置的情形下,补偿则被钳制。因此,应设定为反向间隙补偿值和螺距误差补偿值和的2倍左右。如果不能确定此值,设定0值。
2078为双重位置反馈变化系数(分子),2079为双重位置反馈变化系数(分母)。变换系数(分子/分母)=(电动机转动一圈/检测单位)/100万。本机床Z轴参数2078/2079设定为98/32664。
2080为双重位置反馈一次延迟时间常数,作为初始值,通常设定一个100ms左右的值。如果在加、减速期间出现振荡,则以50ms为刻度逐渐增大;如果趋于稳定,则以20ms为刻度逐渐减小设定值。若设为0ms,轴的运动将与全闭环相同;若设为32 767ms,轴的运动将与半闭环相同。本机床2080参数设为480ms。将以上参数调试设定后,机床正常稳定运行。
04结语
FANUC0i-TF数控系统的双重位置反馈功能,可缩短调试周期、提高机床整机质量,现已在3台数控轧辊机床上得到应用,取得了很好的效果。此功能通常适用于数控重型机床,针对在半闭环控制下稳定运行,而使用全闭环控制时产生明显振动的机床,此功能的使用,提高了机床的稳定性和效率。 本文发表于《金属加工(冷加工)》2019年第9期77-78页,作者: 青海华鼎重型机床有限责任 公司 杨翠萍 ,原标题:《FANUC双位置反馈功能在数控轧辊车床上的应用》。-End-
☞来源:金属加工 ☞ 本文编辑:Jacy ☞媒体合作: 010-88379864相关阅读
| 如何用FANUC系统进行多边形加工? | 数控系统代码信息大全,有需要的收藏吧! | 加工复杂零件,用上这招就可以!
368

被折叠的 条评论
为什么被折叠?



