寻求更好的阅读体验,请移步Mculover666的个人博客:
【STM32Cube-19】使用SDMMC接口读写SD卡数据www.mculover666.cn
本篇详细的记录了如何使用STM32CubeMX配置STM32L431RCT6的硬件SDMMC外设读取SD卡数据。
1. 准备工作
硬件准备
- 开发板 首先需要准备一个开发板,这里我准备的是STM32L4的开发板(BearPi):
- Micro SD卡 小熊派开发板板载 Micro SD 卡槽,最大支持 32 GB,需要提前自行准备一张 Micro SD卡,如图:
软件准备
- 需要安装好Keil - MDK及芯片对应的包,以便编译和下载生成的代码;
- 准备一个串口调试助手,这里我使用的是
Serial Port Utility;
Keil MDK和串口助手Serial Port Utility 的安装包都可以 在文末关注公众号获取,回复关键字获取相应的安装包:
2.生成MDK工程
选择芯片型号
打开STM32CubeMX,打开MCU选择器:
搜索并选中芯片STM32L431RCT6:
配置时钟源
- 如果选择使用外部高速时钟(HSE),则需要在System Core中配置RCC;
- 如果使用默认内部时钟(HSI),这一步可以略过;
这里我都使用外部时钟:
配置串口
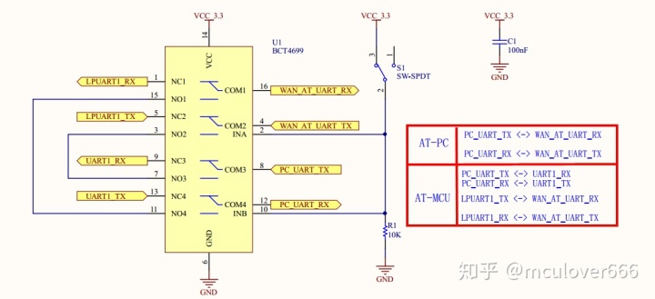
小熊派开发板板载ST-Link并且虚拟了一个串口,原理图如下:
这里我将开关拨到AT-MCU模式,使PC的串口与USART1之间连接。
接下来开始配置USART1:
配置 SDMMC 接口
知识小卡片 —— SDMMC接口
SDMMC接口的全称叫SD/SDIO MMC card host interface,SD/SDIO MMC 卡 主机接口,通俗的来说,就是这个接口支持SD卡,支持SDIO设备,支持MMC卡。
知识小卡片结束啦~
首先查看小熊派开发板的原理图:
然后根据原理图配置 SDMMC 接口:
配置时钟树
STM32L4的最高主频到80M,所以配置PLL,最后使HCLK = 80Mhz即可:
生成工程设置
代码生成设置
最后设置生成独立的初始化文件:
生成代码
点击GENERATE CODE即可生成MDK-V5工程:
3. 在MDK中编写、编译、下载用户代码
重定向printf( )函数
参考:【STM32Cube_09】重定向printf函数到串口输出的多种方法。
读取SD卡信息并打印
SD 卡系统(包括主机和 SD 卡)定义了两种操作模式:
- 卡识别模式
- 数据传输模式
在系统复位后,主机处于卡识别模式,寻找总线上可用的 SD卡设备;同时,SD 卡也处于卡 识别模式,直到被主机识别到。
使用STM32CubeMX初始化的工程中会自动生成 SDMMC 初始化函数,向 SD 卡发送命令,当 SD 卡接收到命令后, SD 卡就会进入数据传输模式,而主机在总线上所有卡被识别后也进入数据传输模式。
所以在操作之前,需要先检查 SD 卡是否处于数据传输模式并且处于数据传输状态:
在main函数中首先定义一个变量用于存储 SD 卡状态:
int sdcard_status = 0;
HAL_SD_CardCIDTypeDef sdcard_cid;
然后在while(1)之前编写如下读取信息代码:
/* USER CODE BEGIN 2 */
printf("Micro SD Card Test...rn");
/* 检测SD卡是否正常(处于数据传输模式的传输状态) */
sdcard_status = HAL_SD_GetCardState(&hsd1);
if(sdcard_status == HAL_SD_CARD_TRANSFER)
{
printf("SD card init ok!rnrn");
//打印SD卡基本信息
printf("SD card information!rn");
printf("CardCapacity: %llurn",((unsigned long long)hsd1.SdCard.BlockSize*hsd1.SdCard.BlockNbr));
printf("CardBlockSize: %d rn",hsd1.SdCard.BlockSize);
printf("RCA: %d rn",hsd1.SdCard.RelCardAdd);
printf("CardType: %d rn",hsd1.SdCard.CardType);
//读取并打印SD卡的CID信息
HAL_SD_GetCardCID(&hsd1,&sdcard_cid);
printf("ManufacturerID: %d rn",sdcard_cid.ManufacturerID);
}
else
{
printf("SD card init fail!rn" );
return 0;
}
/* USER CODE END 2 */
编译下载后串口助手输出结果如下:
擦除SD卡块数据
为了验证实验的正确性或,先擦除数据:
/* 擦除SD卡块 */
printf("------------------- Block Erase -------------------------------rn");
sdcard_status = HAL_SD_Erase(&hsd1, 0, 512);
if (sdcard_status == 0)
{
printf("Erase block okrn");
}
else
{
printf("Erase block failrn");
}
读取SD卡块数据
首先开辟一个全局缓冲区,用于存放从SD卡读出的数据:
/* Private user code ---------------------------------------------------------*/
/* USER CODE BEGIN 0 */
uint8_t read_buf[512];
/* USER CODE END 0 */
然后在之前读取信息的代码之后添加读取数据的代码:
/* 读取未操作之前的数据 */
printf("------------------- Read SD card block data Test ------------------rn");
sdcard_status = HAL_SD_ReadBlocks(&hsd1,(uint8_t *)read_buf,0,1,0xffff);
if(sdcard_status == 0)
{
printf("Read block data ok rn" );
for(i = 0; i < 512; i++)
{
printf("0x%02x ", read_buf[i]);
if((i+1)%16 == 0)
{
printf("rn");
}
}
}
else
{
printf("Read block data fail!rn " );
}
向SD卡块写入数据
同样的,开辟一个全局缓冲区,用于存放即将要写入SD卡的数据:
uint8_t write_buf[512];
然后在之前读取数据的代码之后添加的代码,将缓冲区的数据赋初值:
/* 填充缓冲区数据 */
for(i = 0; i < 512; i++)
{
write_buf[i] = i % 256;
}
然后继续添加代码,将该缓冲区数据写入SD卡:
/* 向SD卡块写入数据 */
printf("------------------- Write SD card block data Test ------------------rn");
sdcard_status = HAL_SD_WriteBlocks(&hsd1,(uint8_t *)write_buf,0,1,0xffff);
if(sdcard_status == 0)
{
printf("Write block data ok rn" );
}
else
{
printf("Write block data fail!rn " );
}
添加完之后,为了检查数据是否正常写入,再将数据读出:
/* 读取操作之后的数据 */
printf("------------------- Read SD card block data after Write ------------------rn");
sdcard_status = HAL_SD_ReadBlocks(&hsd1,(uint8_t *)read_buf,0,1,0xffff);
if(sdcard_status == 0)
{
printf("Read block data ok rn" );
for(i = 0; i < 512; i++)
{
printf("0x%02x ", read_buf[i]);
if((i+1)%16 == 0)
{
printf("rn");
}
}
}
将程序编译下载,最终的实验结果如下:
至此,我们已经学会如何使用硬件SDMMC接口读取SD数据,STM32CubeMX系列教程完结。
更多精彩文章及资源,请关注我的微信公众号:『mculover666』。
311

被折叠的 条评论
为什么被折叠?



